GM Service Manual Online
For 1990-2009 cars only
Makes
🢒
Chevrolet
🢒
1998
🢒
Chevy P32 RV/Van Chassis
🢒
HVAC
🢒
HVAC Systems - Manual
🢒 Instrument Panel, Gages, and Console Component Views
Instrument Panel, Gages, and Console Component Views P42
Figure
1:
Engine Wiring--4.3L Upper LH Front View
(1)
Exhaust Gas Recirculation (EGR) Valve
(2)
G108
(3)
A/C Compressor High Pressure Cutoff Switch
(4)
Engine Coolant Temperature Gauge Sensor
(5)
A/C Compressor Clutch
(6)
Engine Coolant Temperature (ECT) Sensor
(7)
G108
Figure
2:
Engine Wiring 4.3L, Upper RH Rear
(1)
Camshaft Position (CMP) Sensor
(2)
Manifold Absolute Pressure (MAP) Sensor
(3)
Evaporative Emissions (EVAP) Canister Purge Valve
(4)
G105
(5)
To Heated Oxygen Sensor (HO2S), Bank 2 Sensor 1
(6)
Engine Oil Pressure Gauge Sensor and Fuel Pump Switch
(7)
Knock Sensor (KS)
(8)
G102, G104
Figure
3:
Engine Wiring 5.7L, Upper LH Rear
(1)
A/C Compressor High Pressure Cut-Off Switch
(2)
Evaporative Emissions Canister Purge Valve
(3)
Ignition Coil
(4)
Engine Oil Pressure Gauge Sensor and Fuel Pump Switch
(5)
To Heated Oxygen Sensor (HO2S), Bank 2 Sensor 1
(6)
Camshaft Position (CMP) Sensor
(7)
Engine Coolant Temperature Gauge Sensor
Figure
4:
Engine Wiring -- Diesel, Upper RH Side View
(1)
Throttle Position (TP) Sensor
(2)
Fuel/Water Separator (Filter)
(3)
G102, G108 (Manual Transmission)
(3)
G102, G108 (Manual Transmission)
(4)
Fuel Injection Pump Cold Advance Solenoid
(5)
Fuel Injection Pump Shut-Off Solenoid
(6)
Idle Speed Control Actuator Solenoid
(7)
Generator
(7)
Generator
(8)
Glowplugs, Right Bank
(9)
Cold Advance Solenoid, Engine Coolant Temperature Switch
Figure
5:
Engine Wiring (Diesel), Upper LH Rear
(1)
Barometric Pressure Sensor
(2)
Automatic Transmission
(3)
Transmission Output Speed Sensor (Auto Trans)/Vehicle Speed Sensor (Manual Trans)
(3)
Transmission Output Speed Sensor (Auto Trans)/Vehicle Speed Sensor (Manual Trans)
(4)
Park/Neutral Position (PNP) and Backup Lamps Switch (Auto Trans)
(5)
Transmission Input Speed Sensor (Auto Trans)
(6)
G106
(7)
Ground Strap
(8)
G102 (Auto Trans)
(9)
G108 (Auto Trans)
(10)
Engine Speed Sensor
(11)
Glow Plug Controller
(12)
Fuel/Water Separator (Filter)
(13)
Engine Oil Pressure Gauge Sensor and Fuel Pump Switch
(14)
Water In Fuel Indicator Sensor
(15)
Fuel Heater
(16)
Backup Lamps Switch (Manual Trans)
Instrument Panel, Gages, and Console Component Views P32
Figure
1:
Radiator Support Wiring (L65)
(1)
C203
(2)
Torque Converter Clutch (TCC) and Stoplamps Switch
(3)
Vehicle Speed Sensor (VSS) Calibrator
(4)
Accelerator Pedal Position Module (APP) (Part of Accelerator Pedal Assembly)
(5)
Engine Coolant Level Switch
(6)
Auxiliary Engine Coolant Fan A/C Pressure Switch
(7)
Starter Relay
(8)
Brake Pressure Differential Switch
(9)
A/C Compressor Relay
(10)
Fuel Pump Relay
(11)
Park/Neutral Position (PNP) Switch Relay
(12)
Stoplamps Switch
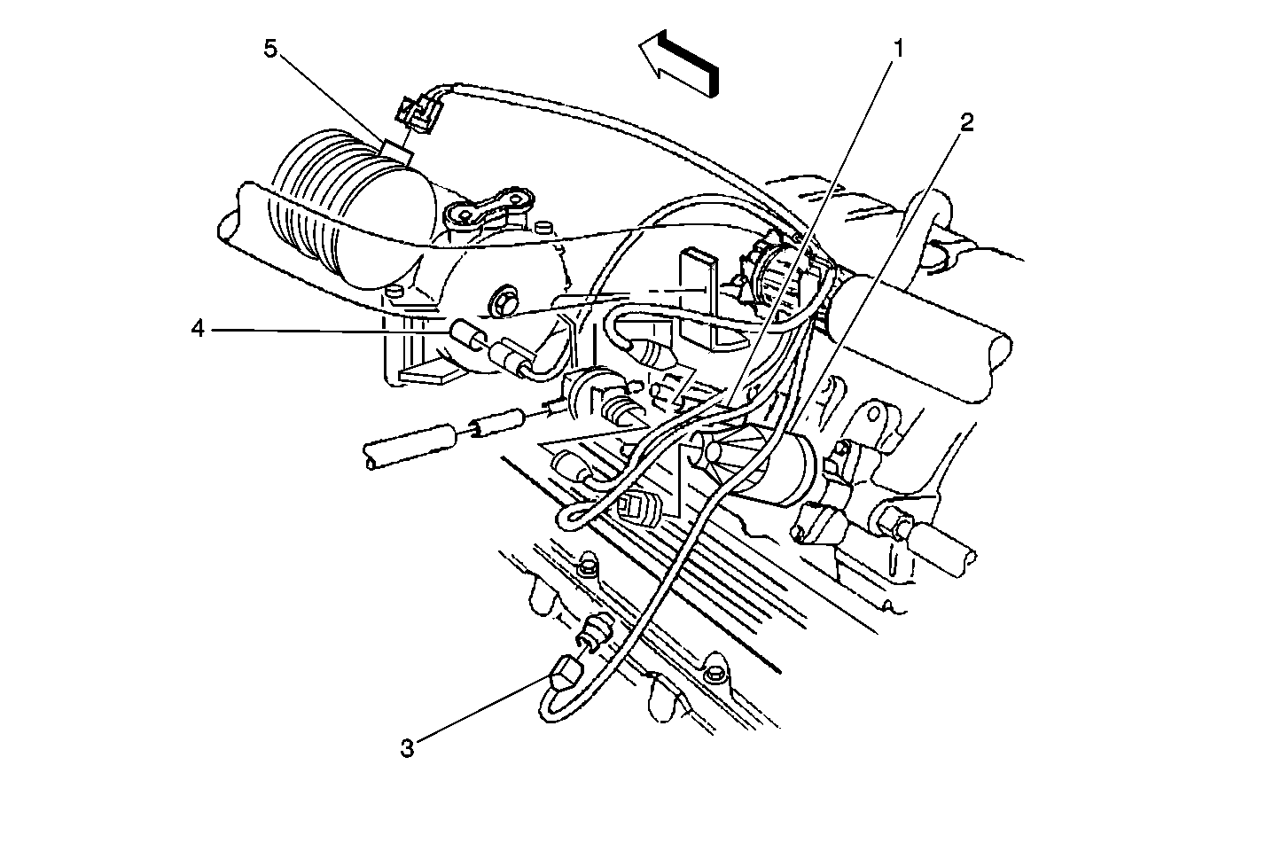
Figure
2:
Engine Wiring Left Side (L29)
(1)
Evaporative Emissions (EVAP) Canister Purge Valve
(2)
Exhaust Gas Recirculation (EGR) Valve
(3)
Engine Coolant Temperature Gauge Sensor
(4)
A/C Compressor High Pressure Cut-Off Switch
(5)
A/C Compressor Clutch
Figure
3:
Engine Wiring Harness Rear (L29)
(1)
Ignition Coil
(2)
G103, G104, G105
(3)
Heated Oxygen Sensor, Bank 1 Sensor 1
(4)
Engine Oil Pressure Gauge Sensor and Fuel Pump Switch
(5)
Camshaft Position (CMP) Sensor
(6)
C107
(7)
Ignition Control Module (ICM)