GM Service Manual Online
For 1990-2009 cars only
Makes
🢒
Chevrolet
🢒
1998
🢒
Chevy P32 RV/Van Chassis
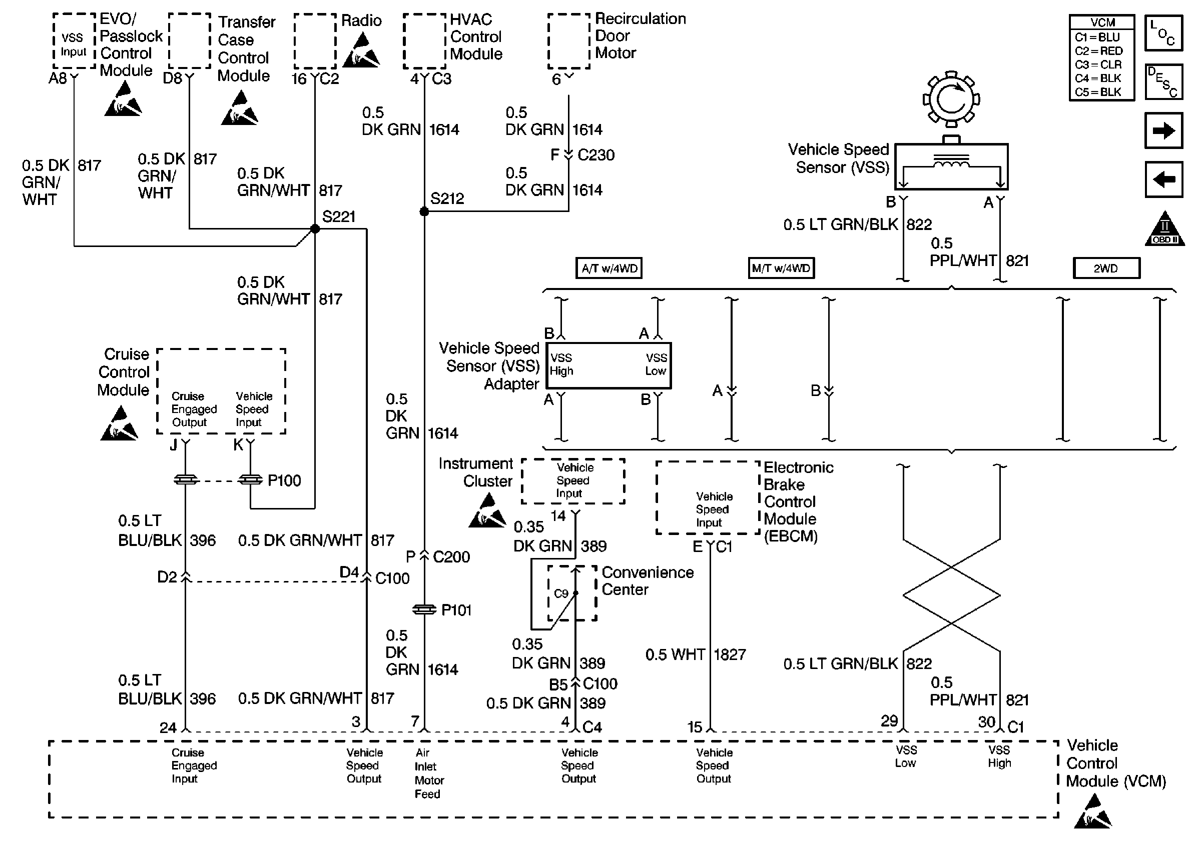
🢒 VSS and Cruise Controls
VSS and Cruise Controls
VSS and Cruise Controls
Engine Controls Components
Information Sensors/Switches Description
Transmission Controls
4WD and IAC Controls
OBDII Symbol Description Notice