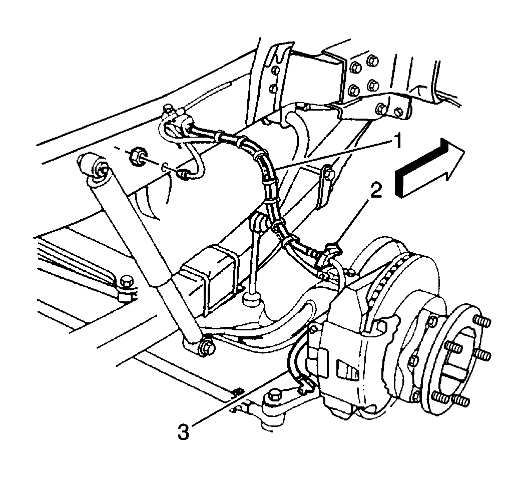
Caution: Always use double walled steel brake pipe when replacing brake pipes. Always use the correct fasteners and the original routing when replacing brake pipes. Failure to properly route and fasten brake pipes may cause brake system failure.
Important: Maintain a 6 mm (1/4 in) clearance between parallel brake pipes.
Notice: Use the correct fastener in the correct location. Replacement fasteners must be the correct part number for that application. Fasteners requiring replacement or fasteners requiring the use of thread locking compound or sealant are identified in the service procedure. Do not use paints, lubricants, or corrosion inhibitors on fasteners or fastener joint surfaces unless specified. These coatings affect fastener torque and joint clamping force and may damage the fastener. Use the correct tightening sequence and specifications when installing fasteners in order to avoid damage to parts and systems.
Important: Use new brass gaskets.
Tighten
Tighten the bolt to 44 N·m (32 lb ft).
Tighten
Tighten the bolt to 18 N·m (13 lb ft).
Tighten
Tighten the nut to 18 N·m (13 lb ft).
Important: The hose must not be twisted. The hose must not contact any suspension components.
Caution: Always use double walled steel brake pipe when replacing brake pipes. Always use the correct fasteners and the original routing when replacing brake pipes. Failure to properly route and fasten brake pipes may cause brake system failure.
Important: Maintain a 6 mm (1/4 in) clearance between parallel brake pipes.
Important: Use new brass gaskets.
Notice: Use the correct fastener in the correct location. Replacement fasteners must be the correct part number for that application. Fasteners requiring replacement or fasteners requiring the use of thread locking compound or sealant are identified in the service procedure. Do not use paints, lubricants, or corrosion inhibitors on fasteners or fastener joint surfaces unless specified. These coatings affect fastener torque and joint clamping force and may damage the fastener. Use the correct tightening sequence and specifications when installing fasteners in order to avoid damage to parts and systems.
Tighten
Tighten the bolt to 44 N·m (32 lb ft).
Tighten
Tighten the support bracket nut to 18 N·m (13 lb ft).
Important: The hose must not be twisted. The hose must not contact any suspension components.
Caution: Always use double walled steel brake pipe when replacing brake pipes. Always use the correct fasteners and the original routing when replacing brake pipes. Failure to properly route and fasten brake pipes may cause brake system failure.
Important: Maintain a 6 mm (1/4 in) clearance between parallel brake pipes.
Important: Use new brass gaskets.
Notice: Use the correct fastener in the correct location. Replacement fasteners must be the correct part number for that application. Fasteners requiring replacement or fasteners requiring the use of thread locking compound or sealant are identified in the service procedure. Do not use paints, lubricants, or corrosion inhibitors on fasteners or fastener joint surfaces unless specified. These coatings affect fastener torque and joint clamping force and may damage the fastener. Use the correct tightening sequence and specifications when installing fasteners in order to avoid damage to parts and systems.
Tighten
Tighten the bolt to secure the fitting to 44 N·m (32 lb ft.)
Tighten
Tighten the bolt to 18 N·m (13 lb ft).
Tighten
Tighten the nut to 18 N·m (13 lb ft).
Important: The hose must not be twisted. The hose must not contact any suspension components.
Tighten
| • | Tighten the nut (4) to 9.0 N·m (80 lb in) for FL7 units with four-wheel disc brakes. |
| • | Tighten the nut (4) to 9.5 N·m (84 lb in) for all other units. |
Caution: Always use double walled steel brake pipe when replacing brake pipes. Always use the correct fasteners and the original routing when replacing brake pipes. Failure to properly route and fasten brake pipes may cause brake system failure.
Important: Maintain a 6 mm (1/4 in) clearance between parallel brake pipes.
Important: Use new brass gaskets.
Notice: Use the correct fastener in the correct location. Replacement fasteners must be the correct part number for that application. Fasteners requiring replacement or fasteners requiring the use of thread locking compound or sealant are identified in the service procedure. Do not use paints, lubricants, or corrosion inhibitors on fasteners or fastener joint surfaces unless specified. These coatings affect fastener torque and joint clamping force and may damage the fastener. Use the correct tightening sequence and specifications when installing fasteners in order to avoid damage to parts and systems.
Tighten
Tighten the bolt to secure the fitting to 44 N·m (32 lb ft).
Tighten
Tighten the nut to 18 N·m (13 lb ft).
Important: The hose must not be twisted. The hose must not contact any suspension components.
Tighten
Tighten the nut to 9.5 N·m (84 lb in).
Caution: Always use double walled steel brake pipe when replacing brake pipes. Always use the correct fasteners and the original routing when replacing brake pipes. Failure to properly route and fasten brake pipes may cause brake system failure.
Important: Maintain a 6 mm (1/4 in) clearance between parallel brake pipes.
Important: Use new brass gaskets.
Notice: Use the correct fastener in the correct location. Replacement fasteners must be the correct part number for that application. Fasteners requiring replacement or fasteners requiring the use of thread locking compound or sealant are identified in the service procedure. Do not use paints, lubricants, or corrosion inhibitors on fasteners or fastener joint surfaces unless specified. These coatings affect fastener torque and joint clamping force and may damage the fastener. Use the correct tightening sequence and specifications when installing fasteners in order to avoid damage to parts and systems.
Tighten
Tighten the bolt to 44 N·m (32 lb ft).
Important: The hose must not be twisted. The hose must not contact any suspension components.
Tighten
Tighten the nut to 9.5 N·m (84 lb in).
Caution: Always use double walled steel brake pipe when replacing brake pipes. Always use the correct fasteners and the original routing when replacing brake pipes. Failure to properly route and fasten brake pipes may cause brake system failure.
Important: Maintain a 6 mm (1/4 in) clearance between parallel brake pipes.
Important: Use new brass gaskets.
Notice: Use the correct fastener in the correct location. Replacement fasteners must be the correct part number for that application. Fasteners requiring replacement or fasteners requiring the use of thread locking compound or sealant are identified in the service procedure. Do not use paints, lubricants, or corrosion inhibitors on fasteners or fastener joint surfaces unless specified. These coatings affect fastener torque and joint clamping force and may damage the fastener. Use the correct tightening sequence and specifications when installing fasteners in order to avoid damage to parts and systems.
Tighten
Tighten the bolt to 44 N·m (32 lb ft).
Important: The hose must not be twisted. The hose must not contact any suspension components.
Tighten
Tighten the nut to 9.5 N·m (84 lb in).