GM Service Manual Online
For 1990-2009 cars only

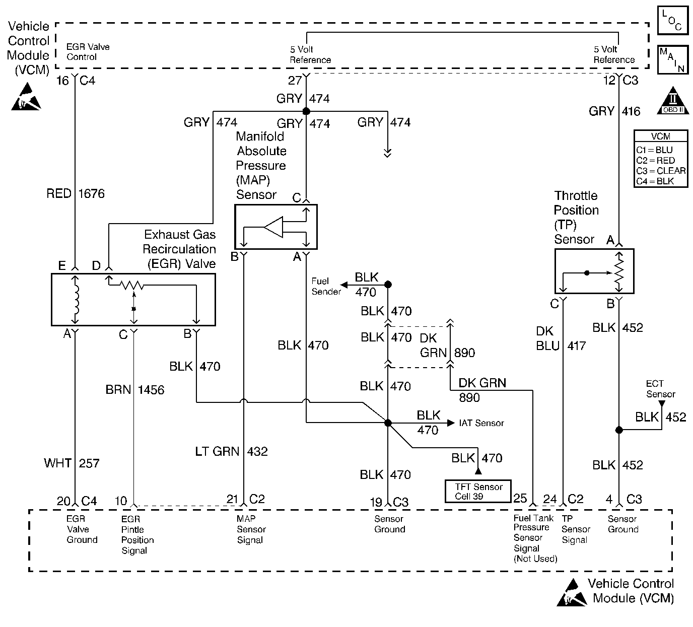
Object Number: 230439  Size: LF
Handling ESD Sensitive Parts Notice
Handling ESD Sensitive Parts Notice
Engine Controls Components
Engine Controls (Cell 20: Engine Data Sensors 3)
OBD II Symbol Description Notice

Circuit Description

The throttle position (TP) sensor is a potentiometer. The control module supplies the TP sensor a reference voltage, a signal, and ground circuits. When the throttle is depressed, the TP sensor signal rises to near the reference voltage. When the throttle is released, the TP sensor signal decreases from the reference voltage. The control module monitors the TP sensor signal circuit voltage in order to determine the throttle blade angle, or opening.

This DTC is designed to detect an TP sensor signal voltages higher than possible in a normally operating TP sensor.

Conditions for Running the DTC

The engine is running

Conditions for Setting the DTC

The TP sensor signal voltage is more than 4.7 volts for 1 second or more.

Action Taken When the DTC Sets

    • The control module illuminates the malfunction indicator lamp (MIL) the first time the diagnostic runs and fails.
    • The control module will set the DTC and records the operating conditions at the time the diagnostic fails. The control module stores the failure information in the scan tools Freeze Frame/Failure Records.

Conditions for Clearing the MIL or DTC

    • The control module turns OFF the MIL after 3 consecutive drive trips when the test has run and passed.
    • A history DTC will clear if no fault conditions have been detected for 40 warm-up cycles. A warm-up cycle occurs when the coolant temperature has risen 22°C (40°F) from the startup coolant temperature and the engine coolant reaches a temperature that is more than 70°C (158°F) during the same ignition cycle.
    • Use a scan tool in order to clear the DTCs.

Diagnostic Aids

The scan tool displays the throttle position in volts. It should display between 0.45- 0.85 volts with the throttle closed and the ignition ON or at idle. The voltage should increase steadily as the throttle is moved toward the Wide Open Throttle (WOT) position. The scan tool also displays the throttle angle percentage: 0 percent equals closed throttle; 100 percent equals WOT. A map related DTC could set if the TP throttle angle is skewed or stuck at a value of less than 20 percent.

This DTC will result if the TP ground circuit is open or the TP sensor circuit is shorted to voltage.

Refer to Symptoms .

An intermittent may be caused by any of the following conditions:

    • A poor connection
    • Rubbed through wire insulation
    • A broken wire inside the insulation

Thoroughly check any circuitry that is suspected of causing the intermittent complaint. Refer to Intermittents and Poor Connections Diagnosis in Wiring Systems.

If a repair is necessary, refer to Wiring Repairs or Connector Repairs in Wiring Systems.

Test Description

The numbers below refer to the step numbers in the diagnostic table.

  1. If the TP signal measures more than 4.8 volts, then the condition exists.

  2. With the TP sensor disconnected, and if the VCM and the wiring are okay, the TP signal should go below 0.25 volt. This test could set a DTC P0122.

Step

Action

Value(s)

Yes

No

1

Important: Before clearing the DTCs, use the scan tool Capture Info to save the Freeze Frame and Failure Records for reference. The control module's data is deleted once the Clear Info function is used.

Did you perform the Powertrain On-Board Diagnostic (OBD) System Check?

--

Go to Step 2

Go to Powertrain On Board Diagnostic (OBD) System Check

2

  1. Install the scan tool.
  2. Turn ON the ignition leaving the engine OFF.

Does the scan tool display a TP sensor voltage more than the specified value?

4.7 V

Go to Step 3

Go to Step 4

3

  1. Turn OFF the ignition.
  2. Disconnect the TP sensor harness connector.
  3. Turn ON the ignition leaving the engine OFF.

Does the scan tool display a TP sensor voltage less than the specified value?

0.25 V

Go to Step 5

Go to Step 8

4

The DTC is intermittent.

Are any additional DTCs stored?

--

Go to the applicable DTC table

Go to Diagnostic Aids

5

Measure the 5 volt reference circuit at the TP sensor harness connector with a J 39200 DMM connected to a ground.

Is the voltage more than the specified value?

5.2 V

Go to Step 9

Go to Step 6

6

Probe the TP sensor ground circuit at the TP sensor harness connector with a test lamp connected to B+.

Is the test lamp ON?

--

Go to Step 7

Go to Step 11

7

Replace the TP sensor. Refer to Throttle Position Sensor Replacement .

Is the action complete?

--

Go to Step 15

--

8

Check for a short to voltage in the TP sensor signal circuit.

Did you find a problem?

--

Go to Step 12

Go to Step 14

9

  1. Turn OFF the ignition .
  2. Disconnect all of the VCM connectors.
  3. Turn ON the ignition leaving the engine OFF.
  4. Measure the voltage on the TP sensor 5 volt reference circuit at the VCM C3 connector with a J 39200 DMM connected to a ground.

Is the voltage more than the specified value?

0 V

Go to Step 13

Go to Step 10

10

Measure the voltage on the MAP sensor 5 volt reference circuit at the VCM C3 connector with a J 39200 DMM connected to a ground.

Is the voltage more than the specified value?

0 V

Go to Step 13

Go to Step 14

11

Repair the open in the TP sensor ground circuit. Refer to Wiring Repairs in Wiring Systems.

Is the action complete?

--

Go to Step 15

--

12

Repair the circuit as necessary. Refer to Wiring Repairs in Wiring Systems.

Is the action complete?

--

Go to Step 15

--

13

Repair the short to voltage on the 5 volt reference circuit. Refer to Wiring Repairs in Wiring Systems.

complete?

--

Go to Step 15

--

14

  1. Replace the VCM.
  2. Program the new VCM. Refer to VCM Replacement/Programming .
  3. Perform the CKP System Variation Learn Procedure. Refer to Crankshaft Position System Variation Learn .

Is the action complete?

--

Go to Step 15

--

15

  1. Using the scan tool, clear the DTCs.
  2. Start the engine.
  3. Allow the engine to idle until the engine reaches normal operating temperature.
  4. Select DTC and the Specific DTC function.
  5. Enter the DTC number which was set.
  6. Operate the vehicle, with the Conditions for Setting this DTC, until the scan tool indicates the diagnostic Ran.

Does the scan tool indicate the diagnostic Passed?

--

Go to Step 16

Go to Step 2

16

Does the scan tool display any additional undiagnosed DTCs?

--

Go to the applicable DTC table

System OK