GM Service Manual Online
For 1990-2009 cars only

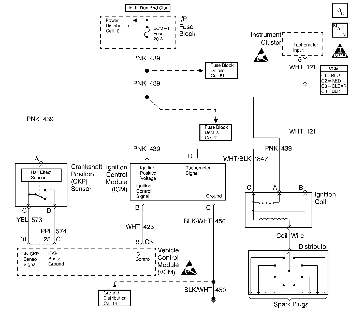
Object Number: 235810  Size: LF
IC/CMP/Oil Pressure - Comp Loc Figure
Engine Controls (Cell 21: Engine Data Sensors 1)
OBD II Symbol Description Notice
Handling ESD Sensitive Parts Notice
Handling ESD Sensitive Parts Notice

Circuit Description

The enhanced ignition system uses the crankshaft position (CKP) sensor in order to provide a timing input to the control module. Ignition control (IC) spark timing for each cylinder is based on this input. The control module provides the ignition timing signal to the ignition control module (ICM) to control the ignition coil. Each timing pulse detected by the ICM allows it to energize the ignition coil. A large secondary ignition voltage is induced in the secondary coil by the primary coil. This high voltage is switched to the correct spark plug by the distributor.

This DTC will set if the VCM detects an unusually high voltage on the ignition timing signal circuit.

Conditions for Running the DTC

    • The ignition control is enabled
    • The engine speed is less than 250 RPM

Conditions for Setting the DTC

The Ignition Control voltage is more than 4.9 volts.

Action Taken When the DTC Sets

    • The control module illuminates the malfunction indicator lamp (MIL) the first time the diagnostic runs and fails.
    • The control module will set the DTC and records the operating conditions at the time the diagnostic fails. The control module stores the failure information in the scan tools Freeze Frame/Failure Records.

Conditions for Clearing the MIL or DTC

    • The control module turns OFF the MIL after 3 consecutive drive trips when the test has run and passed.
    • A history DTC will clear if no fault conditions have been detected for 40 warm-up cycles. A warm-up cycle occurs when the coolant temperature has risen 22°C (40°F) from the startup coolant temperature and the engine coolant reaches a temperature that is more than 70°C (158°F) during the same ignition cycle.
    • Use a scan tool in order to clear the DTCs.

Diagnostic Aids

Intermittent test - If the connections and the harness check OK, monitor a digital voltmeter connected between VCM terminal C3 pin 9 and C4 pin 18 while moving related connectors and wiring harness. If the failure is induced, the voltage reading will change. This may help to isolate the location of the malfunction.

An intermittent may be caused by any of the following conditions:

    • A poor connection
    • Rubbed through wire insulation
    • A broken wire inside the insulation

Thoroughly check any circuitry that is suspected of causing the intermittent complaint. Refer to Intermittents and Poor Connections Diagnosis in Wiring Systems.

If a repair is necessary, refer to Wiring Repairs or Connector Repairs in Wiring Systems.

Test Description

The numbers below refer to the step numbers in the diagnostic table.

  1. This test determines if the DTC is an intermittent.

  2. This step checks if the IC signal from the VCM is available at the ignition control module.

Step

Action

Value(s)

Yes

No

1

Important: Before clearing the DTCs, use the scan tool Capture Info to save the Freeze Frame and Failure Records for reference. The control module's data is deleted once the Clear Info function is used.

Did you perform the Powertrain On-Board Diagnostic (OBD) System Check?

--

Go to Step 2

Go to Powertrain On Board Diagnostic (OBD) System Check

2

  1. Clear the DTCs.
  2. Disconnect the injector connector.
  3. Crank the engine for 15 seconds.

Does DTC P1351 set?

--

Go to Step 3

Go to Diagnostic Aids

3

  1. Turn OFF the ignition.
  2. Reconnect the injector connector.
  3. Disconnect the ignition control module harness connector.
  4. Probe the ignition control module harness connector terminal B with a J 39200 DMM connected to ground.
  5. With the DMM set to the AC scale, crank the engine.
  6. Monitor the voltage reading.

Is the voltage reading within the specified value?

1-4 V

Go to Step 9

Go to Step 4

4

  1. Turn OFF the ignition.
  2. Disconnect the VCM C3 connector.
  3. Check for an open in the IC control circuit between the VCM C3 connector pin 9 and the ignition control module harness connector terminal B with a J 39200 DMM.

Did you find a problem?

--

Go to Step 5

Go to Step 6

5

Repair the open IC circuit between the VCM and the ignition control module. Refer to Wiring Repairs in Wiring Systems.

Is the action complete?

--

Go to Step 17

--

6

  1. Reconnect the VCM C3 connector.
  2. Turn ON the ignition leaving the engine OFF.
  3. Probe the ignition control module harness connector terminal B with a J 39200 DMM connected to a ground.

Is the reading more than the specified value?

1.0 V

Go to Step 7

Go to Step 8

7

Repair the short to voltage in the IC circuit between the VCM and the ignition control module. Refer to Wiring Repairs in Wiring Systems.

Is the action complete ?

--

Go to Step 17

--

8

Check for a poor VCM connection.

Did you find problem?

--

Go to Step 15

Go to Step 16

9

  1. Turn OFF the ignition.
  2. Probe the ignition control module harness connector terminal C with a test lamp connected to B+.

Is the test lamp ON?

--

Go to Step 11

Go to Step 10

10

Repair the open ignition control module ground circuit. Refer to Wiring Repairs in Wiring Systems.

Is the action complete?

--

Go to Step 17

--

11

  1. Turn ON the ignition leaving the engine OFF.
  2. Probe the ignition control module harness connector terminal A with a test lamp connected to a ground.

Is the test lamp ON?

--

Go to Step 13

Go to Step 12

12

Repair the open in the ICM ignition positive voltage circuit. Refer to Wiring Repairs in Wiring Systems.

Is the action complete?

--

Go to Step 17

--

13

Check for a poor ignition control module connection.

Did you find a problem?

--

Go to Step 15

Go to Step 14

14

Replace the ignition control module. Refer to Ignition Coil and Ignition Coil Module Replacement in Engine Electrical.

Is the action complete?

--

Go to Step 17

--

15

Repair the circuit as necessary. Refer to Connector Repairs or Wiring Repairs in Wiring Systems.

Is the action complete?

--

Go to Step 17

--

16

  1. Replace the VCM.
  2. Program the new VCM. Refer to VCM Replacement/Programming .
  3. Perform the CKP System Variation Learn Procedure. Refer to Crankshaft Position System Variation Learn .

Is the action complete?

--

Go to Step 17

--

17

  1. Using the scan tool, clear the DTCs.
  2. Start the engine.
  3. Allow the engine to idle until the engine reaches normal operating temperature.
  4. Select DTC and the Specific DTC function.
  5. Enter the DTC number which was set.
  6. Operate the vehicle, with the Conditions for Setting this DTC, until the scan tool indicates the diagnostic Ran.

Does the scan tool indicate the diagnostic Passed?

--

Go to Step 18

Go to Step 2

18

Does the scan tool display any additional undiagnosed DTCs?

--

Go to the applicable DTC table

System OK