GM Service Manual Online
For 1990-2009 cars only

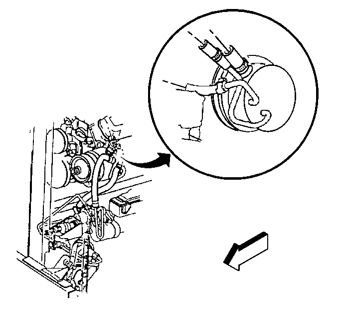
Power Steering Hoses Replacement 4.3/5.7L

Important: Do not start the vehicle with any power steering hoses disconnected.

After replacing or reinstalling a hose, perform the following steps:


    Object Number: 313904  Size: MH
  1. Route the hoses in the original position the hoses were in prior to removal.
  2. Route the hoses smoothly.
  3. Avoid sharp bends and kinking.

  4. After the hoses are installed, inspect for leaks while bleeding the system. Refer to Power Steering System Bleeding .
  5. Notice: Use the correct fastener in the correct location. Replacement fasteners must be the correct part number for that application. Fasteners requiring replacement or fasteners requiring the use of thread locking compound or sealant are identified in the service procedure. Do not use paints, lubricants, or corrosion inhibitors on fasteners or fastener joint surfaces unless specified. These coatings affect fastener torque and joint clamping force and may damage the fastener. Use the correct tightening sequence and specifications when installing fasteners in order to avoid damage to parts and systems.

  6. Tighten the hose connections.
  7. Tighten
    Tighten the hose connections to 33 N·m (24 lb ft).

Power Steering Hoses Replacement 6.5L (L57) Indep

Important: Do not start the vehicle with any power steering hoses disconnected.

After replacing or reinstalling a hose, perform the following steps:


    Object Number: 313926  Size: SH
  1. Route the hoses in the original position the hoses were in prior to removal.
  2. Route the hoses smoothly.
  3. Avoid sharp bends and kinking.

  4. After the hoses are installed, inspect for leaks while bleeding the system. Refer to Power Steering System Bleeding .
  5. Notice: Use the correct fastener in the correct location. Replacement fasteners must be the correct part number for that application. Fasteners requiring replacement or fasteners requiring the use of thread locking compound or sealant are identified in the service procedure. Do not use paints, lubricants, or corrosion inhibitors on fasteners or fastener joint surfaces unless specified. These coatings affect fastener torque and joint clamping force and may damage the fastener. Use the correct tightening sequence and specifications when installing fasteners in order to avoid damage to parts and systems.

  6. Tighten the hose connections.
  7. Tighten
    Tighten the hose connections to 33 N·m (24 lb ft).

Power Steering Hoses Replacement 6.5L (L57) I-Beam

Important: Do not start the vehicle with any power steering hoses disconnected.

After replacing or reinstalling a hose, perform the following steps:


    Object Number: 313914  Size: SH
  1. Route the hoses in the original position the hoses were in prior to removal.
  2. Route the hoses smoothly.
  3. Avoid sharp bends and kinking.

  4. After the hoses are installed, inspect for leaks while bleeding the system. Refer to Power Steering System Bleeding .
  5. Notice: Use the correct fastener in the correct location. Replacement fasteners must be the correct part number for that application. Fasteners requiring replacement or fasteners requiring the use of thread locking compound or sealant are identified in the service procedure. Do not use paints, lubricants, or corrosion inhibitors on fasteners or fastener joint surfaces unless specified. These coatings affect fastener torque and joint clamping force and may damage the fastener. Use the correct tightening sequence and specifications when installing fasteners in order to avoid damage to parts and systems.

  6. Tighten the hose connections (1).
  7. Tighten
    Tighten the hose connections to 33 N·m (24 lb ft).

Power Steering Hoses Replacement 6.5L (L65) and 7.4L

Important: Do not start the vehicle with any power steering hoses disconnected.

After replacing or reinstalling a hose, perform the following steps:


    Object Number: 313949  Size: SH
  1. Route the hoses in the original position the hoses were in prior to removal.
  2. Route the hoses smoothly.
  3. Avoid sharp bends and kinking.

  4. After the hoses are installed, inspect for leaks while bleeding the system. Refer to Power Steering System Bleeding .
  5. Notice: Use the correct fastener in the correct location. Replacement fasteners must be the correct part number for that application. Fasteners requiring replacement or fasteners requiring the use of thread locking compound or sealant are identified in the service procedure. Do not use paints, lubricants, or corrosion inhibitors on fasteners or fastener joint surfaces unless specified. These coatings affect fastener torque and joint clamping force and may damage the fastener. Use the correct tightening sequence and specifications when installing fasteners in order to avoid damage to parts and systems.

  6. Tighten the hose connections.
  7. Tighten
    Tighten the hose connections to 33 N·m (24 lb ft).

  8. Tighten the steering gear inlet and outlet hose fittings (motorhomes with the 6.5L and 7.4L engines with independent front suspension).
  9. Tighten
    Tighten the fitting to 30.5  N·m (23 lb ft).