GM Service Manual Online
For 1990-2009 cars only
Makes
🢒
Chevrolet
🢒
1998
🢒
Chevy P42 Commercial Chassis
🢒
Steering
🢒
Steering Linkage (Non-Rack & Pinion)
🢒 Steering Linkage Components
Steering Linkage Components Commerical
(1)
Tie Rod Assembly
(2)
Idler Arm Frame Support
(3)
Relay Rod
(4)
Steering Knuckle
(5)
Pitman Arm
(6)
Steering Gear
(7)
Idler Arm
Steering Linkage Components Motorhome With JB8
(1)
Adjuster Plug
(2)
Support Assemblies
(3)
Connecting Rod
(4)
Pitman Arm
(5)
Relay Rod
(6)
Tie Rod Assembly
(7)
Steering Knuckle
(8)
Steering Relay and Connecting Rod Arm
(9)
Pitman Arm Stop
(10)
Steering Gear
(11)
Jam Nut
(12)
Steering Idler Arm
(13)
Washer
(14)
Grommet
(15)
Steering Linkage Shock Absorber
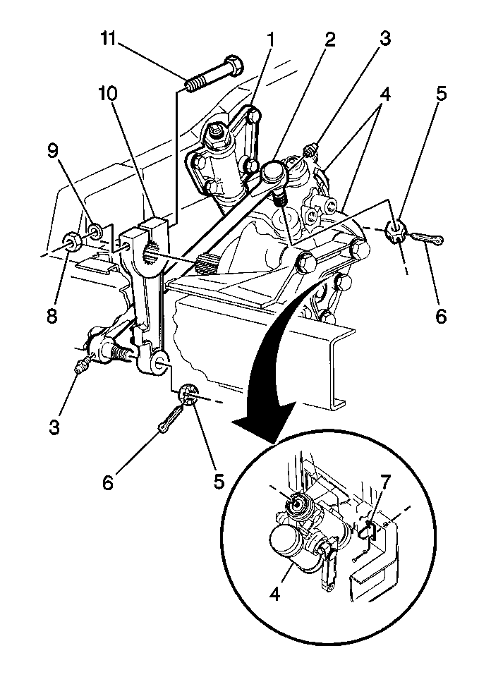
Steering Linkage Components Motorhome With JF9
(1)
Pivot Shaft Assembly
(2)
Rod Assembly
(3)
Fitting
(4)
Steering Gear (Model 710)
(5)
Nut
(6)
Cotter Pin
(7)
Bracket
(8)
Nut
(9)
Washer
(10)
Pitman Arm
(11)
Bolt
Steering Linkage Components Commercial I-Beam Front Axle
(1)
Steering Knuckle (Right)
(2)
Tie Rod Jam Nut
(3)
Steering Knuckle (Left)
(4)
Steering Linkage Shock Absorber
(5)
Steering Gear
(6)
Tie Rod Assembly
(7)
Connecting Rod Assembly
(8)
Pitman Arm