GM Service Manual Online
For 1990-2009 cars only

Harness Routing Views P42

Whenever you move any of the wiring, replace the wiring in the original position. Whenever you move the harnesses in order to reach a component, ensure that all the harnesses are routed correctly. Replace broken clips or retainers. Electrical problems can result from loose wiring or harnesses which shift from the original positions, or which are routed incorrectly.

Figure 1:

Forward Lamps Harness (Typical)


Object Number: 180064  Size: MF
(1)Lamp, Left Front Park and Turn Signal
(2)C203
(3)C200
(4)C202
(5)Horn, High Tone (F - Note)
(6)Horn, Low Tone (A - Note)
(7)Lamp, Left Front Sidemarker
(8)Headlamp, Left
(9)Headlamp, Right
(10)Lamp, Right Front Sidemarker
(11)Lamp, Right Front Park and Turn Signal
Figure 2:

Electronic Brake Control Module (EBCM)


Object Number: 186166  Size: MF
(1)Electronic Brake Control Module (EBCM)
(2)G110
(3)C111
(4)Wheel Speed Sensor Pigtail
(5)C110
(6)Brake Pressure Differential Switch
(7)C2
Figure 3:

Engine Wiring Diesel- LH Front Of Bulkhead, Front View


Object Number: 187817  Size: LF
(1)C200
(2)Battery Junction Block
(3)P100
(4)A/C Compressor Relay
(5)Fan Control Relay
(6)Starter Relay
(7)Engine Coolant Level Switch
(8)Auxiliary Engine Coolant Fan
Figure 4:

Engine Wiring (Gasoline), LH Front


Object Number: 180070  Size: MF
(1)C200, C202, C203
(2)Battery Junction Block
(3)A/C Compressor Relay
(4)Fuel Pump Relay
(5)P100
(6)Starter Relay
(7)Fuel Pump Prime Connector
(8)C4
(9)C2
(10)Vehicle Control Module (VCM)
(11)C1
(12)C3
Figure 5:

Engine Wiring 4.3L, Upper RH Forward


Object Number: 180073  Size: MF
(1)A/C Compressor Clutch
(2)Exhaust Gas Recirculation (EGR) Valve
(3)Engine Coolant Temperature (ECT) Sensor
(4)Ignition Control Module (ICM)
(5)Battery Positive Cable
(6)Generator
(7)C102
(8)Ignition Coil
(9)Evaporative Emissions (EVAP) Canister Purge Valve
(10)Manifold Absolute Pressure (MAP) Sensor
(11)C105
(12)Idle Air Control (IAC) Valve
(13)Throttle Position (TP) Sensor
Figure 6:

Engine Wiring--5.7L Upper Right Hand Side View


Object Number: 393648  Size: LF
(1)C105
(2)Evaporative Emissions (EVAP) Canister Purge Valve
(3)Ignition Control Module (ICM)
(4)Ignition Coil
(5)Manifold Absolute Pressure (MAP) Sensor
Figure 7:

Engine Wiring 5.7L, Lower RH Side


Object Number: 180079  Size: MF
(1)C102
(2)Crankshaft Position (CKP) Sensor
(3)Knock Sensor (KS)
Figure 8:

Automatic Transmission, Upper LH Rear


Object Number: 180082  Size: MF
(1)Transmission Input Speed Sensor
(2)Transmission Output Speed Sensor
(3)C301
(4)C2
(5)C1
(6)Park/Neutral Position (PNP) and Backup Lamps Switch
Figure 9:

P/B Booster Warning System Wiring (School Bus) Engine View (Typical)


Object Number: 187806  Size: MF
(1)P102
(2)Power Brake Booster Fluid Flow Indicator/Alarm Switch
(3)Power Brake Booster Pump Pressure Switch
Figure 10:

IP Side of Engine Wiring -- All Engines (P42)


Object Number: 180085  Size: MF
(1)Data Link Connector (DLC)
(2)Headlamps Dimmer Switch
(3)Brake Transmission Shift Interlock (BTSI) Solenoid
(4)Brake Transmission Shift Interlock (BTSI) Relay
(5)Horn Relay
(6)Daytime Running Lamps (DRL) Relay
(7)C210
(8)C211
(9)Torque Converter Clutch (TCC) and Stoplamps Switch
(10)Ignition Switch
(11)C1
(12)C2
(13)C1
(14)C2
(15)Turn Signal Switch Connector
(16)Crank Fuse
Figure 11:

IP Side of Engine Wiring--Diesel--Forward View


Object Number: 440934  Size: MF
(1)Powertrain Control Module (EFI Diesel)/Transmission Control Module (MFI Diesel with Auto Trans)
(2)Data Link Connector (DLC)
(3)P100
(4)Vehicle Speed Sensor (VSS) Calibrator
Figure 12:

Rear Lamps Extension, LH Side View


Object Number: 440933  Size: LF
(1)Fuel Pump Module (Gas)/Fuel Level Sensor (Diesel)
(2)Fuel Tank
(3)P400
(4)To Fuel Pump Module (Gas)/Fuel Level Sensor (Diesel)
(5)C400
(6)C401
(7)C401
(8)P400
(9)G400
(10)C300
(11)To Heated Oxygen Sensor (HO2S), Bank 1 Sensor 2
(12)To Heated Oxygen Sensor (HO2S), Bank 2 Sensor 2 (5.7L)
Figure 13:

Rear Lamps Typical (Body Builder Installed)


Object Number: 330034  Size: MF
(1)Lamp, Left Rear Sidemarker
(2)C400
(3)Lamp, Right Backup
(4)Lamp, Left Tail and Stop/Turn Signal
(5)Lamp, Left License
(6)Lamp, Right License
(7)G401
(8)Lamp, Right Tail and Stop/Turn Signal
(9)Lamp, Right Backup
(10)Lamp, Right Rear Sidemarker

Harness Routing Views P32

Whenever you move any of the wiring, replace the wiring in the original position. Whenever you move the harnesses in order to reach a component, ensure that all the harnesses are routed correctly. Replace broken clips or retainers. Electrical problems can result from loose wiring or harnesses which shift from the original positions, or which are routed incorrectly.

Figure 1:

Electronic Brake Control Module (EBCM)


Object Number: 186166  Size: MF
(1)Electronic Brake Control Module (EBCM)
(2)G110
(3)C111
(4)Wheel Speed Sensor Pigtail
(5)C110
(6)Brake Pressure Differential Switch
(7)C2
Figure 2:

Radiator Support Wiring (L65)


Object Number: 186179  Size: MF
(1)C203
(2)Torque Converter Clutch (TCC) and Stoplamps Switch
(3)Vehicle Speed Sensor (VSS) Calibrator
(4)Accelerator Pedal Position Module (APP) (Part of Accelerator Pedal Assembly)
(5)Engine Coolant Level Switch
(6)Auxiliary Engine Coolant Fan A/C Pressure Switch
(7)Starter Relay
(8)Brake Pressure Differential Switch
(9)A/C Compressor Relay
(10)Fuel Pump Relay
(11)Park/Neutral Position (PNP) Switch Relay
(12)Stoplamps Switch
Figure 3:

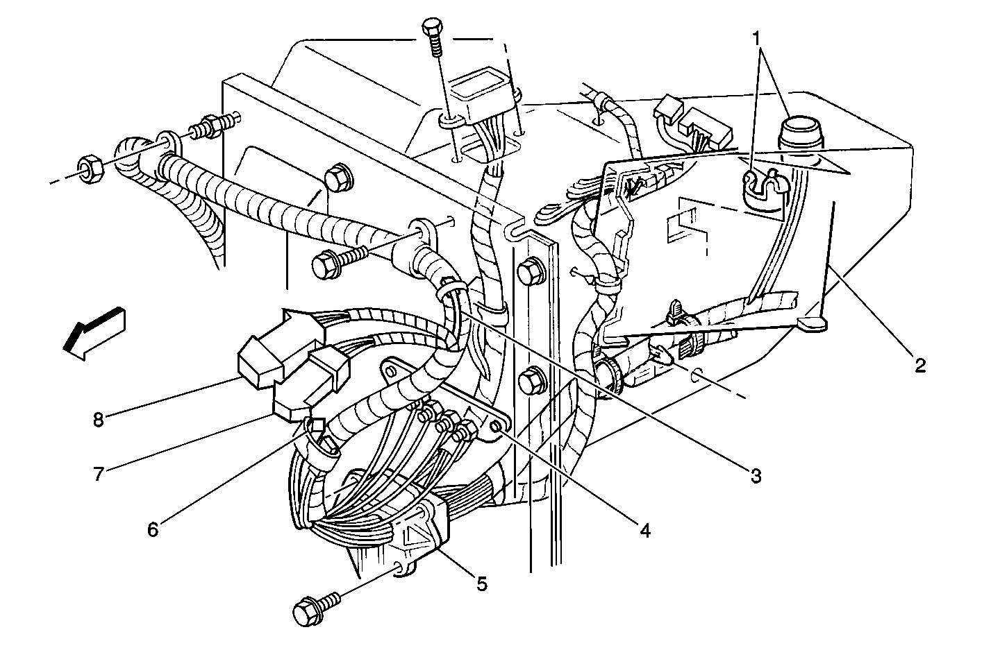
Engine to Dash and Steering Column (Forward View)


Object Number: 186161  Size: MF
(1)Hazard Lamps Flasher and Clip
(2)PCM Bracket (Diesel)
(3)Fuel Pump Prime (Diesel)
(4)Battery Junction Block
(5)P100
(6)Fuel Pump Prime (Gas)
(7)C100
(8)C207
Figure 4:

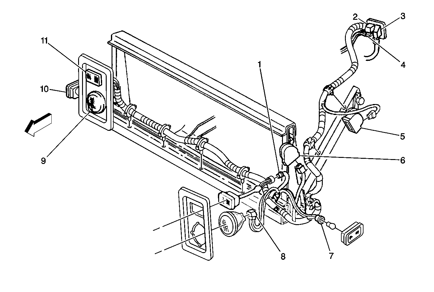
Engine to Dash and Steering Column


Object Number: 186178  Size: MF
(1)Ignition Switch
(2)Steering Column
(3)Brake Transmission Shift Interlock (BTSI) Solenoid
(4)Data Link Connector (DLC)
(5)Hazard Lamps Flasher
(6)P100
(7)Fuel Pump Prime
(8)C100
(9)C207
(10)C200
(11)Windshield Wiper Pulse Control Module
Figure 5:

Dash and Steering Column


Object Number: 364655  Size: MF
(1)C203
(2)Brake Pedal Bracket
(3)Stoplamps Switch
(4)Torque Converter Clutch (TCC) and Stoplamps Switch
(5)Turn Signal Switch Connector
Figure 6:

Engine Wiring Harness Rear (L29)


Object Number: 440928  Size: MF
(1)Ignition Coil
(2)G103, G104, G105
(3)Heated Oxygen Sensor, Bank 1 Sensor 1
(4)Engine Oil Pressure Gauge Sensor and Fuel Pump Switch
(5)Camshaft Position (CMP) Sensor
(6)C107
(7)Ignition Control Module (ICM)
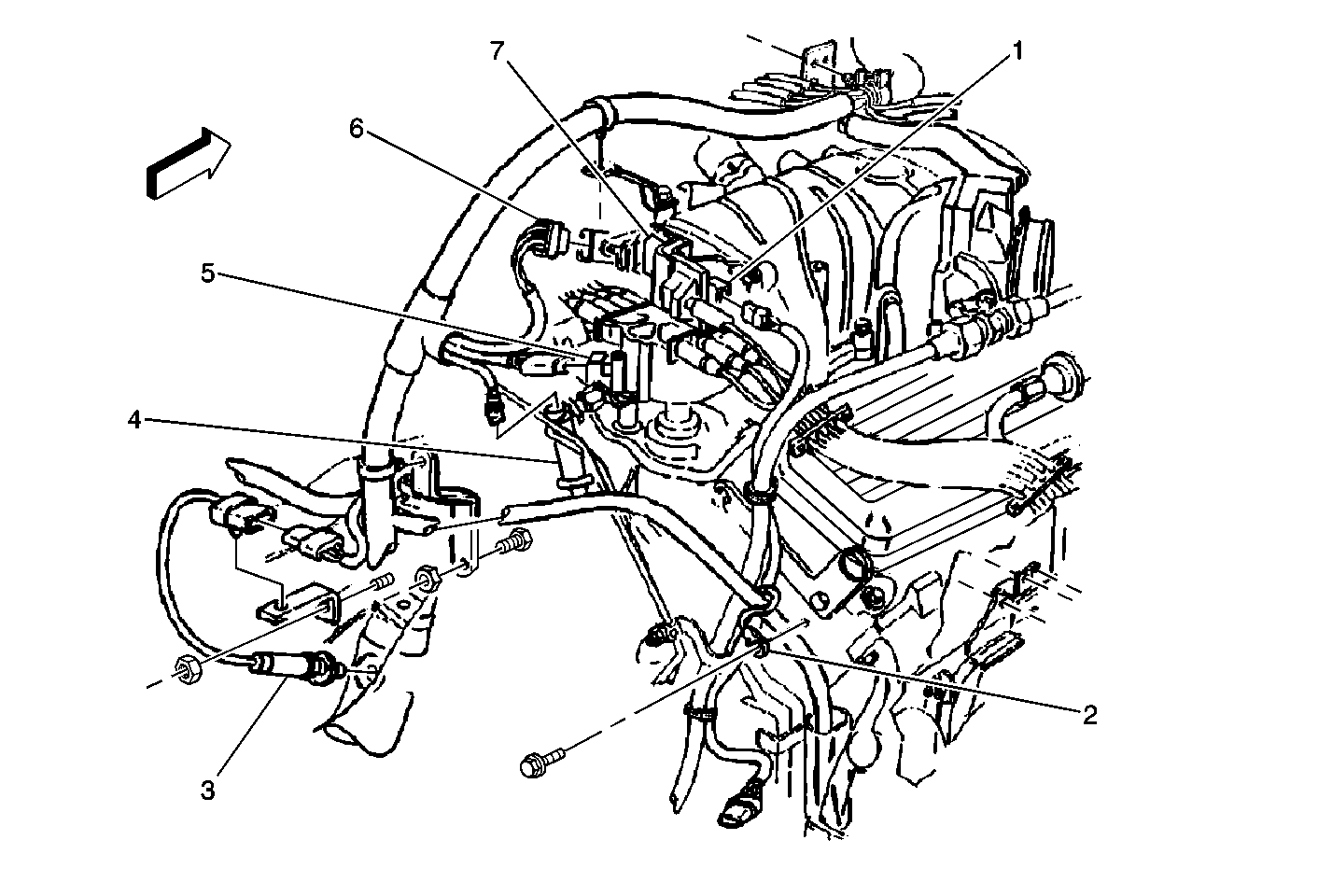
Figure 7:

Engine Left Side (L65)


Object Number: 427046  Size: MF
(1)A/C Compressor High Pressure Cut-Off Switch
(2)C101
(3)C106
(4)Wastegate Solenoid
(5)Glow Plugs
(6)Engine Coolant Temperature Gauge Sensor
(7)A/C Compressor Clutch
Figure 8:

Engine And Transmission Harness


Object Number: 393813  Size: MF
(1)Glowplug Controller (Diesel)
(1)Glowplug Controller (Diesel)
(2)Water In Fuel Indicator Sensor (Diesel)
(3)C103
(4)C104
(5)Auto Apply Park Brake Harness
(6)Transmission
(7)Transmission Output Speed Sensor
(8)C301
(9)Transmission Input Speed Sensor
(10)Park/Neutral Position and Backup Lamps Switch
(11)To G106
(12)Fuel Heater (Diesel)
Figure 9:

Auto Apply Park Brake Components (P32)


Object Number: 413385  Size: MF
(1)Park Brake Extension Harness
(2)C303
(3)C304
(4)Park Brake Harness
(5)Park Brake Actuator Assembly Cover
(6)Park Brake Assembly
(7)Park Brake Actuator Cable
(8)Transmission
(9)C104
(10)Engine Harness
(11)C103
Figure 10:

Rear Lamp Harness Wiring


Object Number: 441388  Size: MF
(1)C300
(2)Left Frame Rail