GM Service Manual Online
For 1990-2009 cars only
Makes
🢒
Chevrolet
🢒
1998
🢒
Chevy P42 Commercial Chassis
🢒
Body and Accessories
🢒
Lighting Systems
🢒 Headlights Schematics
Headlights Schematics P32
Figure
1:
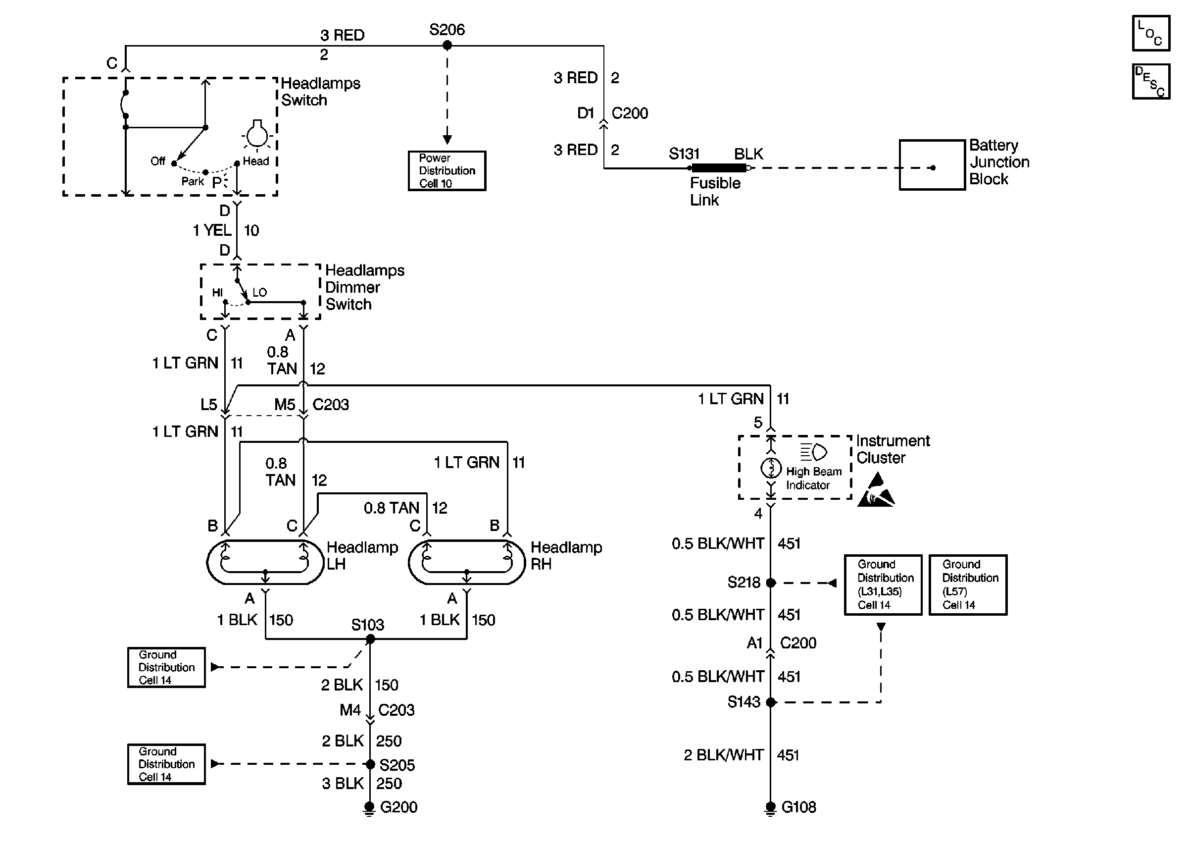
Cell 100: Headlamps Switch and Base Headlamps
Lighting Systems Components P32
Exterior Lights Circuit Description P32
Cell 100: Rectangular Headlamps
Cell 10: Fuse Block
Cell 10: Fuse Block
Cell 117
Cell 110: Headlamps Switch and IP Cluster
Cell 100: Rectangular Headlamps
Cell 100: Rectangular Headlamps
Handling ESD Sensitive Parts Notice
Cell 14: G108 [L57]
Cell 14: G108 [L65]
Figure
2:
Cell 100: Rectangular Headlamps
Lighting Systems Components P32
Exterior Lights Circuit Description P32
Cell 100: Headlamps Switch and Base Headlamps
Cell 100: Headlamps Switch and Base Headlamps
Cell 100: Headlamps Switch and Base Headlamps
Headlights Schematics P42
Cell 100
Lighting Systems Components P42
Exterior Lights Circuit Description P42
Cell 10: Ignition Switch
Handling ESD Sensitive Parts Notice
Cell 14: G101, G102, and G107 [Single Headlamps]
Cell 14: G101, G102, and G107 [Dual Headlamps]
Cell 14: G104 [L65]
Cell 14: G108 [L29]