GM Service Manual Online
For 1990-2009 cars only

Distributor Replacement Procedure A

Removal Procedure A

    Notice: If the distributor is removed from the engine, it can be re-installed using Procedure A as long as the crankshaft has not rotated from the original position. If the intake manifold, the cylinder head, the crankshaft, the camshaft, the timing gear, or the complete engine was removed or replaced, Procedure B must be followed in order to correctly install the distributor. A DTC code may also indicate an incorrectly installed distributor and engine or distributor damage may occur. Procedure B must then be used.

  1. Turn the ignition switch to the OFF position.
  2. Disconnect the spark plug and coil leads from the distributor cap.
  3. Disconnect the three wire Hall-effect switch connector from the base of the distributor.
  4. Remove the two screws holding the distributor cap to the housing.
  5. Remove the distributor cap. For proper alignment during reinstallation:
  6. 5.1. Using a grease pencil, mark the position of the rotor segment in relation to the distributor housing. Identify the mark with a 1.
    5.2. Using a grease pencil, mark the distributor housing and intake manifold.

    Object Number: 84615  Size: SH
  7. On a 4.3L engine:
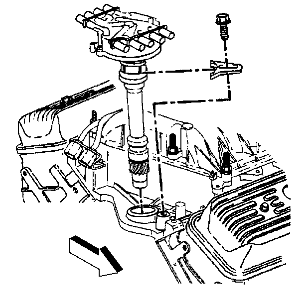
  8. 6.1. Remove the mounting clamp hold down bolt.
    6.2. Remove the distributor. Note that the rotor will move counterclockwise 42 degrees.
    6.3. Note the position of the rotor segment by marking the base of the distributor with a 2 in order to aid proper alignment during installation.

    Object Number: 84617  Size: SH
  9. On a 5.7L engine:
  10. 7.1. Remove the mounting clamp hold down bolt.
    7.2. Remove the distributor. Note that the rotor will move counterclockwise 42 degrees.
    7.3. Note the position of the rotor segment by marking the base of the distributor with a 2 in order to aid proper alignment during installation.

    Object Number: 84619  Size: SH
  11. On a 7.4L engine:
  12. 8.1. Remove the ignition coil.
    8.2. Remove the mounting clamp hold down bolt.
    8.3. Remove the distributor. Note that the rotor will move counterclockwise 42 degrees.
    8.4. Note the position of the rotor segment by marking the base of the distributor with a 2 in order to aid proper alignment during installation.

Installation Procedure A

  1. If the distributor is being replaced and not repaired:
  2. 1.1. Remove the new distributor cap.
    1.2. Using a grease pencil, place two marks on the new distributor housing in the same location as the two marks on the original housing.
  3. When installing the distributor, align the rotor segment with the number 2 mark on the base of the distributor.
  4. Guide the distributor into place. Make sure the grease pencil marks on the distributor housing and intake manifold are in line.
  5. 3.1. As the distributor is being installed, the rotor moves clockwise 42 degrees.
    3.2. Once the distributor is completely seated, the rotor segment should be aligned with the number 1 mark on the base.
  6. If the rotor is not aligned with the number 1 mark, the gear teeth of the distributor and the camshaft have not meshed properly.
  7. 4.1. Remove the distributor.
    4.2. Repeat the procedure starting at step two.

    Notice: Use the correct fastener in the correct location. Replacement fasteners must be the correct part number for that application. Fasteners requiring replacement or fasteners requiring the use of thread locking compound or sealant are identified in the service procedure. Do not use paints, lubricants, or corrosion inhibitors on fasteners or fastener joint surfaces unless specified. These coatings affect fastener torque and joint clamping force and may damage the fastener. Use the correct tightening sequence and specifications when installing fasteners in order to avoid damage to parts and systems.

  8. Install the distributor cap and mounting screws.
  9. Tighten
    Tighten the distributor cap screws to 5 N·m (40 lb in).


    Object Number: 84615  Size: SH
  10. On a 4.3L engine, install the distributor hold down bolt.
  11. Tighten
    Tighten the distributor hold down bolt to 27 N·m (20 lb ft).


    Object Number: 84617  Size: SH
  12. On a 5.7L engine, install the distributor mounting clamp and hold down bolt.
  13. Tighten
    Tighten the distributor hold down bolt to 27 N·m (20 lb ft).


    Object Number: 84619  Size: SH
  14. On a 7.4L engine, install the distributor mounting clamp and hold down bolt.
  15. Tighten
    Tighten the distributor hold down bolt to 27 N·m (20 lb ft).

  16. Connect the three wire Hall-effect switch connector to the base of the distributor.
  17. Install the ignition coil.
  18. Connect the spark plug and coil leads to the distributor.
  19. Check the installation. If the CHECK ENGINE lamp is illuminated and a DTC P1345 is found, refer to Installation Procedure B for proper distributor installation.

Distributor Replacement Procedure B

Removal Procedure B

  1. Bring the engine to Top Dead Center of cylinder number 1. Make sure the cylinder is on the compression stroke.
  2. Remove the distributor cap screws and cap in order to expose the rotor.

  3. Object Number: 43756  Size: SH
  4. Align the pre-drilled indent hole in the distributor driven gear with the white painted alignment line on the lower portion of the shaft housing.

  5. Object Number: 4348  Size: SH
  6. On a 4.3L engine, make sure the rotor segment points to the cap hold area as shown.

  7. Object Number: 84621  Size: SH
  8. On a 5.7L or 7.4L engine, make sure the rotor segment points to the cap area as shown.
  9. Using a long screwdriver, align the oil pump drive shaft in the engine in the mating drive tab in the distributor.
  10. Guide the distributor into place. Make sure the spark plug towers are perpendicular to the center line of the engine.

  11. Object Number: 4350  Size: SH
  12. On a 4.3L engine, once the distributor is fully seated, the rotor segment should align with the pointer cast into the distributor base.
  13. • The 6 cast into the pointer indicates the distributor is for a six cylinder engine.
    • If the rotor segment does not come within a few degrees of the pointer, the gear mesh between the distributor and camshaft may be misaligned.
    • Repeat the procedure if proper alignment is not achieved.

    Object Number: 84623  Size: SH
  14. On a 5.7L or 7.4L engine, once the distributor is fully seated, the rotor segment should align with the pointer cast into the distributor base.
  15. • The 8 cast into the pointer indicates the distributor is for a eight cylinder engine.
    • If the rotor segment does not come within a few degrees of the pointer, the gear mesh between the distributor and camshaft may be misaligned.
    • Repeat the procedure if proper alignment is not achieved.

Installation Procedure B

    Notice: Use the correct fastener in the correct location. Replacement fasteners must be the correct part number for that application. Fasteners requiring replacement or fasteners requiring the use of thread locking compound or sealant are identified in the service procedure. Do not use paints, lubricants, or corrosion inhibitors on fasteners or fastener joint surfaces unless specified. These coatings affect fastener torque and joint clamping force and may damage the fastener. Use the correct tightening sequence and specifications when installing fasteners in order to avoid damage to parts and systems.

  1. Install the distributor cap and mounting screws.
  2. Tighten
    Tighten the distributor cap screws to 5 N·m (40 lb in).


    Object Number: 84615  Size: SH
  3. On a 4.3L engine, install the distributor hold down bolt.
  4. Tighten
    Tighten the distributor hold down bolt to 27 N·m (20 lb ft).


    Object Number: 84617  Size: SH
  5. On a 5.7L engine, install the distributor mounting clamp and hold down bolt.
  6. Tighten
    Tighten the distributor hold down bolt to 27 N·m (20 lb ft).


    Object Number: 84619  Size: SH
  7. On a 7.4L engine, install the distributor mounting clamp and hold down bolt.
  8. Tighten
    Tighten the distributor hold down bolt to 27 N·m (20 lb ft).

  9. Connect the three wire Hall-effect switch connector to the base of the distributor.
  10. Connect the spark plug and coil leads to the distributor cap.
  11. Check the installation. Refer to Installation Procedure B if the CHECK ENGINE lamp is illuminated and a DTC P1345 is found.