GM Service Manual Online
For 1990-2009 cars only
Makes
🢒
Chevrolet
🢒
1998
🢒
Chevy P42 Commercial Chassis
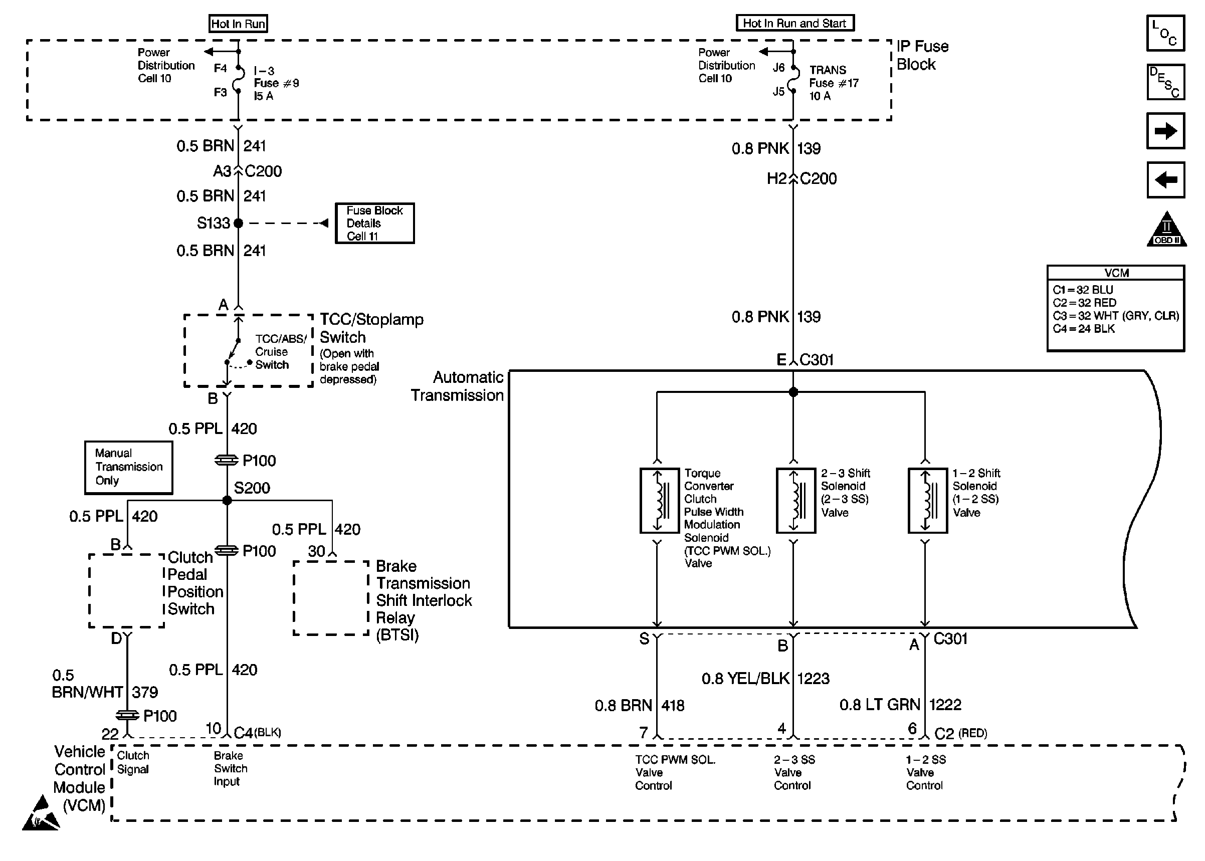
🢒 Engine Controls (Cell 21:A/T Controls 1)
Engine Controls (Cell 21:A/T Controls 1)
Engine Controls (Cell 21: A/T Controls 1)
Engine Controls Components
Engine Controls (Cell 21: A/T Controls 2)
Engine Controls (Cell 21: Engine Data Sensors 5)
OBD II Symbol Description Notice
ESD Notice