GM Service Manual Online
For 1990-2009 cars only
Makes
🢒
Chevrolet
🢒
1998
🢒
Chevy P42 Commercial Chassis
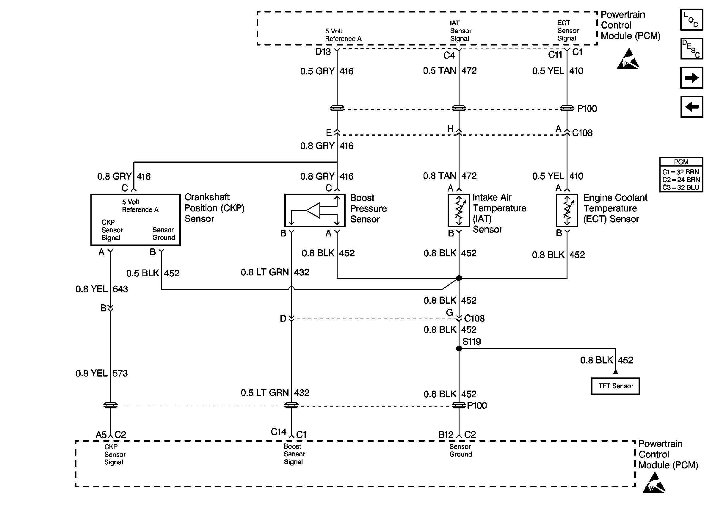
🢒 Engine Controls (Cell 22:Fuel Controls 4)
Engine Controls (Cell 22:Fuel Controls 4)
Engine Controls (Cell 22: Fuel Controls 4)
Engine Controls Components
Engine Controls (Cell 22: Fuel Controls 5)
Engine Controls (Cell 22: Fuel Controls 3)
ESD Notice
ESD Notice