GM Service Manual Online
For 1990-2009 cars only
Makes
🢒
Chevrolet
🢒
1998
🢒
Chevy P42 Commercial Chassis
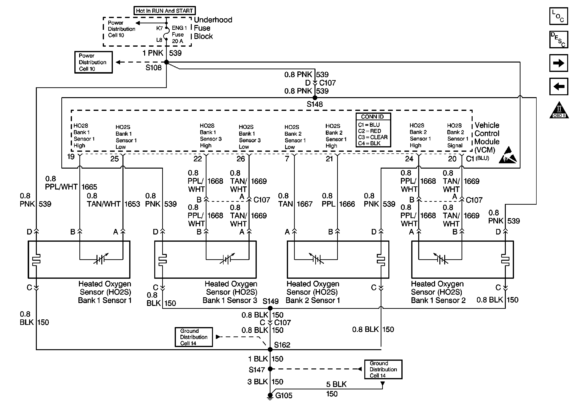
🢒 HO2S Sensors
HO2S Sensors
HO2S Sensors
Engine Controls Components
Information Sensors/Switches Description
4WD, IAC and Upshift Controls
EVAP and EGR Controls
OBDII Symbol Description Notice