GM Service Manual Online
For 1990-2009 cars only
Makes
🢒
Chevrolet
🢒
1998
🢒
Chevy P42 Commercial Chassis
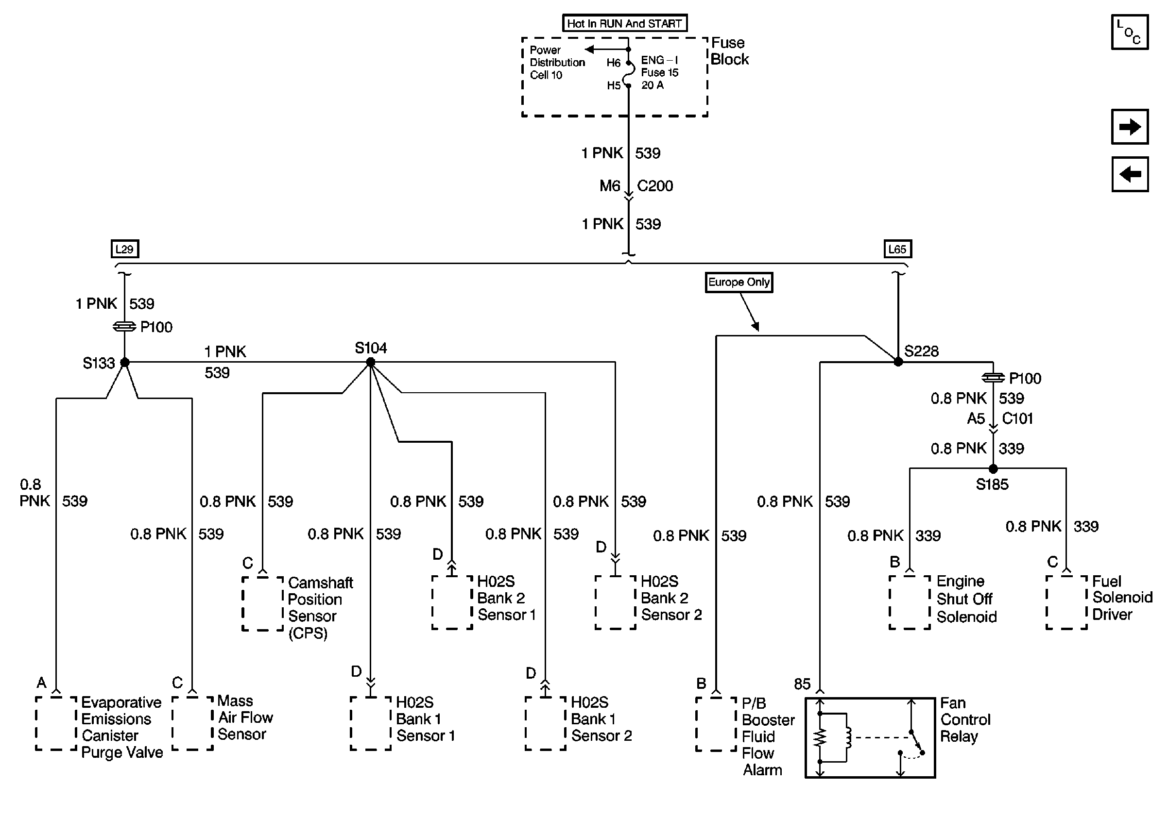
🢒 Cell 11: ENG-I fuse
Cell 11: ENG-I fuse
Cell 11: ENG-I fuse
Power and Grounding Components P32
Cell 11: ECM-I fuse [L29]
Cell 11: STOP-HAZ, TAIL LPS, and HORN DM fuses
Cell 10: Ignition Switch and Fuse Block