GM Service Manual Online
For 1990-2009 cars only
Makes
🢒
Chevrolet
🢒
1998
🢒
Chevy P42 Commercial Chassis
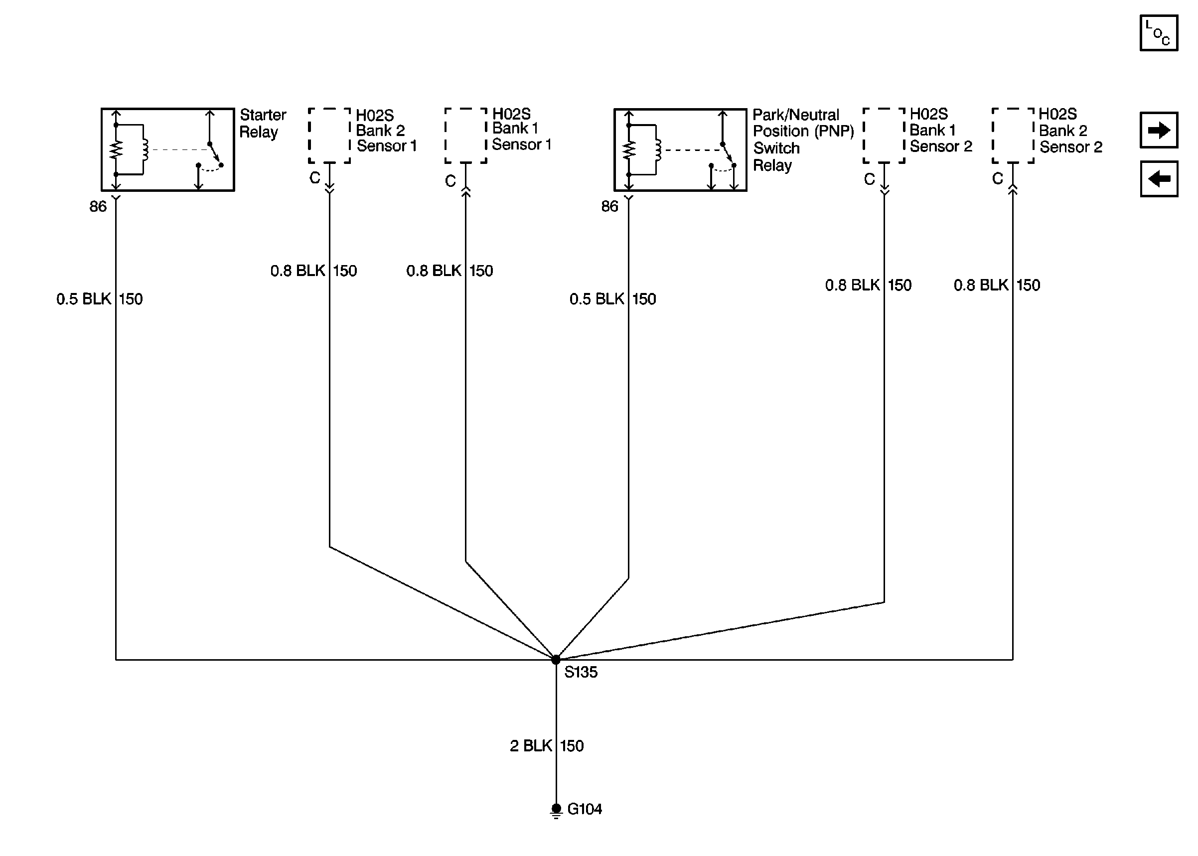
🢒 Cell 14: G104 [L29]
Cell 14: G104 [L29]
Cell 14: G104 [L29]
Power and Grounding Components P32
Cell 14: G104 [L65]
Cell 14: G104, G105, G106, and G110 [L65]