GM Service Manual Online
For 1990-2009 cars only
Makes
🢒
Chevrolet
🢒
1998
🢒
Chevy P42 Commercial Chassis
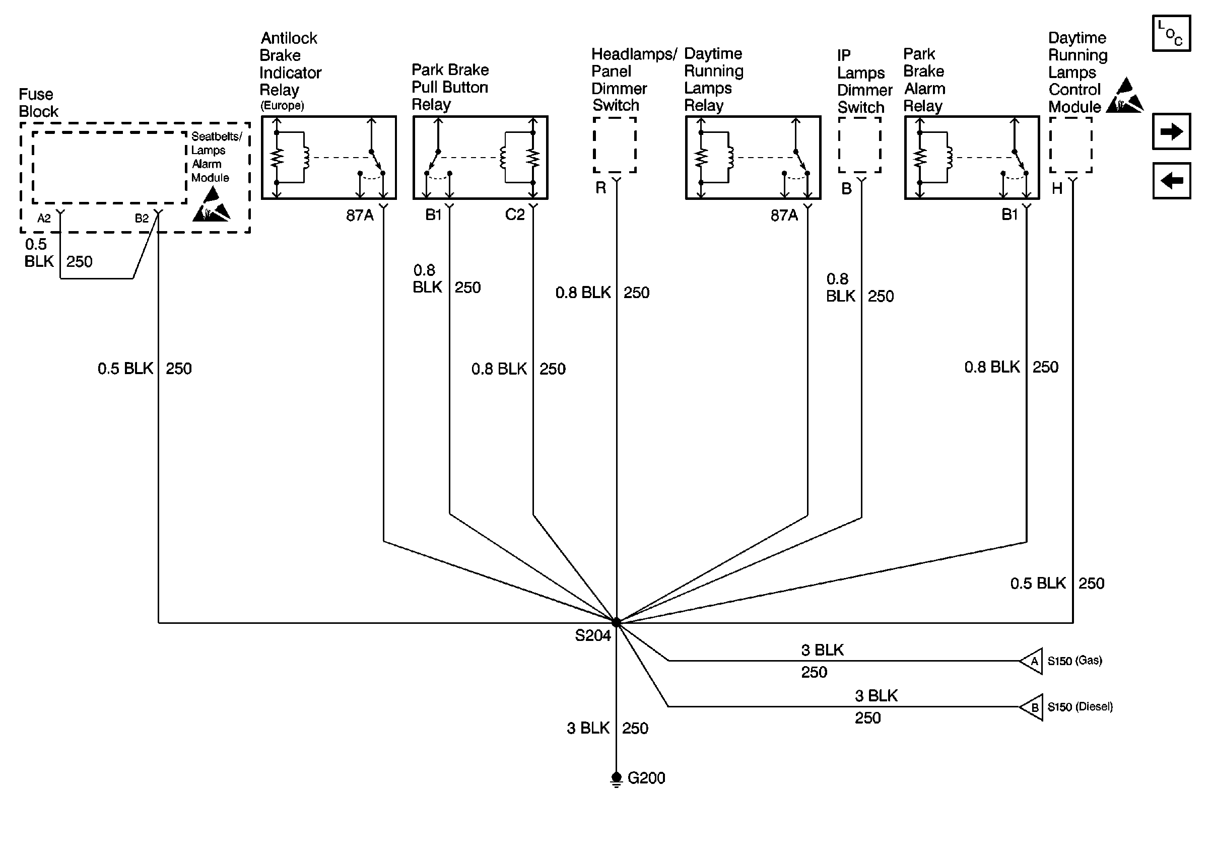
🢒 Cell 14: G200
Cell 14: G200
Cell 14: G200
Power and Grounding Components P32
Cell 14: S150 and S101 [L29]
Cell 14: G108 [L65]
Handling ESD Sensitive Parts Notice
Handling ESD Sensitive Parts Notice
Cell 14: S150 and S101 [L29]
Cell 14: S150 and S101 [L65]