GM Service Manual Online
For 1990-2009 cars only
Makes
🢒
Chevrolet
🢒
1998
🢒
Chevy P42 Commercial Chassis
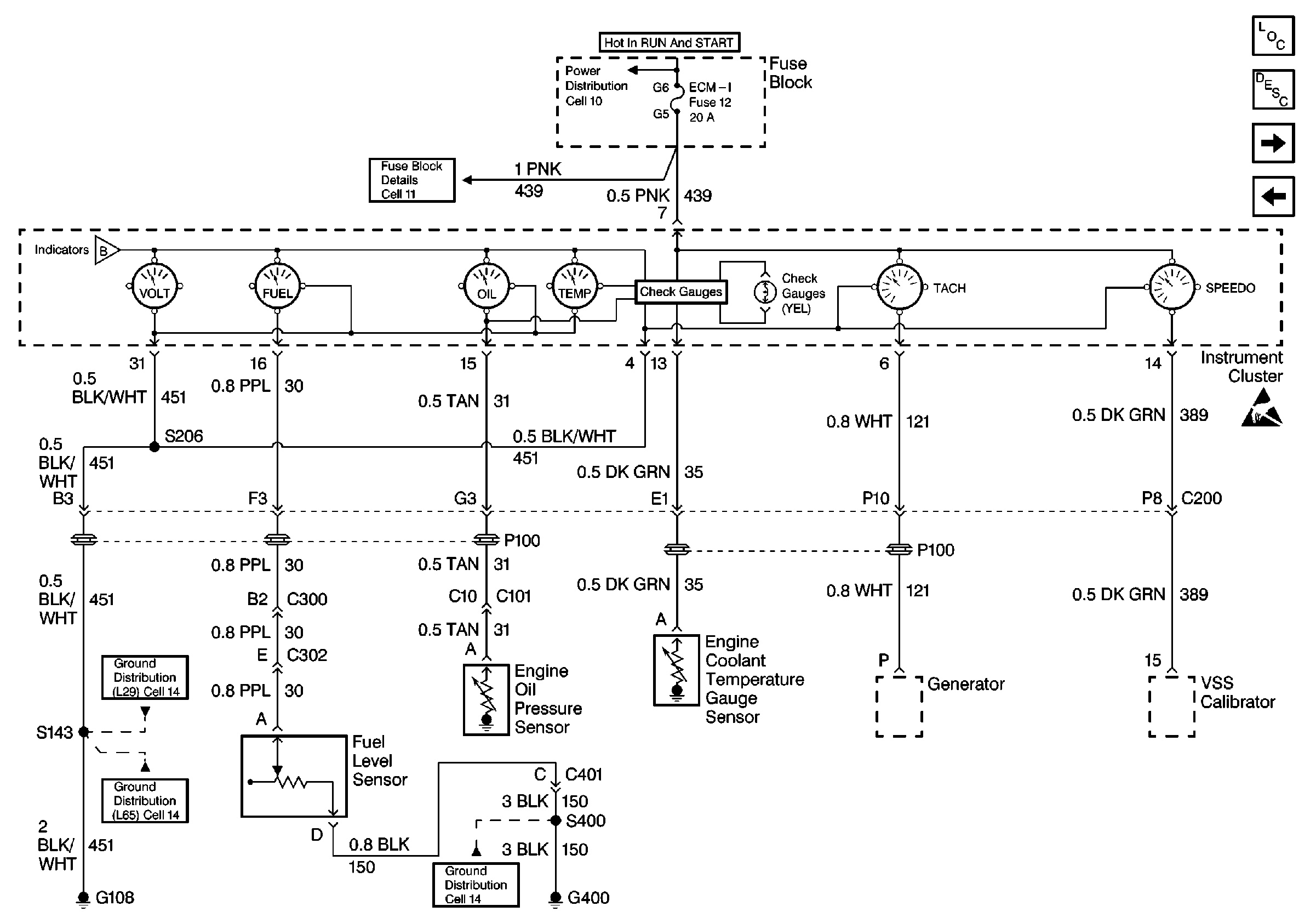
🢒 Cell 81: Gauges [L65]
Cell 81: Gauges [L65]
Cell 81: Gauges [L65]
Instrument Cluster Components P32
Instrument Cluster Circuit Description
Cell 81: Gauges [L29]
Cell 10: Ignition Switch and Fuse Block
Cell 81: Indicators and Illumination Lamps
Cell 11: ECM-I fuse [L29]
Cell 81: Indicators
Handling ESD Sensitive Parts Notice
Cell 14: G108 [L65]
Cell 14: G350, G400, G401, and G402