GM Service Manual Online
For 1990-2009 cars only
Makes
🢒
Chevrolet
🢒
1998
🢒
Chevy P42 Commercial Chassis
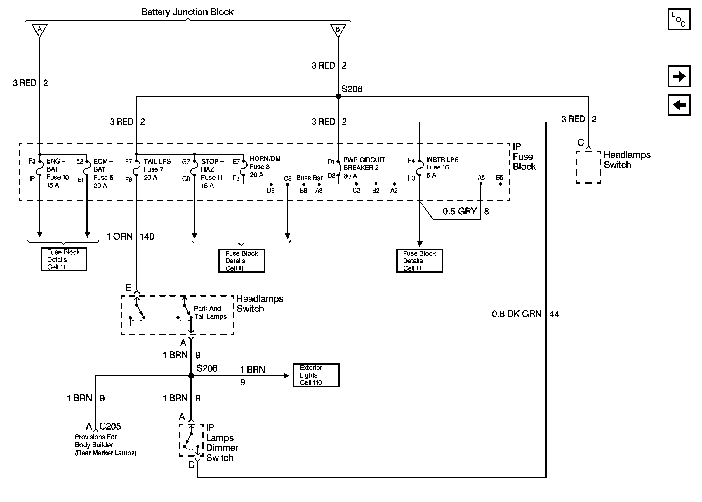
🢒 Cell 10: Fuse Block and Headlamp Switch
Cell 10: Fuse Block and Headlamp Switch
Cell 10: Fuse Block and Headlamp Switch
Power and Grounding Components P42
Cell 10: Ignition Switch and Fuse Block
Cell 10: Battery, Starter, and Junction Block
Cell 10: Battery, Starter, and Junction Block
Cell 10: Battery, Starter, and Junction Block
Cell 11: ECM-BAT and ENG-BAT fuses
Cell 11: STOP-HAZ, TAIL LPS, and HORN/DM fuses, PWR CKT BRKR 2
Cell 11: INSTR LPS, TRANS, and ENG-I fuses
Cell 110: Headlamps Switch and Turn Signal Indicators