GM Service Manual Online
For 1990-2009 cars only
Makes
🢒
Chevrolet
🢒
1998
🢒
Chevy P42 Commercial Chassis
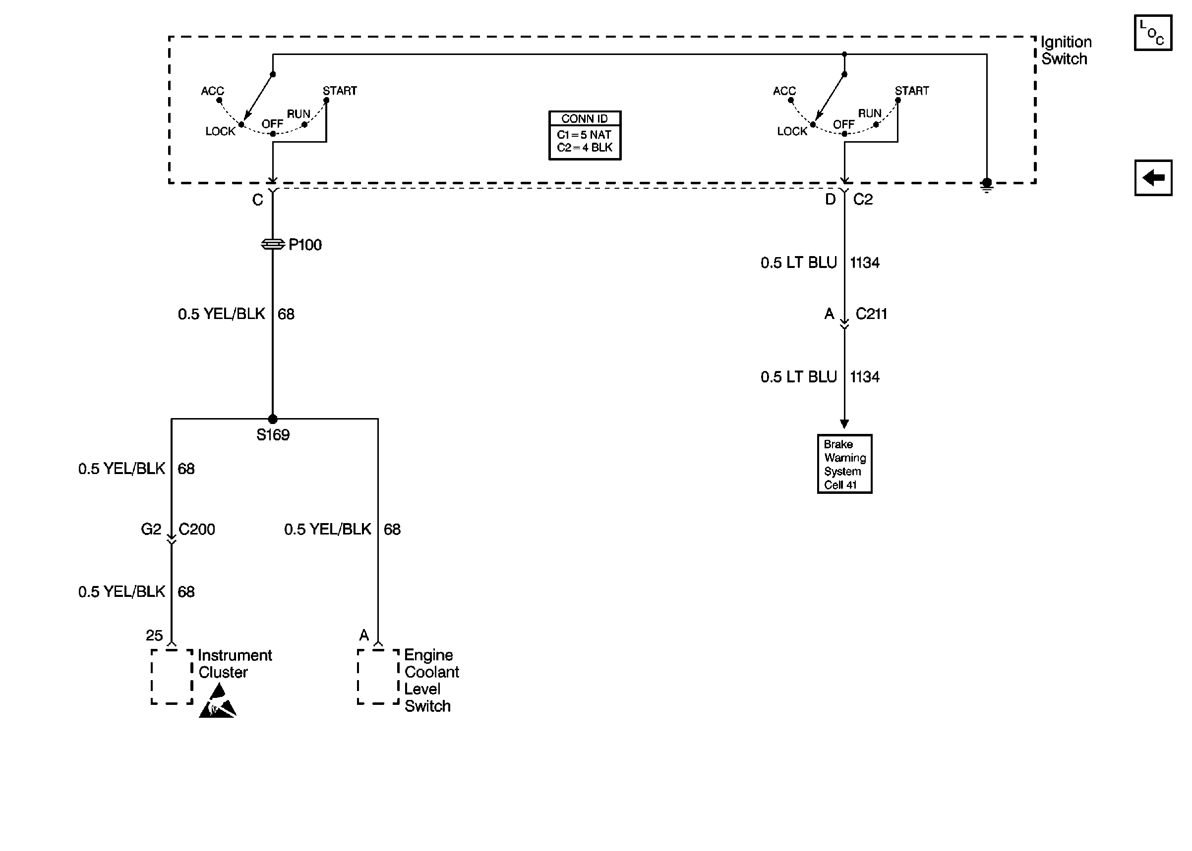
🢒 Cell 10: Ignition Switch
Cell 10: Ignition Switch
Cell 10: Ignition Switch
Power and Grounding Components P42
Cell 10: Ignition Switch and Fuse Block
Handling ESD Sensitive Parts Notice
Cell 41: Brake Warning System - US