GM Service Manual Online
For 1990-2009 cars only
Makes
🢒
Chevrolet
🢒
1998
🢒
Chevy P42 Commercial Chassis
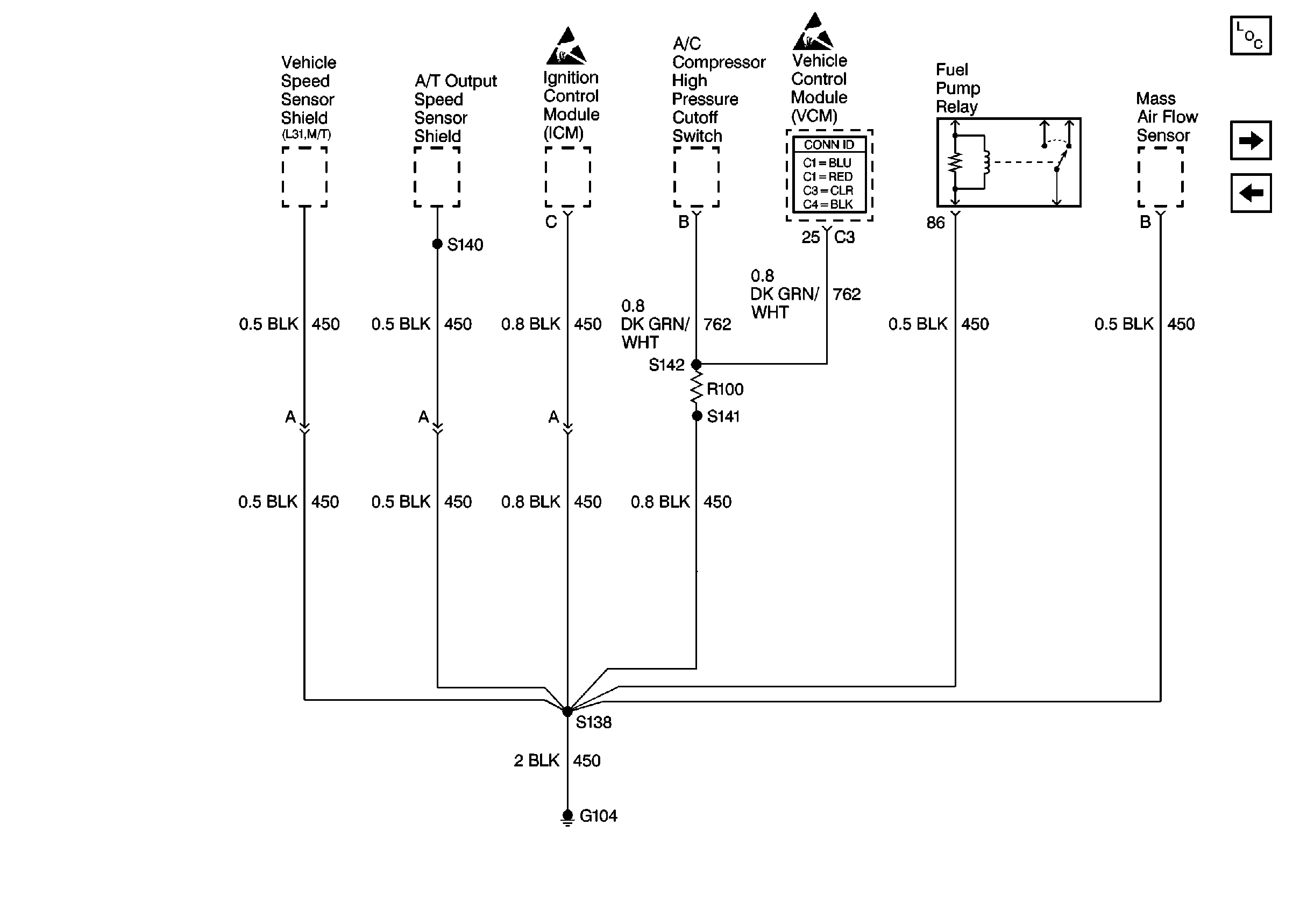
🢒 Cell 14: G104 [L31/L35]
Cell 14: G104 [L31/L35]
Cell 14: G104 [L31/L35]
Power and Grounding Components P42
Cell 14: G102 [L31/L35]
Cell 14: G108 [L57]
Handling ESD Sensitive Parts Notice
Handling ESD Sensitive Parts Notice