GM Service Manual Online
For 1990-2009 cars only
Makes
🢒
Chevrolet
🢒
1998
🢒
Chevy P42 Commercial Chassis
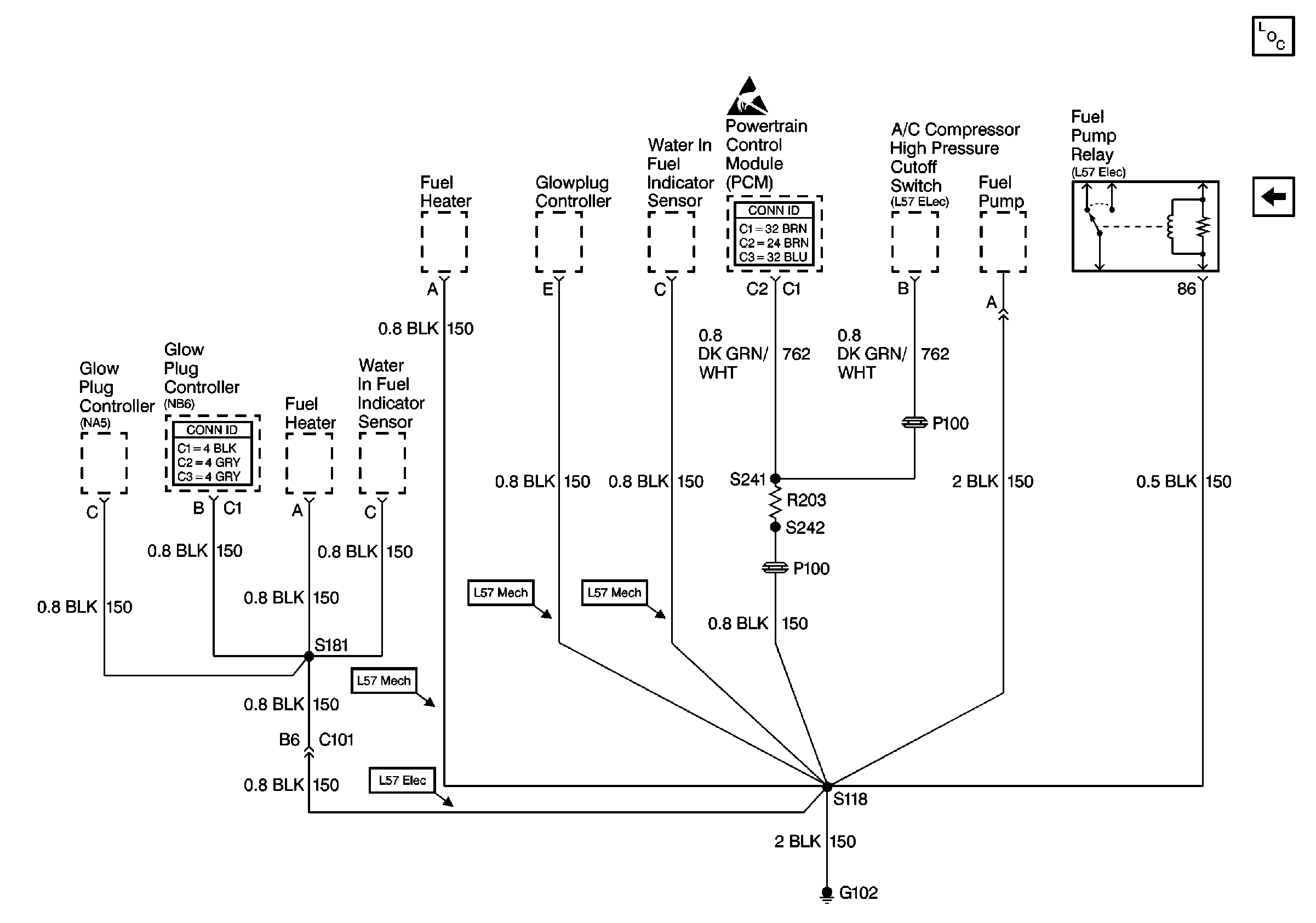
🢒 Cell 14: G102 [Diesel L57]
Cell 14: G102 [Diesel L57]
Cell 14: G102 [Diesel L57]
Power and Grounding Components P42
Cell 14: G102 [L31/L35]
Handling ESD Sensitive Parts Notice