GM Service Manual Online
For 1990-2009 cars only
Makes
🢒
Chevrolet
🢒
1998
🢒
Chevy P42 Commercial Chassis
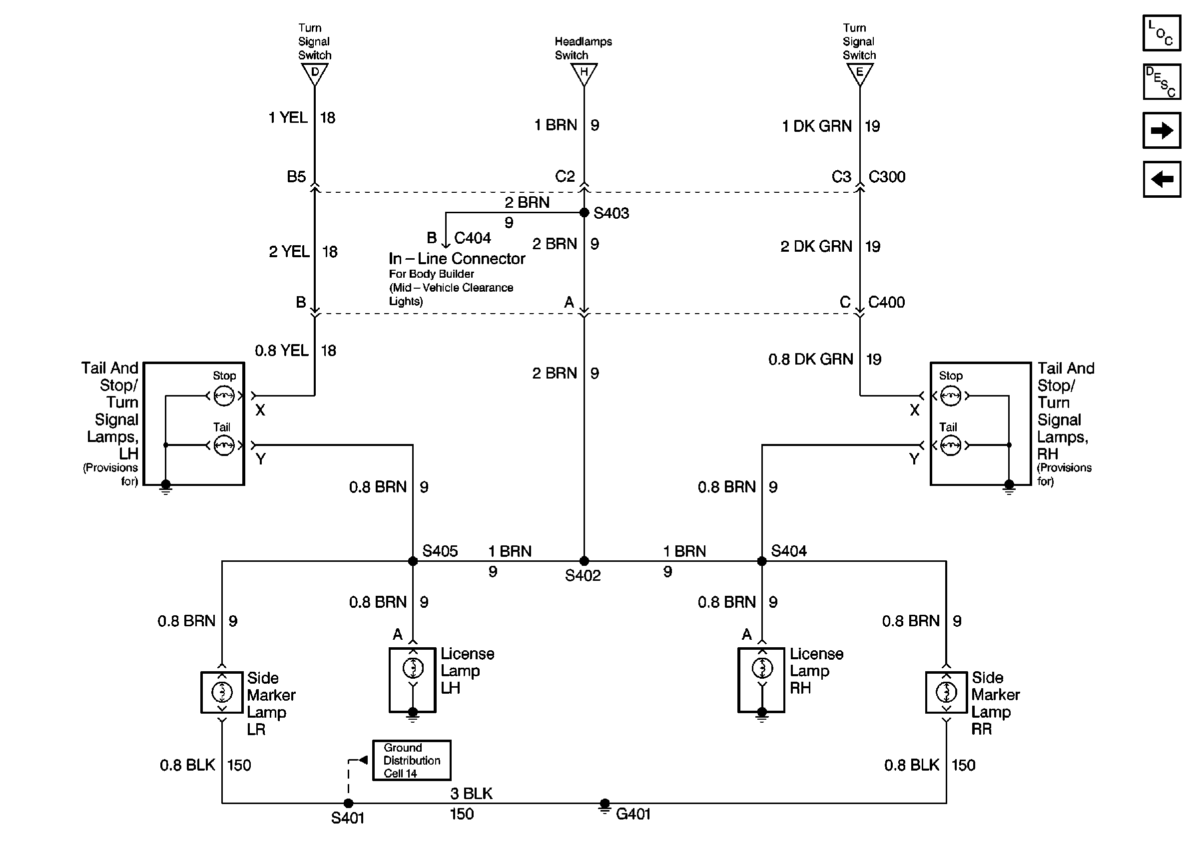
🢒 Cell 110: Rear Lamps
Cell 110: Rear Lamps
Cell 110: Rear Lamps
Lighting Systems Components P32
Exterior Lights Circuit Description P32
Cell 110: Rear Lamps [Export Only]
Cell 110: Forward Lamps
Cell 110: Turn Signal Switch
Cell 110: Headlamps Switch and IP Cluster
Cell 110: Turn Signal Switch
Cell 14: G350, G400, G401, and G402