GM Service Manual Online
For 1990-2009 cars only
Makes
🢒
Chevrolet
🢒
1998
🢒
Chevy P42 Commercial Chassis
🢒 Cell 20: Fuel Controls - Injector Controls
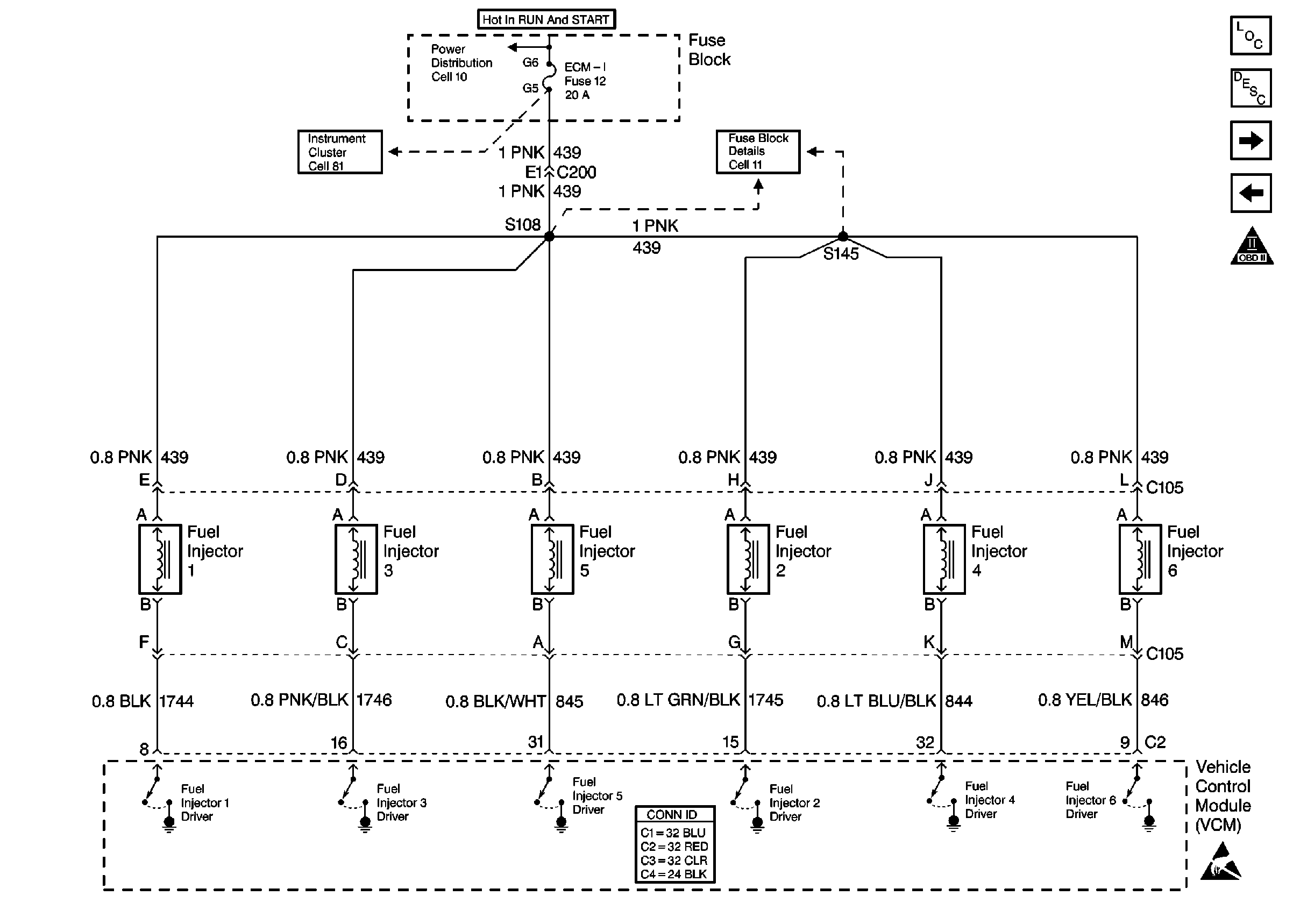
Cell 20: Fuel Controls - Injector Controls
Cell 20: Fuel Controls -- Injector Controls
Engine Controls Components
Fuel Metering System Component Description
Cell 20: Engine Data Sensors - MAP, IAT, TP, ECT
Cell 20: Fuel Controls - Fuel Pump
OBD II Symbol Description Notice
Cell 81: Gauges [L31, L35]
Cell 10: Ignition Switch and Fuse Block
Cell 11: ECM-I fuse [L35]
Handling ESD Sensitive Parts Notice