GM Service Manual Online
For 1990-2009 cars only
Makes
🢒
Chevrolet
🢒
1998
🢒
Chevy P42 Commercial Chassis
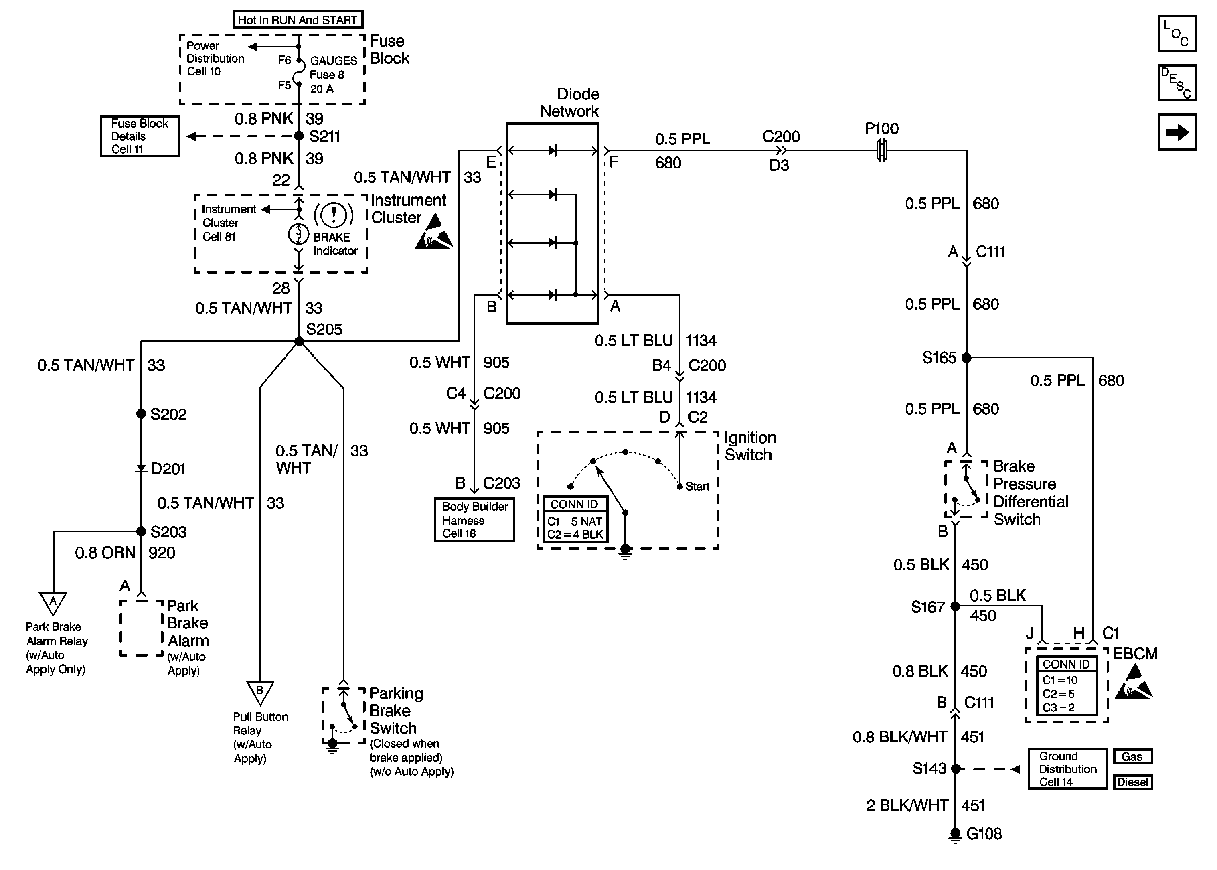
🢒 Cell 41: Brake Warning System - US
Cell 41: Brake Warning System - US
Cell 41: Brake Warning System -- US
Hydraulic Brakes Components P32 and Export
Brake Warning System Description P32
Cell 11: GAUGES and TRANS fuses
Cell 10: Ignition Switch and Fuse Block
Cell 81: Indicators
Handling ESD Sensitive Parts Notice
Cell 18: Door Ajar Switch, Dome Lamp, Park Accessory, Low Current, and Horns
Handling ESD Sensitive Parts Notice
Cell 14: G108 [L29]
Cell 14: G108 [L65]
Cell 41: Auto Apply Relays
Cell 41: Auto Apply Relays