GM Service Manual Online
For 1990-2009 cars only
Makes
🢒
Chevrolet
🢒
1998
🢒
Chevy P42 Commercial Chassis
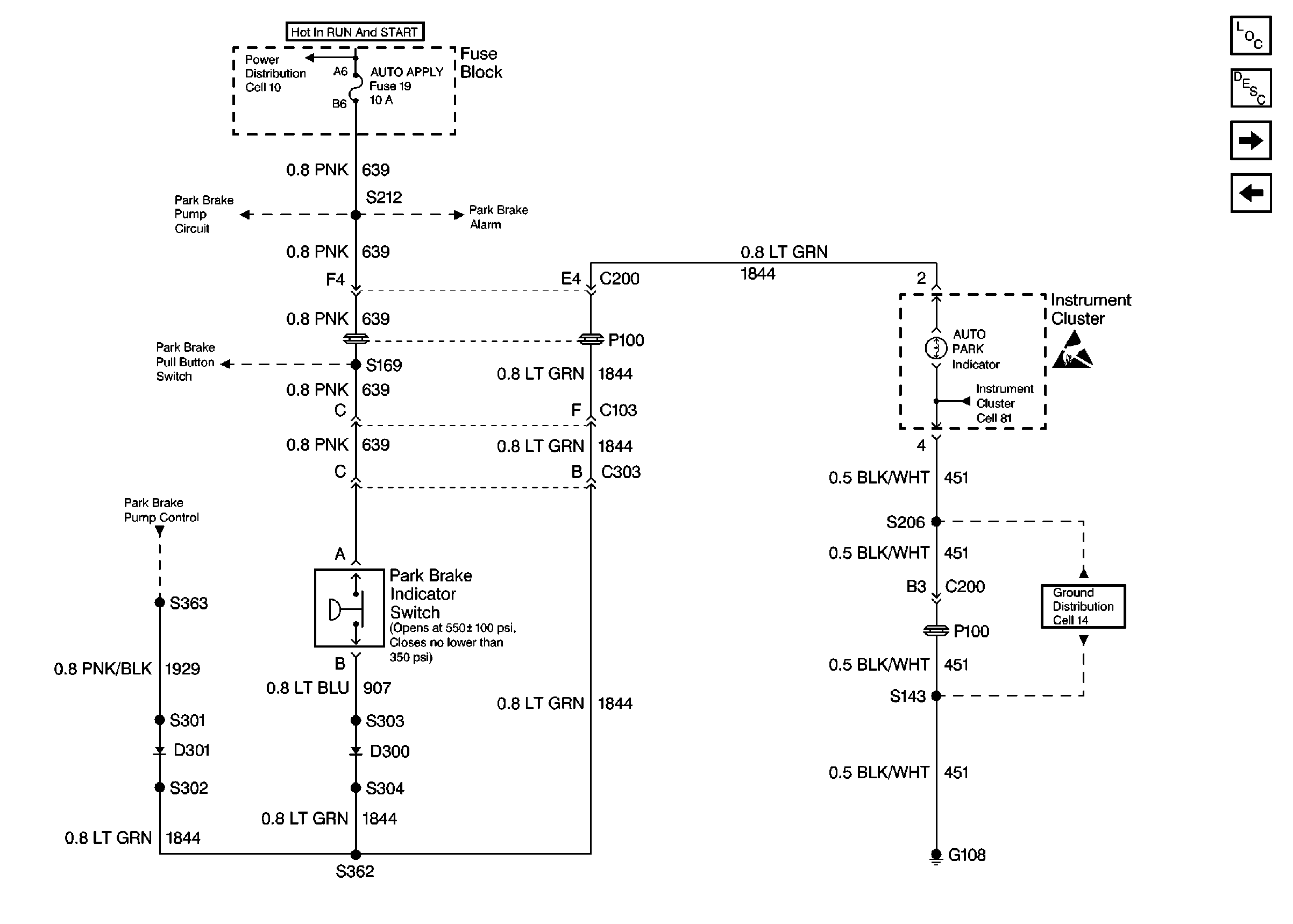
🢒 Cell 41: AUTO PARK Warning Circuit
Cell 41: AUTO PARK Warning Circuit
Cell 41: AUTO PARK Warning Circuit
Park Brake System Components
Electric/Auto Park Circuit Description
Cell 41: Park Brake Alarm
Cell 41: Park Brake Pump Control
Cell 41: Park Brake Pump Control
Cell 41: Park Brake Pump Control
Cell 10: Ignition Switch and Fuse Block
Cell 41: Park Brake Alarm
Handling ESD Sensitive Parts Notice
Cell 14: G108 [L29]
Cell 41: Park Brake Pump Control