GM Service Manual Online
For 1990-2009 cars only
Makes
🢒
Chevrolet
🢒
1998
🢒
Chevy P42 Commercial Chassis
🢒 Cell 40
Cell 40
Cell 40
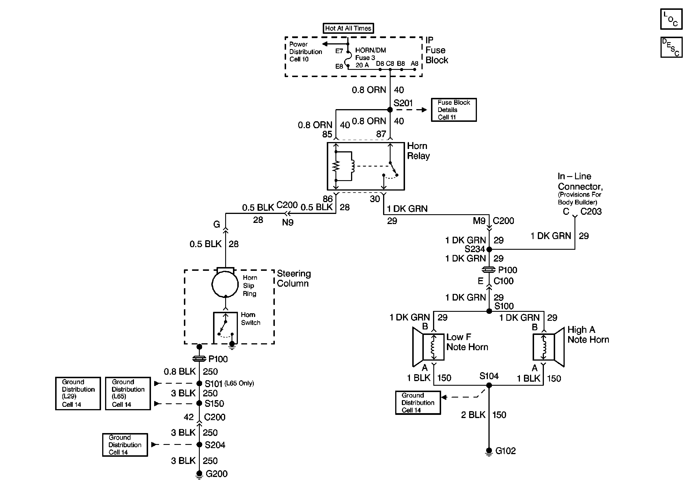
Horn Component Views P32
Horns Circuit Description
Power Distribution Schematics P32
Fuse Block Schematics P32
Ground Distribution Schematics P32
Ground Distribution Schematics P32
Ground Distribution Schematics P32
Ground Distribution Schematics P32