GM Service Manual Online
For 1990-2009 cars only
Makes
🢒
Chevrolet
🢒
1998
🢒
Chevy P42 Commercial Chassis
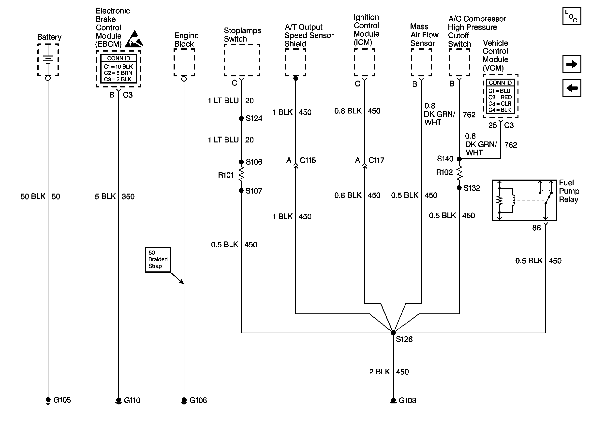
🢒 Cell 14: G103, G105, G106, and G110 [L29]
Cell 14: G103, G105, G106, and G110 [L29]
Cell 14: G103, G105, G106, and G110 [L29]
Power and Grounding Components P32
Cell 14: S110 [L57]
Cell 14: G101, G102, and G107 [Dual Headlamps]
Handling ESD Sensitive Parts Notice