GM Service Manual Online
For 1990-2009 cars only

Turn Signal Cancel Cam and Upper Bearing Inner Race - Disassemble - Off Vehicle Column Shift

Tools Required

    • J 41352 Modular Column Holding Fixture
    • J 23653-SIR Lock Plate Compressor
    • J 23653-91 Lock Plate Compressor Adapter

    Object Number: 367752  Size: SH
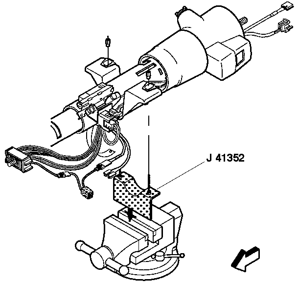
  1. Set the steering column and J 41352 into a vise.
  2. Important: The column must be in the center position.

  3. Remove only those components necessary to do the repairs.
  4. Check the steering column jacket assembly for accident damage. Refer to Steering Column Accident Damage Inspection - Off Vehicle .

  5. Object Number: 367718  Size: SH
  6. Remove the lock bolt guard (1) from the steering column (2).

  7. Object Number: 343728  Size: SH
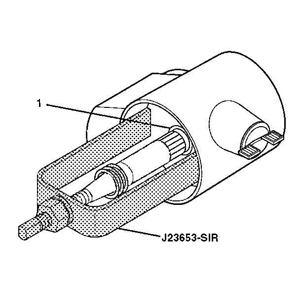
  8. Compress the shaft lock cam using J 23653-91 and J 23653-SIR .
  9. Remove the bearing retainer (1) from the steering shaft assembly.
  10. Dispose of the bearing retainer (1).
  11. Remove J 23653-91 and J 23653-SIR .

  12. Object Number: 344003  Size: SH
  13. Remove the shaft lock cam (1) from the steering shaft assembly.
  14. Remove the turn signal cancel cam assembly (2) from the steering shaft assembly.
  15. Remove the upper bearing spring (3) from the steering shaft assembly.

Turn Signal Cancel Cam and Upper Bearing Inner Race - Disassemble - Off Vehicle Floor Shift

Tools Required

    • J 41352 Modular Column Holding Fixture
    • J 23653-SIR Lock Plate Compressor
    • J 23653-91 Lock Plate Compressor Adapter

    Object Number: 367752  Size: SH
  1. Set the steering column and J 41352 into a vise.
  2. Important: The column must be in the center position.

  3. Remove only those components necessary to do the repairs.
  4. Check the steering column jacket assembly for accident damage. Refer to Steering Column Accident Damage Inspection - Off Vehicle .

  5. Object Number: 367718  Size: SH
  6. Remove the lock bolt guard (1) from the steering column (2).

  7. Object Number: 343728  Size: SH
  8. Compress the shaft lock cam using J 23653-91 and J 23653-SIR .
  9. Remove the bearing retainer (1) from the steering shaft assembly.
  10. Dispose of the bearing retainer (1).
  11. Remove J 23653-91 and J 23653-SIR .

  12. Object Number: 344003  Size: SH
  13. Remove the shaft lock cam (1) from the steering shaft assembly.
  14. Remove the turn signal cancel cam assembly (2) from the steering shaft assembly.
  15. Remove the upper bearing spring (3) from the steering shaft assembly.