GM Service Manual Online
For 1990-2009 cars only
Makes
🢒
Chevrolet
🢒
1999
🢒
Chevy P42 Commercial Chassis
🢒
Body and Accessories
🢒
Horns
🢒 Horn Schematics
Horn Schematics P32
Cell 40
Horn Component Views P32
Horns Circuit Description
Cell 10: Fuse Block
Cell 11: STOP-HAZ, TAIL LPS, and HORN DM fuses
Cell 14: S150 and S101 [L29]
Cell 14: S150 and S101 [L65]
Cell 14: G200
Cell 14: G101, G102, and G107 [Single Headlamps]
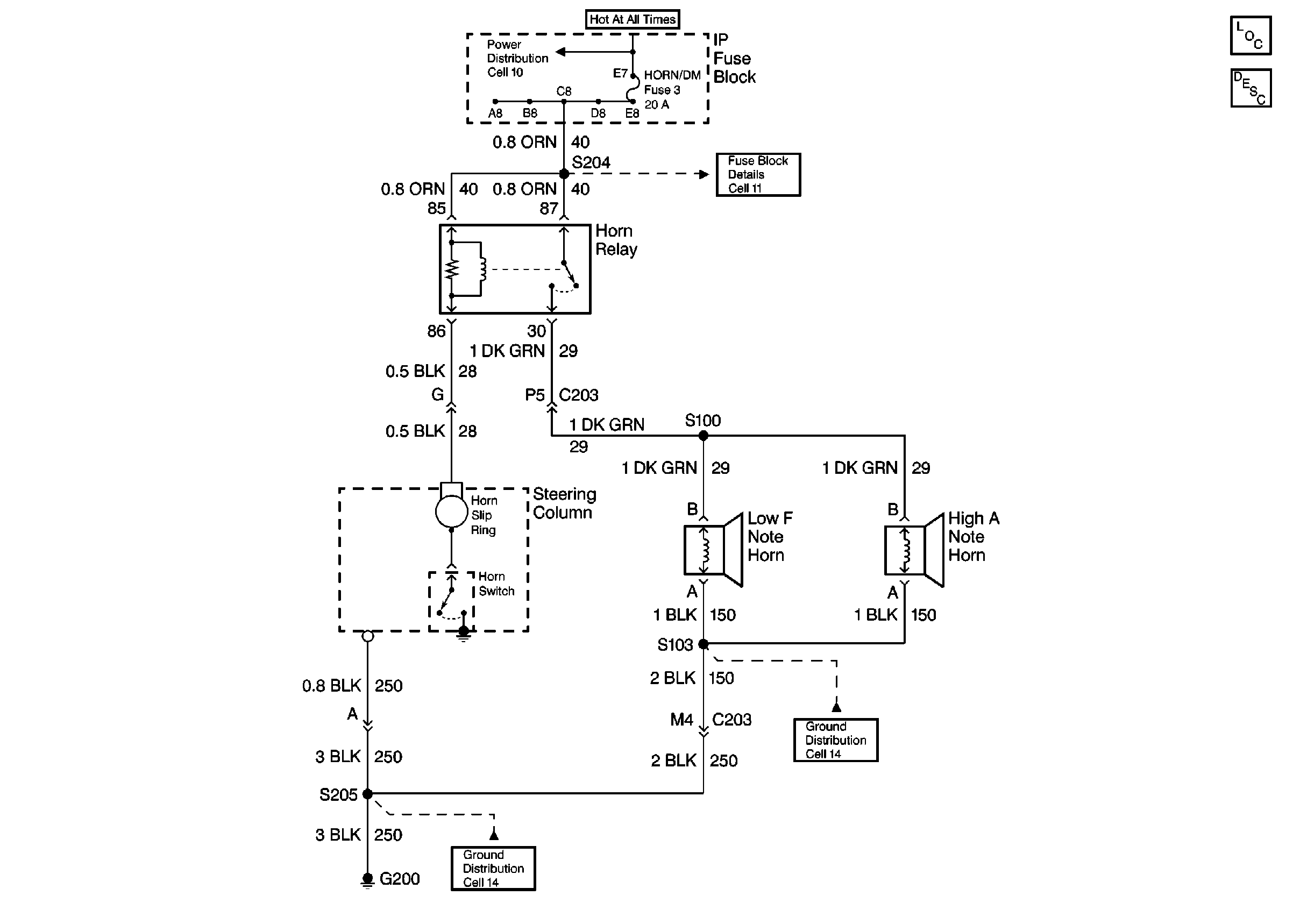
Horn Schematics P42
Cell 40
Horn Component Views P42
Horns Circuit Description
Cell 11: STOP-HAZ, TAIL LPS, and HORN/DM fuses, PWR CKT BRKR 2
Cell 14: G200
Cell 14: S103