GM Service Manual Online
For 1990-2009 cars only
Makes
🢒
Chevrolet
🢒
1999
🢒
Chevy P42 Commercial Chassis
🢒 Cell 22: A/T Controls
Cell 22: A/T Controls
Cell 22: A/T Controls
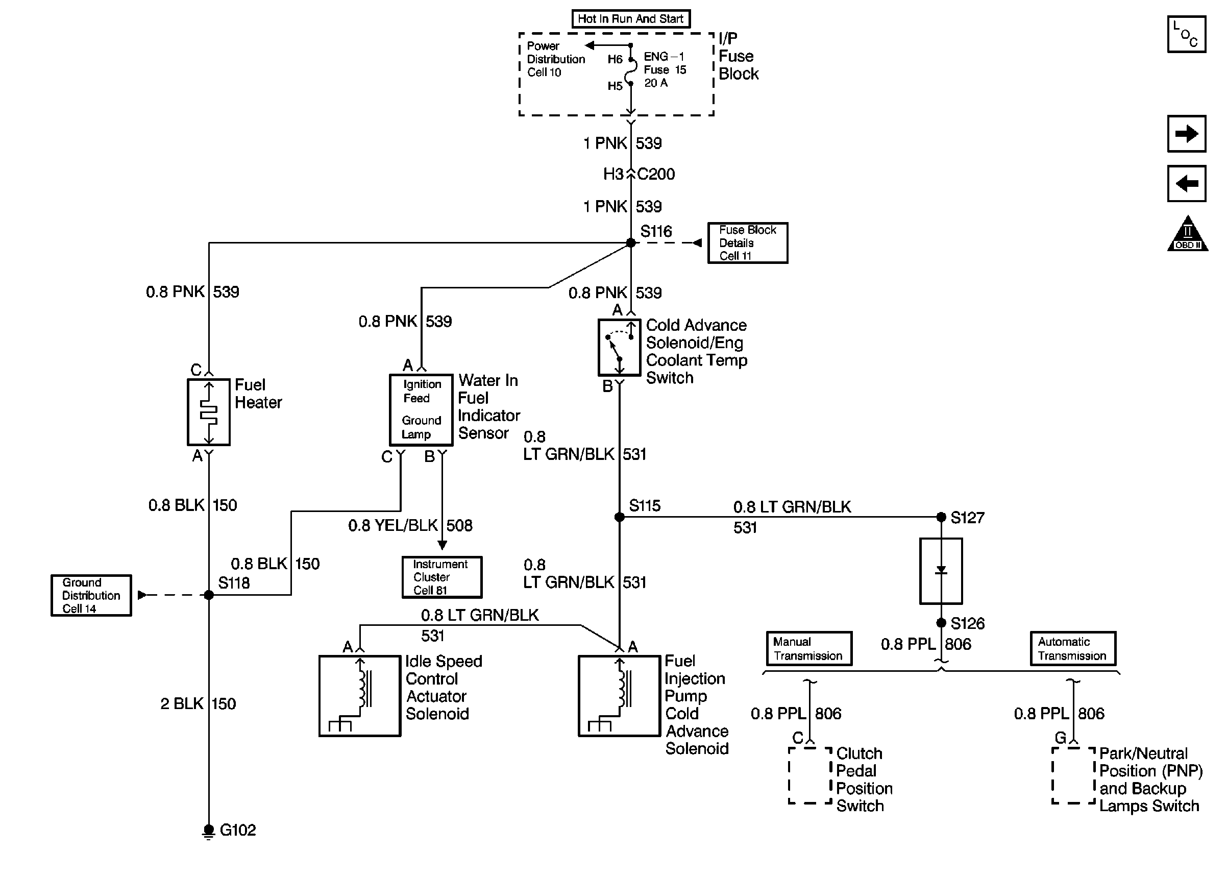
Engine Controls Components L57 MFI
Cell 22: TCM, Sensors
Cell 22: Fuel Controls
OBD II Symbol Description Notice