GM Service Manual Online
For 1990-2009 cars only
Makes
🢒
Chevrolet
🢒
1999
🢒
Chevy P42 Commercial Chassis
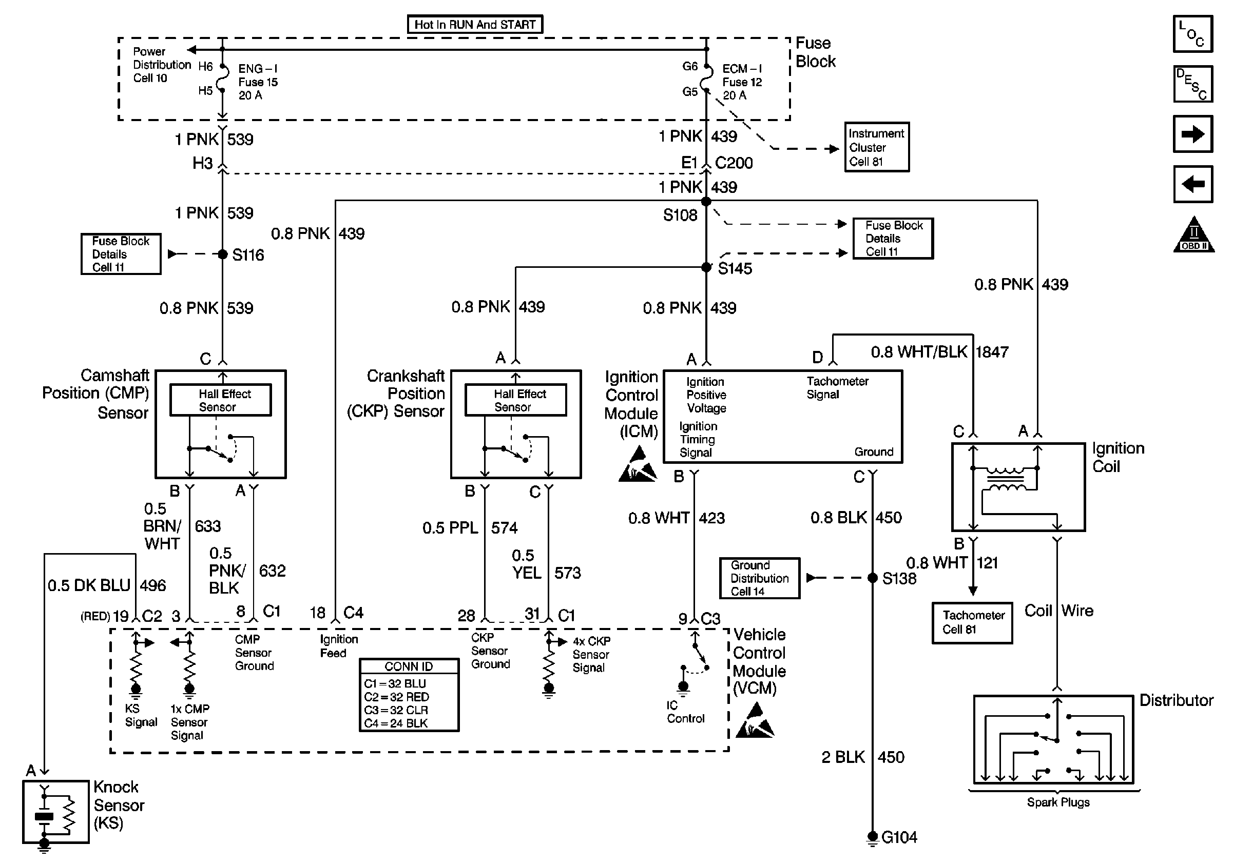
🢒 Cell 21: Ignition System
Cell 21: Ignition System
Cell 21: Ignition System
Engine Controls Components
Enhanced Ignition System Description
Cell 21: Fuel Controls - Pump Control
Cell 21: Power and Grounding
OBD II Symbol Description Notice
Cell 11: Engine Control Sensors
Cell 10: Ignition Switch and Fuse Block
Cell 81: Gauges [L57]
Cell 11: ECM-I fuse [L35]
Cell 81: Gauges [L57]
Handling ESD Sensitive Parts Notice
Cell 14: G104 [L31/L35]
Handling ESD Sensitive Parts Notice