GM Service Manual Online
For 1990-2009 cars only
Makes
🢒
Chevrolet
🢒
1999
🢒
Chevy P42 Commercial Chassis
🢒 Cell 23: Air Conditioning Controls
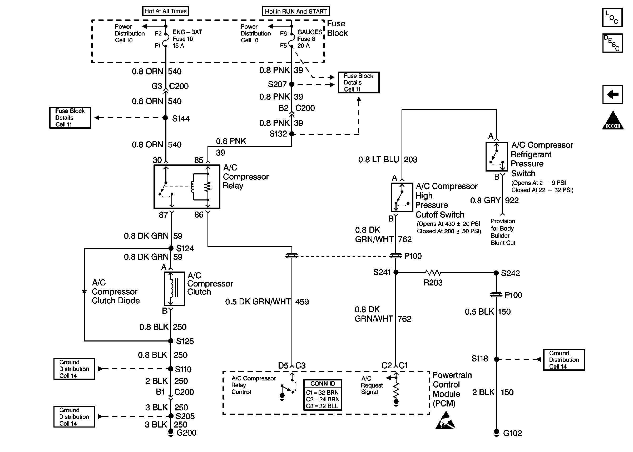
Cell 23: Air Conditioning Controls
Cell 23: Air Conditioning Controls
Engine Controls Components L57 EFI
Relays and Sensors Description
Cell 23: A/T Controls 2 - TR, TFT, TISS, PC Solenoid
OBD II Symbol Description Notice
Cell 11: ECM-BAT and ENG-BAT fuses
Cell 10: Fuse Block and Headlamp Switch
Cell 10: Ignition Switch and Fuse Block
Cell 11: Gauges fuse
Handling ESD Sensitive Parts Notice
Cell 14: G200
Cell 14: S110 [L57]