GM Service Manual Online
For 1990-2009 cars only
Makes
🢒
Chevrolet
🢒
1999
🢒
Chevy P42 Commercial Chassis
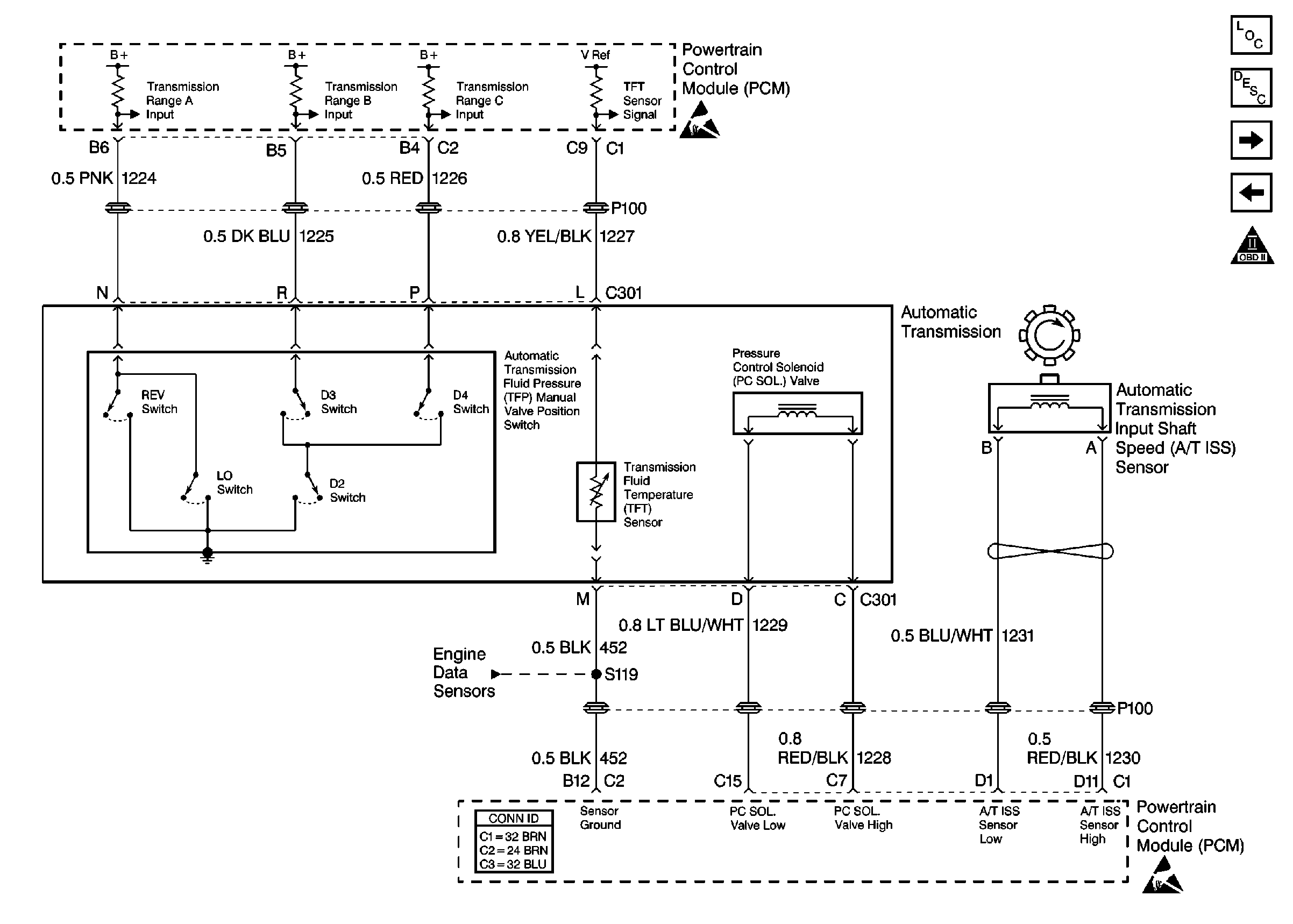
🢒 Cell 22: A/T Controls 2 - TR Circuits, TFT, PC Sol. Valve, TISS
Cell 22: A/T Controls 2 - TR Circuits, TFT, PC Sol. Valve, TISS
Cell 22: A/T Controls 2 -- TR Circuits, TFT, PC Sol. Valve, TISS
Engine Controls Components
Electronic Component Description
Cell 22: Air Conditioning Controls
Cell 22: A/T Controls 1 - Internal Solenoids, Brake Switches
OBD II Symbol Description Notice
Handling ESD Sensitive Parts Notice
Handling ESD Sensitive Parts Notice
Cell 22: Engine Data Sensors and Wastegate Solenoid