GM Service Manual Online
For 1990-2009 cars only
Makes
🢒
Chevrolet
🢒
1997
🢒
Chevy P62 Commercial Chassis
🢒 Engine Controls (Cell 22:A/T Controls 2)
Engine Controls (Cell 22:A/T Controls 2)
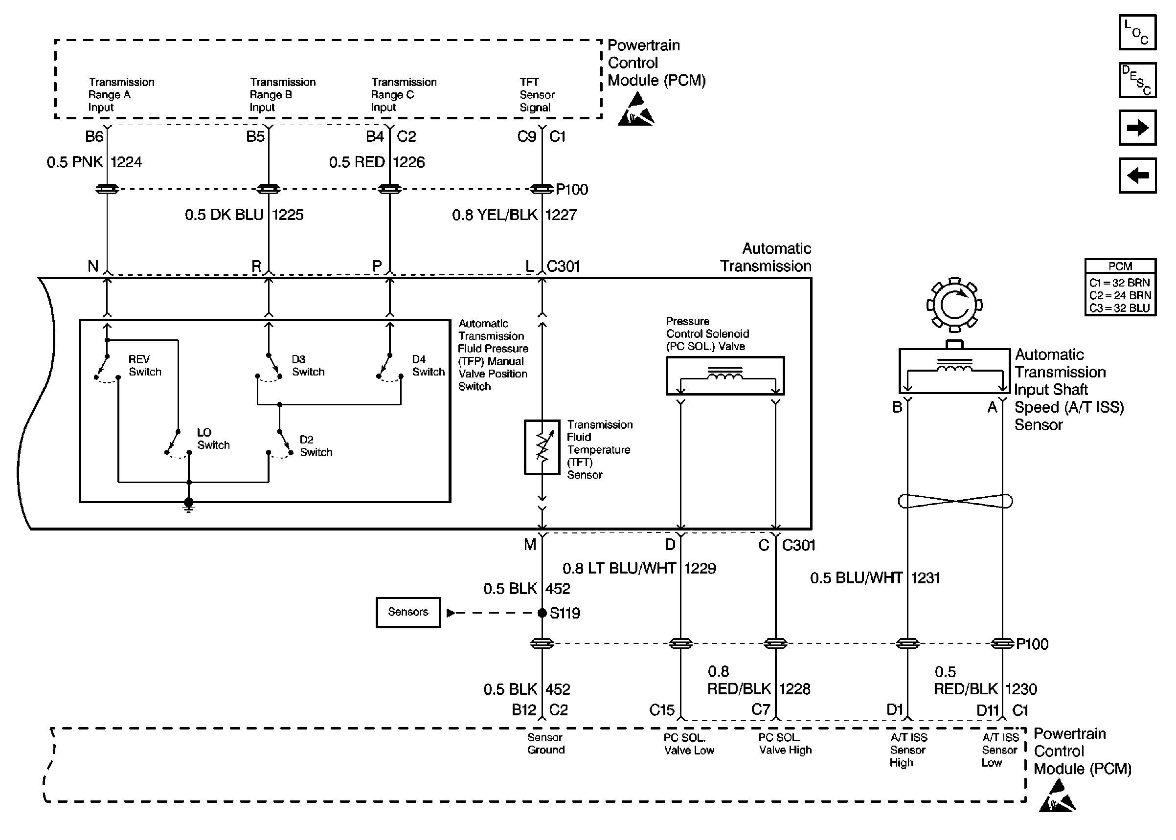
Engine Controls (Cell 22: A/T Controls 2)
Engine Controls Components
Engine Controls (Cell 22: A/C Controls)
Engine Controls (Cell 22: A/T Controls 1)
ESD Notice
ESD Notice