GM Service Manual Online
For 1990-2009 cars only

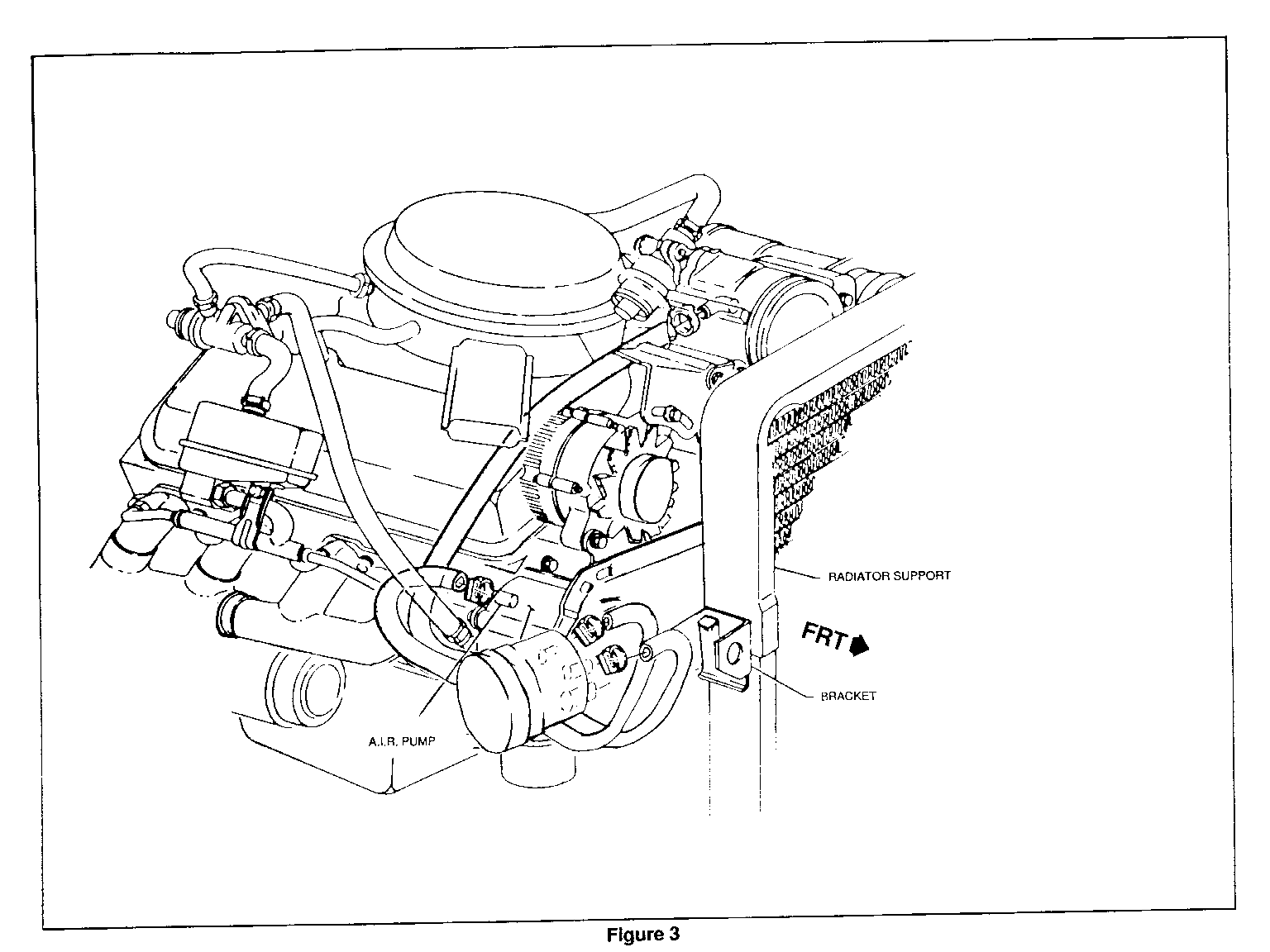
WATER IN A.I.R. PUMP/AIR CLEANER ASSY.(MOUNT CLAMP)

Subject: WATER IN A.I.R. PUMP AIR CLEANER ASSEMBLY

Model and Year: 1985-89 P3 MOTORHOME CHASSIS WITH LE8 7.4L (VIN CODE W) ENGINE

TO: ALL CHEVROLET DEALERS

Some 1985-89 P3 motorhome chassis equipped with LE8 (7.4L) carbureted engines may experience a condition where rain water or water being splashed from the road surface becomes trapped inside the A.I.R. pump air cleaner assembly.

If this condition is encountered it can be corrected by replacing the original air cleaner mounting clamp with a newly released service mounting clamp part # 15654344 (Figure 1). The original design mounting clamp and hose routing is shown in Figure 2. When installing this new service clamp, it will be necessary to reroute the A.I.R. injection hoses and flexible duct as illustrated in Figures 3 and 4. Due to differences in motorhome body styles, it may be necessary to modify the lengths of the existing A.I.R. pump hoses.

SERVICE PARTS INFORMATION

Part # Description Quantity -------- -------------- -------- 15654344 Mounting clamp 1

Parts are currently available from GMSPO.

WARRANTY INFORMATION

For vehicles under warranty use:

Labor Operation: T7066

Labor Time: .8 h r.

Failure Code: 92

NOTE: Labor Operation is coded to emissions warranty coverage in the warranty system.


Object Number: 85947  Size: LF


Object Number: 86450  Size: LF


Object Number: 74637  Size: FS


Object Number: 75074  Size: FS

General Motors bulletins are intended for use by professional technicians, not a "do-it-yourselfer". They are written to inform those technicians of conditions that may occur on some vehicles, or to provide information that could assist in the proper service of a vehicle. Properly trained technicians have the equipment, tools, safety instructions and know-how to do a job properly and safely. If a condition is described, do not assume that the bulletin applies to your vehicle, or that your vehicle will have that condition. See a General Motors dealer servicing your brand of General Motors vehicle for information on whether your vehicle may benefit from the information.