GM Service Manual Online
For 1990-2009 cars only

CAMPAIGN: FRT. SHOCK ABSORBER UPPER MOUNTING BOLT

MODELS: 1985 P30/35 Model Light Duty Trucks Equipped With RPO FS3, 5,000 LB I-Beam Front Axle

General Motors of Canada has determined that some 1985 P30/35 Model Light Duty Trucks equipped with RPO FS3, 5,000 Lb. I-beam front axle, may experience the front upper shock absorber mounting bolt pulling through the frame on one or both sides. To prevent the possibility of this condition occurring, involved vehicles must have the front shock absorbers replaced and the frame rails inspected for cracks that necessitates frame rail repairs.

VEHICLES INVOLVED:

Involved are certain 1985 P30/35 Model Light Duty Trucks equipped with RPO FS3 I-beam front axle. The vehicles involved were built within the following VIN breakpoints:

GMC Plant From Through ----- ---- ------- Detroit sop F3510492

CHEV sop F3347179

All affected vehicles have been identified by the VIN listing provided to involved Dealers with this bulletin. Any Dealer not receiving a listing was not shipped any of the affected vehicles.

DEALER CAMPAIGN RESPONSIBILITY:

Dealers are to service all vehicles subject to this campaign at no charge to owners, regardless of mileage, age of vehicle, or ownership, from this time forward.

Whenever a vehicle subject to this campaign is taken into your new or used vehicle inventory, or it is in your Dealership for service in the future, you should take the steps necessary to be sure the campaign correction has been made before reselling or releasing the vehicle. Owners of vehicles recently sold from your new vehicle inventory are to be contacted by the Dealer, and arrangements made to make the required modification according to instructions contained in this bulletin.

CAMPAIGN PROCEDURE:

Refer to Section 4 of the Service Policies and Procedures Manual for the detailed procedure on handling Product Campaigns. Dealers are requested to complete the campaign on all transfers as soon as possible.

OWNER NOTIFICATION:

All owners of record at the time of campaign release are shown on the attached computer listing and have been notified by first class mail from General Motors. The listings provided are for campaign activity only and should not be used for any other purpose.

PARTS INFORMATION:

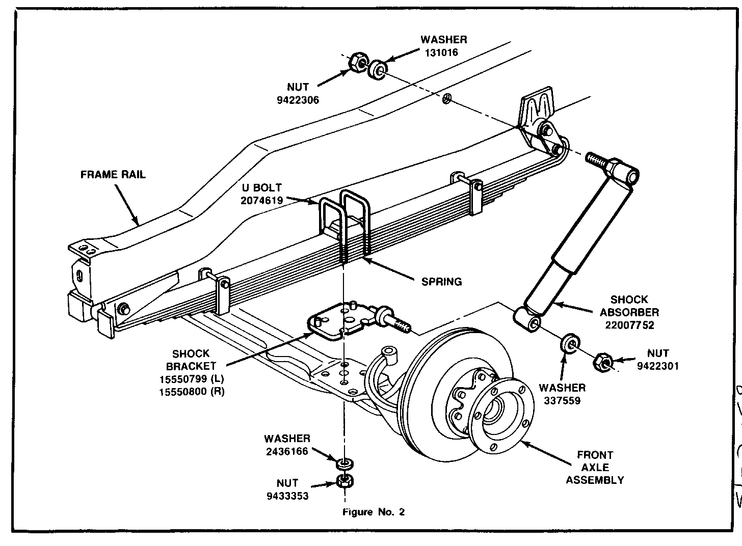
Part Number Description Quantity ----------- ------------ -------- 15550797 Kit 1

One Kit Required Per Vehicle to be ordered through regular channels.

Kit Contents:

15550798 Instructions 1 131016 Washer - Shock Mtr Upper 2 9422306 Nut - Shock Mtg Upper 2 15550799 Bracket Asm - LH 1 15550800 Bracket Asm - RH 1 22007752 Shock Absorber Asm 2 2074619 U-Bolt 4 9433353 Nut-U-Bolt 8 2436166 Washer-U-Bolt 8 9422301 Nut-Shock Mtg Lower 2 337559 Washer-Shock Mtg Lower 2

PARTS AND LABOUR CLAIM INFORMATION:

Credit for the campaign work performed will be paid upon receipt of a properly completed campaign claim card or RAPID terminal transmission in accordance with the following:

Repair Code Operation Time Allowance ------------ --------- --------------- 2A Inspect vehicle, test for cracks, 3.2 hr. install new shock absorbers and new lower shock absorber mounting brackets.

3A Inspect venicle, test for cracks, 4.1 hr. weld and redrill one upper shock absorber bolt hole, install new shock absorbers and new lower shock absorber mounting brackets.

4A Inspect vehicle,test for cracks, 4.9 hr. weld and redrill two upper shock absorber bolt holes, install new shock absorbers and new lower shock absorber mounting brackets.

5A Inspect vehicle, test for cracks, 4.3 hr. repair cracks, weld and redrill upper shock absorber bolt hole (one side), install new shock absorbers and new lower shock absorber mounting brackets.

6A Inspect vehicle, test for cracks, 5.4 hr. repair cracks, weld and redrill upper shock absorber bolt holes (two sides), install new shock absorbers and new lower shock absorber mounting brackets.

6A Inspect vehicle, test for cracks, 5.2 hr. weld and redrill one upper shock absorber bolt hole (one side). Repair frame cracks, weld and redrill upper shock absorber bolt hole (opposite side). Install new shock absorbers and new lower shock absorber mounting brackets.

Time allowance includes 0.1 hour for Dealer administrative detail associated with this campaign. Parts credit will be based on dealer net plug 30% to cover parts handling. An amount of $9.24 will be allowed for dye penetrant.

RECOMMENDED TOOLS

Not all units involved in this campaign will require frame rail repair. However, for those that do, repairs will be greatly eased with the use of the following toole:

Die grinders and disc, Figure 1 - A, B, & C

Die grinder arbor, Figure 1 - F

1/8" x 3" cutoff disc, Figure 1 - D

16mm Reamer, Figure 1 - E

Body grinder and discs

4-6" C-clamps, 2 Required

Mig welder - 75% Argon, 25% C02 or 100% C02 Shielding Gas

E70S3 wire 0.035" or 0.045" diameter

Necessary to use to check for cracks:

Dye penetrant - Magnaflux, Pynaflux, Welco (Dye penetrant manufacturer)

To be obtained from local welding suppliers.

SERVICE PROCEDURE

1. Jack and support front end of the vehicle.

2. Remove front wheel.

3. Remove the inner fender skirt if equipped.

4. Remove the existing front shocker absorber. Discard shock and attaching hardware.

5. Inspect the inboard and outboard sides of the frame rail for fuel and brake lines, and electrical wiring. Reposition away from work area as necessary.

Frame Rail Inspection

6. Remove paint off the frame rail at the shock absorber mounting hole using a grinder. The cleaned area should be approximately four inches in diameter.

7. Inspect the frame rail and the shock absorber mounting hole for hole elongation and cracks. The hole diameter should not exceed 16mm.

8. Inspect the frame rail for cracks using a dye penetrant. Carefully follow the instructions suppllied by the manufacturer for safe and correct use of the product.

Frame Rail Repair

9. If the hole diameter is less than or equal to 16mm and no cracks are detected using the dye penetrant, ream out the hole using a 16mm reamer. Do not substitute a 5/8" reamer. Proceed to Step 27.

If the hole is elongated or cracks are detected proceed to the following steps:

10. Clamp two pieces of flat or square stock to the top of the frame rail just above the shock mounting hole. The edges of the stock must hang over the outside surface of the rail. This will be used as a guide when making a template.

11. Make a template out of clear plastic. Place an edge of the plastic against the stock which is clamped to the top of the rall and mark the shock mounting hole and two other reference holes using a grease pencil. Also mark the plastic to distinguish top from bottom.

12. Disconnect the battery ground cable(s).

If hole is elongated but no cracks appear, proceed to Step 16.

Crack Repair

13. Identify the end of each crack and centre punch 1/16" past its end.

14. Drill a 15/64" (6mm) hole through the frame rail at centre punch locations.

15. Use a die grinder and cutoff disc to cut a 60 degree 'V' notch through frame between the drilled holes and the shock mounting hole. The root opening should be 1/16" minimum. See Figure 3.

16. Back up the area to be welded with 3/8" or 1/2" thick copper plate. The plate should be shimmed 0.030 inches from the inside of the rail and hold in place with the two C-clamps. Shimming ensures that the weld metal goes past the back edge of the frame and full weld fusion in obtained on the back side.

NOTE: A copper backing plate is used because it will not fuse with the frame during the welding process. It will be removed when welding is completed.

17. Fill hole and/or cracks completely with E70S3 wire using a mig welder. At least two weld passes should be made. Start at the outer end of the crack(s) and weld towards the centre hole. This will prevent cracks from widening due to heat generated during welding. When cracks are filled, weld the centre hole.

18. Inspect for voids and low spots and reweld as necessary.

19. Remove the copper plate.

20. Grind both sides of the frame smooth using appropriate grinders and reinspect for voids. Reweld as necessary. Make sure that the inner rail crack edges are burnt in for 100% weld penetration.

21. Grind an area approximately 1-1/2" in diameter as flat as possible where the new mounting hole is to be drilled. The repair area should be smooth after grinding to match the rest of the rail. This also includes the inside of the rail.

22. Set up the template as outlined in Steps 10 & 11 and centre punch the shock mounting hole.

23. Drill a 15/64" (6mm) hole.

24. Redrill using a 7/16" (llmm) drill bit.

25. Ream out the hole using a 16mm reamer. Do not substitute a 5/8" reamer. Inspect the inner edge of the hole for voids. Peweld, grind and drill if necessary.

26. Paint the frame rail as required to prevent corrosion using a flat black paint.

Shock Absorber Installation

27. Remove the two front spring to axle u-bolts. Discard bolts, nuts and washers, Figure 2.

28. Remove and discard the lower shock absorber bracket, Figure 2.

29. Install new lower shock bracket and secure using new fasteners. Torque nuts on u-bolts to 110 N.m (80 ft.lbs.), Figure 2.

30. Install new shock absorber on lower bracket and in upper mounting hole in the frame rail. The shock absorber pin is tapered at its base. The shock will not fit flush with the frame rail. Torque upper retaining nut to 110 N.m (80 ft. lbs.) and the lower retaining nut to 50 N.m (40 ft. lbs.).

31. Replace inner fender if equipped.

32. Replace front wheel.

33. Lower vehicle.

34. Repeat entire procedure on opposite side of vehicle.

35. Reconnect negative battery cable(s).

INSTALLATION OF CAMPAIGN IDENTIFICATION LABEL

Clean surface of radiator upper mounting panel and apply a Campaign Identification Label. Make sure the correct campaign number is inserted on the label. This will indicate that the campaign has been completed.

Dear General Motors Customer:

General Motors of Canada has determined that your 1985 GM P30/35 model light duty truck, equipped with an I-beam front axle, may experience the upper shock absorber mounting bolt pulling through the frame rail on one or both sides.

To prevent the possibility of this condition occurring on your vehicle, please contact your GM Dealer in order to arrange an appointment to have the frame rails inspected and, if necessary, repaired. New shock absorbers will be installed. The inspection and necessary corrections will be completed at no charge.

Instructions for making this correction have been sent to your GM Dealer. The time needed to correct your vehicle will be from 3 hours to 5 1/2 hours, depending on the work necessary to complete the job.

This letter identifies your vehicle. Presentation of this letter to your Dealer will assist their Service personnel in completing the necessary correction to your vehicle in the shortest possible time.

Further assistance, if required, may be obtained from the General Motors Zone Office nearest you. Your vehicle Owner's Manual provides the location and phone number of each respective Zone Office.

We are sorry to cause you this inconvenience; however, we have taken the action in the interest of your continued satisfaction with our products.

Your prompt cooperation would be appreciated.


Object Number: 95229  Size: SH


Object Number: 75346  Size: FS


Object Number: 94166  Size: SF

General Motors bulletins are intended for use by professional technicians, not a "do-it-yourselfer". They are written to inform those technicians of conditions that may occur on some vehicles, or to provide information that could assist in the proper service of a vehicle. Properly trained technicians have the equipment, tools, safety instructions and know-how to do a job properly and safely. If a condition is described, do not assume that the bulletin applies to your vehicle, or that your vehicle will have that condition. See a General Motors dealer servicing your brand of General Motors vehicle for information on whether your vehicle may benefit from the information.