GM Service Manual Online
For 1990-2009 cars only
Makes
🢒
Chevrolet
🢒
1998
🢒
Chevy Suburban 4WD - RHD
🢒
Body and Accessories
🢒
Lighting Systems
🢒 Headlights Schematics
Figure
1:
Cell 100: Lighting Fuse
Lighting Systems Components
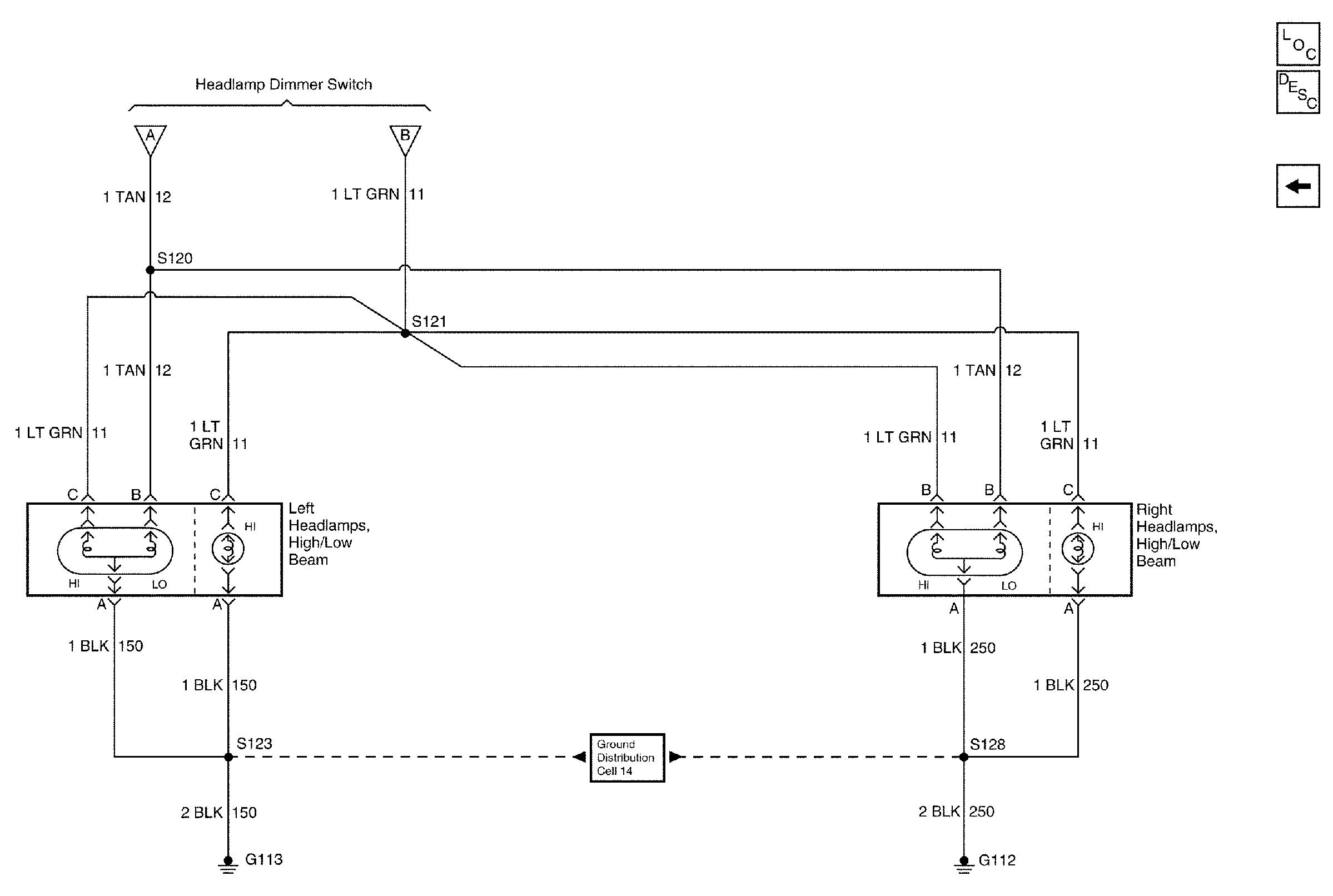
Cell 100: Right and Left Headlamp High/Low Beam
Handling ESD Sensitive Parts Notice
Figure
2:
Cell 100: Right and Left Headlamp High/Low Beam
Lighting Systems Components
Cell 100: Lighting Fuse