GM Service Manual Online
For 1990-2009 cars only

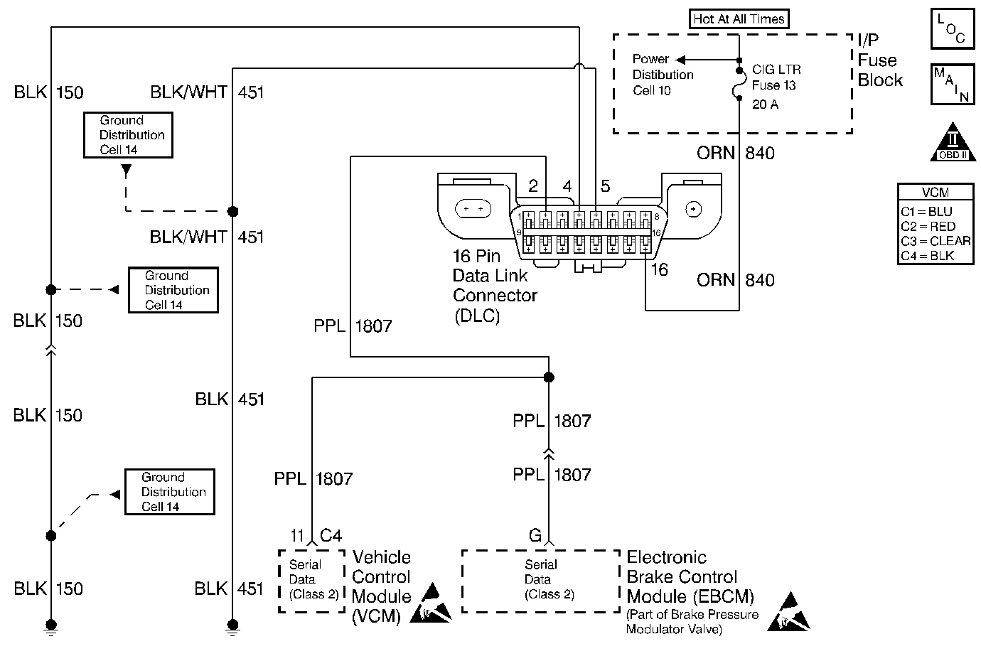
Object Number: 262261  Size: MF
Engine Controls Component Views
Engine Controls Schematics
OBD II Symbol Description Notice
Handling ESD Sensitive Parts Notice
Handling ESD Sensitive Parts Notice

Circuit Description

This diagnostic will detect a loss of serial communication from the electronic brake control module (EBCM) to the control module. This serial communication is essential in order to distinguish misfire from a rough road condition.

Conditions for Running the DTC

    • The vehicle speed is 1 mph(2 km/h) or greater.
    • The engine speed is less than 5,800 RPM.
    • The engine load is less than 89 %.
    • The engine misfire is detected.

Conditions for Setting DTC

A serial data malfunction is preventing the VCM from receiving rough road detection data.

Action Taken When the DTC Sets

The Malfunction Indicator Lamp (MIL) will not be illuminated. A history DTC P1381 will be stored.

Conditions for Clearing the MIL or DTC

    • The control module turns OFF the MIL after 3 consecutive drive trips when the test has run and passed.
    • A history DTC will clear if no fault conditions have been detected for 40 warm-up cycles. A warm-up cycle occurs when the coolant temperature has risen 22°C (40°F) from the startup coolant temperature and the engine coolant reaches a temperature that is more than 70°C (158°F) during the same ignition cycle.
    • Use a scan tool in order to clear the DTCs.

Test Description

Number(s) below refer to the step number(s) on the Diagnostic Table.

  1. This step isolates an open serial data circuit from the EBCM system.

Step

Action

Value(s)

Yes

No

1

Important: Before clearing the DTCs, use the scan tool in order to record the Freeze Frame and the Failure Records for reference. This information will be lost when the Clear DTC Information function is used.

Was the Powertrain On-Board Diagnostic (OBD) System Check performed?

--

Go to Step 2

Go to the Powertrain On Board Diagnostic (OBD) System Check

2

  1. Disconnect the VCM and EBCM.
  2. Check the serial data circuit between the VCM and the EBCM for an open.

Was a problem found?

--

Go to Step 3

Go to Antilock Brake System (ABS)

3

Repair as necessary. Refer to Wiring Repairs in Repair Instructions.

Is the action complete?

--

Go to Step 4

--

4

  1. Use the scan tool in order to select the DTC and the Clear DTC Information functions.
  2. Start the engine.
  3. Allow the engine to idle until normal operating temperature is reached.
  4. Select the DTC and the Clear DTC functions.
  5. Enter the DTC number which was set.
  6. Operate the vehicle within the conditions for setting this DTC as specified in the supporting text.

Does the scan tool indicate that this diagnostic ran and passed?

--

Go to Step 5

Go to Step 2

5

Use the scan tool in order to display the Capture Info and the Review Capture Info functions.

Are there any DTCs displayed that have not been diagnosed?

--

Go to applicable DTC table

System OK