GM Service Manual Online
For 1990-2009 cars only
Makes
🢒
Chevrolet
🢒
1997
🢒
Chevy Suburban - 2WD
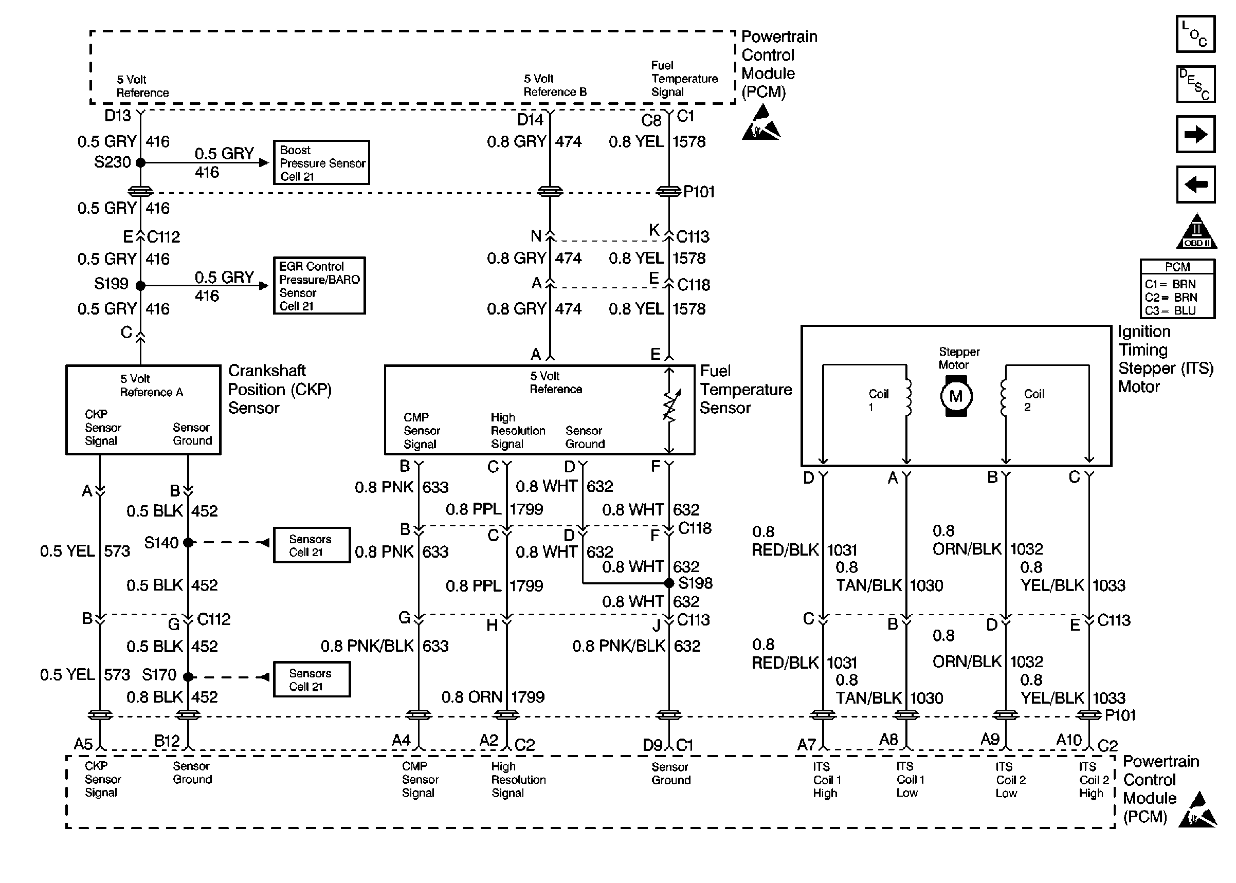
🢒 DIESEL PCM, CKP, FUEL TEMP, ITS
DIESEL PCM, CKP, FUEL TEMP, ITS
DIESEL PCM, CKP, FUEL TEMP, ITS
Engine Controls Components
DIESEL PCM, EGR, SENSORS
DIESEL PCM, FUEL SOLENOID, WATER IN FUEL
OBD II Symbol Description Notice
DIESEL PCM, EGR, SENSORS
DIESEL PCM, EGR, SENSORS
DIESEL PCM, EGR, SENSORS
DIESEL PCM, EGR, SENSORS
Handling Electrostatic Discharge Sensitive Parts Notice
Handling Electrostatic Discharge Sensitive Parts Notice