GM Service Manual Online
For 1990-2009 cars only
Makes
🢒
Chevrolet
🢒
1997
🢒
Chevy Suburban - 2WD
🢒 DIESEL 4L80E PCM, TRANSMISSION, SOLENOIDS
DIESEL 4L80E PCM, TRANSMISSION, SOLENOIDS
DIESEL 4L80E PCM, TRANSMISSION, SOLENOIDS
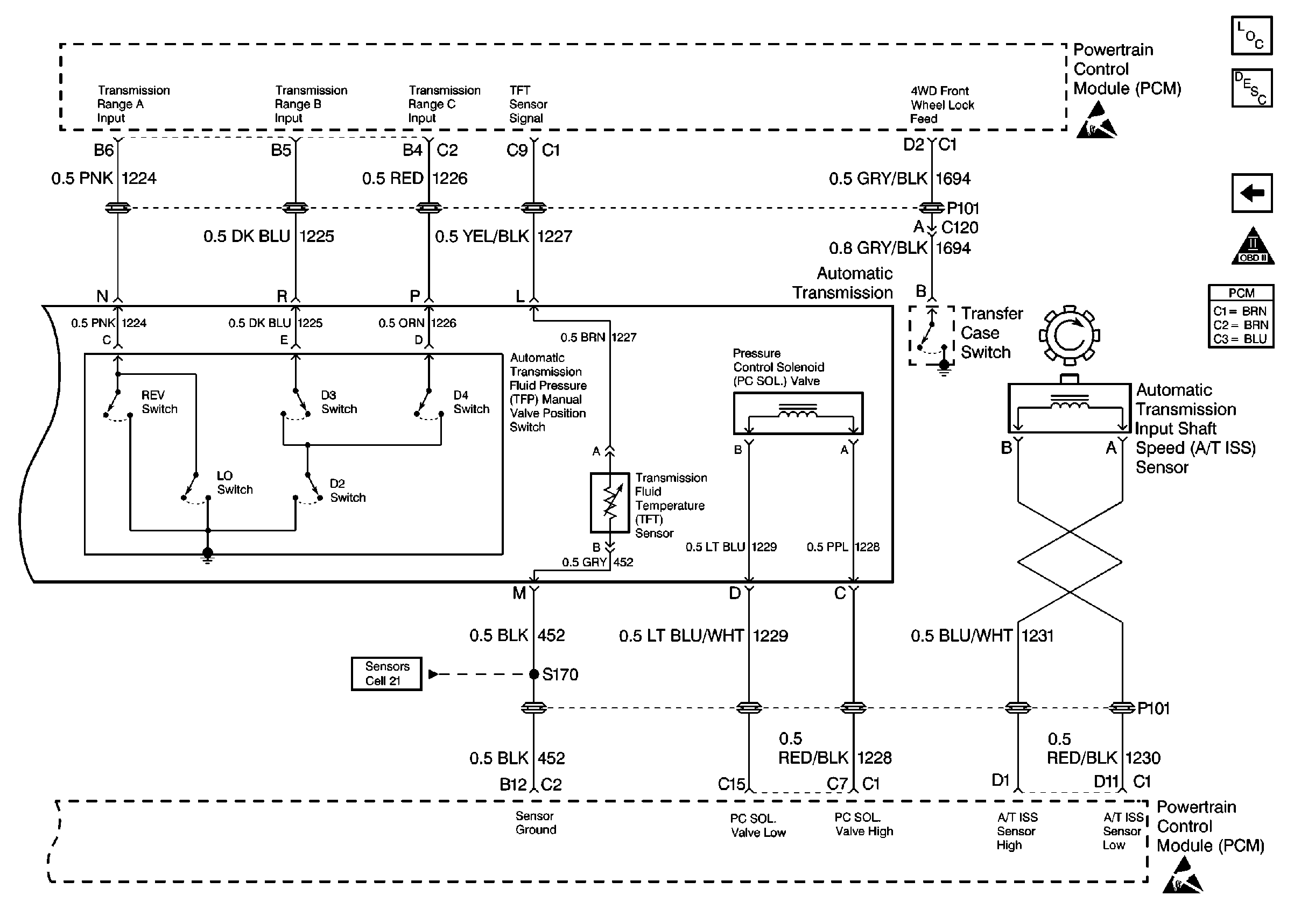
Automatic Transmission Components Diesel
DIESEL 4L80E PCM, BRAKE SWITCH, TRANSMISSION
OBD II Symbol Description Notice
DIESEL PCM, EGR, SENSORS
Handling Electrostatic Discharge Sensitive Parts Notice
Handling Electrostatic Discharge Sensitive Parts Notice