GM Service Manual Online
For 1990-2009 cars only

DTC P0218 Transmission Fluid Overtemperature 6.5L Diesel


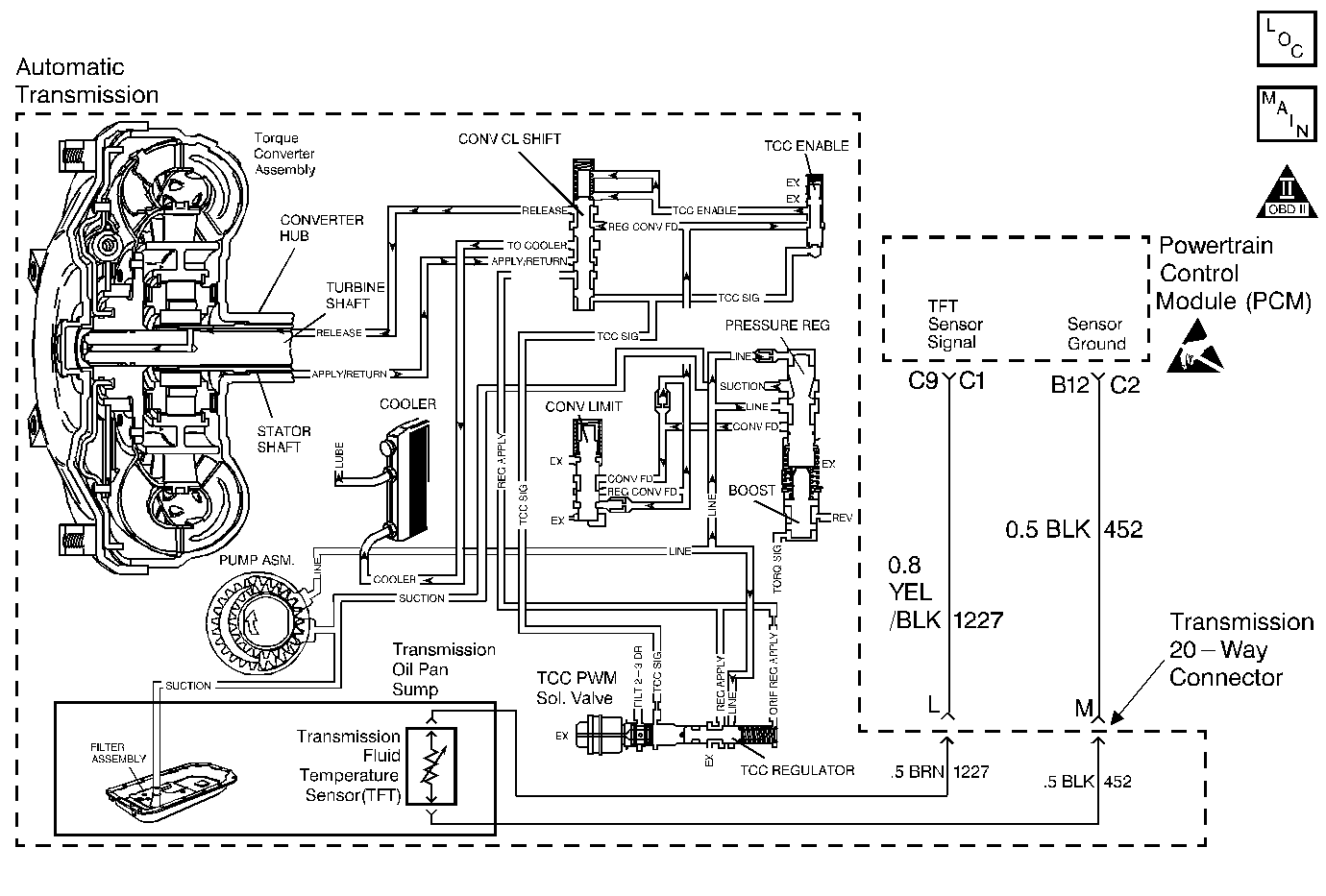
Object Number: 69027  Size: MF
Automatic Transmission Components Diesel
Automatic Transmission Controls Schematics 6.5 L Diesel Schematics
OBD II Symbol Description Notice

Circuit Description

The Automatic Transmission Fluid Temperature Sensor (TFT) Sensor is a thermistor that controls the signal voltage to the Powertrain Control Module (PCM). The PCM supplies a 5-volt reference to the sensor on circuit 1227. When the transmission fluid is cold, the sensor resistance is high and the PCM senses high signal voltage. As the fluid temperature warms to a normal transmission operating temperature, the TFT Sensor resistance becomes less and the voltage decreases.

If the PCM detects a high TFT for a long period of time, then DTC P0218 sets. DTC P0218 is a type D DTC.

Conditions for Setting the DTC

    • No TFT Sensor DTCs P0712 or P0713
    • The TFT is greater than 135°C (275°F).
    • All conditions are met for 410 seconds.

Action Taken When the DTC Sets

    • The PCM freezes shift adapts from being updated.
    • The PCM does not illuminate the Malfunction Indicator Lamp (MIL).

Conditions for Clearing the DTC

  1. A scan tool can clear the DTC from the PCM history. The PCM clears the DTC from the PCM history if the vehicle completes 40 warm-up cycles without a failure reported.
  2. The PCM cancels the DTC default actions when the fault no longer exists and the ignition is OFF long enough in order to power down the PCM

Diagnostic Aids

    • Inspect the cooing system's fluid level and condition.
    • Inspect the transmission cooler and cooler lines for damage and restrictions.
    • The scan tool Trans. Fluid Temp. should rise steadily then stabilize.
    • Inspect for a possible torque converter stator problem.
    • Verify the customer's driving habits, such as trailer towing, etc . . .
    • First diagnose and clear any engine DTCs that are present. Then inspect for any transmission DTCs that may have reset.

Test Description

The numbers below refer to the step numbers on the diagnostic table.

  1. This step tests for a skewed sensor or shorted circuit.

  2. This step simulates a TFT DTC P0713.

P0218

Step

Action

Value(s)

Yes

No

1

Was the Powertrain On-Board Diagnostic (OBD) System Check performed?

--

Go to Step 2

Go to Powertrain On Board Diagnostic (OBD) System Check

2

  1. Inspect for possible transmission or engine cooling system problems.
  2. Inspect the transmission fluid.
  3. Refer to Transmission Fluid Check .

Did you perform the inspections?

--

Go to Step 3

Go to Transmission Fluid Check

3

  1. Install the Scan Tool ®.
  2. With the engine OFF, turn the ignition switch to the RUN position.
  3. Important: Before clearing the DTCs, use the scan tool in order to record the Freeze Frame and Failure Records for reference. The Clear Info function will erase the data.

  4. Record the DTC Freeze Frame and Failure Records.

Is the TFT Sensor signal voltage less than the specified value?

0.20 volts

Go to Step 4

Go to Diagnostic Aids

4

  1. Turn the ignition OFF.
  2. Disconnect the transmission 20-way connector (additional DTCs may set).
  3. Turn the ignition switch to the RUN position.

Is the TFT sensor signal voltage greater than the specified value?

4.92 volts

Go to Automatic Transmission Wiring Harness Check

Go to Step 5

5

  1. Inspect circuit 1227 for a short to ground.
  2. Repair the circuit if necessary.

Refer to Electrical Diagnosis, Section 8.

Did you find a problem?

--

Go to Step 7

Go to Step 6

6

Replace the PCM.

Refer to Powertrain Control Module Replacement/Programming , Section 6.

Is the replacement complete?

--

Go to Step 7

--

7

In order to verify your repair, perform the following procedure:

  1. Select DTC.
  2. Select Clear Info.
  3. Ensure that the TFT is less than 125°C (256°F) for at least 10 seconds.
  4. Select Specific DTC. Enter DTC P0218.

Has the test run and passed?

--

System OK

Begin the diagnosis again. Go to Step 1

DTC P0218 Transmission Fluid Overtemperature 5.7L and 7.4L Gas


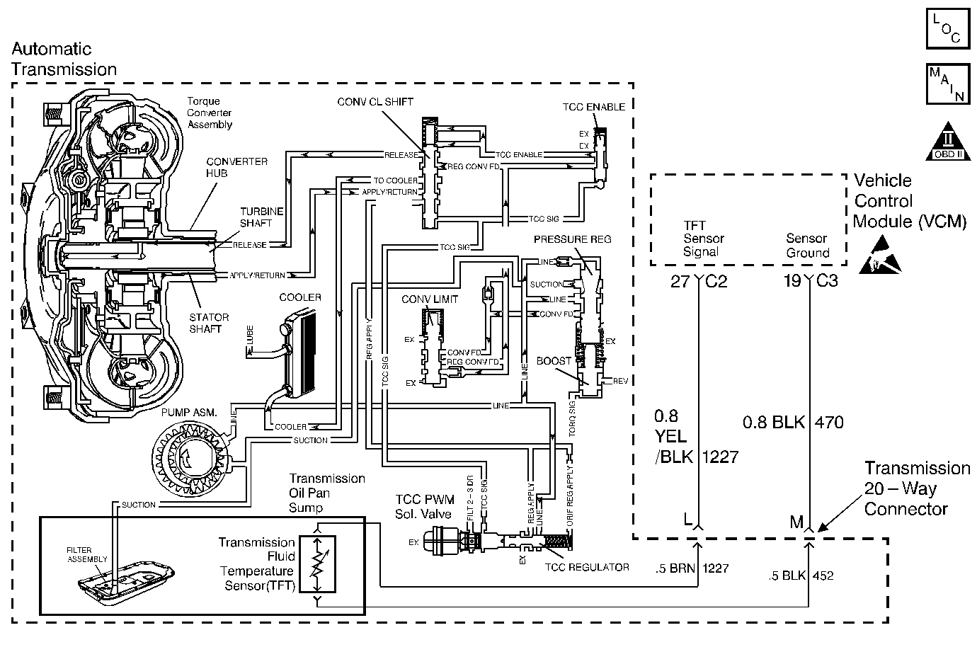
Object Number: 69028  Size: MF
Automatic Transmission Components Gas
Automatic Transmission Controls Schematics 5.7 and 7.4 L Gas Schematics
OBD II Symbol Description Notice
Handling ESD Sensitive Parts Notice

Circuit Description

The Automatic Transmission Fluid Temperature (TFT) Sensor is a thermistor that controls the signal voltage to the Vehicle Control Module (VCM). The VCM supplies a 5-volt reference to the sensor on circuit 1227. When the transmission fluid is cold, the sensor resistance is high and the VCM senses high signal voltage. As the fluid temperature warms to a normal transmission operating temperature, the TFT Sensor resistance becomes less and the voltage decreases.

If the VCM detects a high TFT for a long period of time, then DTC P0218 sets. DTC P0218 is a type D DTC.

Conditions for Setting the DTC

    • No TFT Sensor DTCs P0712 or P0713
    • The TFT is greater than 135°C (277°F).
    • All conditions are met for 410 seconds.

Action Taken When the DTC Sets

    • The VCM freezes shift adapts from being updated.
    • The VCM does not illuminate the Malfunction Indicator Lamp (MIL).

Conditions for Clearing the DTC

  1. A scan tool can clear the DTC from the VCM history. The VCM clears the DTC from the VCM history if the vehicle completes 40 warm-up cycles without a failure reported.
  2. The VCM cancels the DTC default actions when the fault no longer exists and the ignition is OFF long enough in order to power down the VCM.

Diagnostic Aids

    • Inspect the cooling system fluid level and condition.
    • Inspect the transmission cooler and the transmission cooler lines for damage or restrictions.
    • The scan tool Trans. Fluid Temp. (TFT) should rise steadily then stabilize.
    • Inspect for a possible torque converter stator problem.
    • Verify the customer's driving habits, such as trailer towing, etc . . .
    • First diagnose and clear any engine DTCs or TP Sensor codes that are present. Then inspect for any transmission DTCs that may have reset.

Test Description

The numbers below refer to the step numbers on the diagnostic table.

  1. This step tests for a skewed sensor or shorted circuit.

  2. This step simulates a TFT DTC P0713.

DTC P0218

Step

Action

Value(s)

Yes

No

1

Was the Powertrain On-Board Diagnostic (OBD) System Check performed?

--

Go to Step 2

Go to Powertrain On Board Diagnostic (OBD) System Check

2

  1. Inspect for possible transmission or engine cooling system problems.
  2. Inspect the transmission fluid.
  3. Refer to Transmission Fluid Check .

Did you perform the inspections?

--

Go to Step 3

Perform the inspections

3

  1. Install the Scan Tool ®.
  2. With the engine OFF, turn the ignition switch to the RUN position.
  3. Important: Before clearing the DTCs, use the scan tool in order to record the Freeze Frame and Failure Records for reference. The Clear Info function will erase the data.

  4. Record the DTC Freeze Frame and Failure Records.

Is the TFT Sensor signal voltage less than the specified value?

0.20 volts

Go to Step 4

Go to Diagnostic Aids

4

  1. Turn the ignition OFF.
  2. Disconnect the transmission 20-way connector. Additional DTCs may set.
  3. Turn the ignition switch to the RUN position.

Is the TFT Sensor signal voltage greater than the specified value?

4.92 volts

Go to Automatic Transmission Wiring Harness Check

Go to Step 5

5

  1. Inspect circuit 1227 for a short to ground.
  2. Repair the circuit if necessary.

Refer to Electrical Diagnosis, Section 8.

Did you find a problem?

--

Go to Step 7

Go to Step 6

6

Replace the VCM.

Refer to VCM Replacement/Programming , Section 6.

Is the replacement complete?

--

Go to Step 7

--

7

In order to verify your repair, perform the following procedure:

  1. Select DTC.
  2. Select Clear Info.
  3. Ensure that the Trans. Fluid Temp. (TFT) is less than 125°C (266°F) for at least 10 seconds.
  4. Select Specific DTC. Enter DTC P0218.

Has the test run and passed?

--

System OK

Begin the diagnosis again. Go to Step 1