GM Service Manual Online
For 1990-2009 cars only

NOISY OR LOW HANGING MUFFLERS REPLACE MUFFLER & TAILPIPE

Model and Year: 1987-88 R/V MODELS WITH 5.7L OR 7.4L (VIN CODE K OR N) ENGINE

Customer comments may be received on 1987 and 1988 R/V models built prior to VIN breakpoint (JF165082) equipped with 5.7L or 7.4L engine, of low hanging or throaty sounding (rumbling on acceleration) mufflers. Mufflers designed for usage on TBI equipped engines are of a high flow/low restriction design for increased engine performance and are somewhat louder than mufflers used in previous years. If either of these conditions are experienced, they can be repaired by installing a revised muffler and tailpipe assembly.

Parts Information

Parts Quantity Number Description Application Required ------ ----------- ----------- -------- 15616421 Muffler Rl,2 5.7L Federal 1 (NA5/NA6) R2 7.4L Export (NM8)

15616422 T/Pipe Rl,2 5.7L Federal 1 (NA5/NA6) R2 7.4L Export (NM8)

15616423 Muffler R2 5.7L Calif. (NB2) 1 R2 7.4L Federal (NA5/NA6)

15616424 T/Pipe R2 5.7L Calif. (NB2) 1 R2 7.4L Federal (NA5/NA6)

15616425 Muffler Vl,2 5.7L Federal 1 (NA5/NA6)

15616426 T/Pipe Vl,2 5.7L Federal 1 (NA5/NA6)

379360 Clamp R/V 1, 2 5.7L only 2

15624612 Hanger Muffler Vl, 2 only 1

15624613 Shield Muffler All 1

14029140 Bracket, Shield All 2

15549331 Hanger T/Pipe Rl, 2 1

15549332 Hanger T/Pipe Vl, 2 1

435611 Bolt 3/8"- A 11 2 16 X 1.00

103321 Washer 3/8" flat All 2

9414034 Nut 3/8"-16 All 2

180083 Bolt (T/Pipe Hgr) Rl, 2 1 5/16 X 18 X 1.5" Vl, 2 2

9439511 Washer (T/Pipe Hgr) Rl, 2 1 5/16 lock Vl, 2 2

9439493 Nut (T/Pipe Hgr) Rl, 2 6 5/16 X 18 X 1/4 Vl, 2 9

9418918 Bolt (Conv Shld/ T/Pipe Hgr) (R Model) 5 5/16 X 18 X l" All (V Model) 8

11514363 Bolt (Conv Shld) M6 X 1 Self Tapping All 1

456846 J-Nut (Conv Brkt) 5/16 X 18 All 2

2436162 Washer (Conv Shld) 5/16 Flat All 2

Parts are currently available from GMSPO.

When making the above changes to the exhaust system, it is necessary to replace the muffler heat shield to maintain proper passenger compartment temperature. It is also necessary on V models to add a secondary T/Pipe hanger to maintain proper alignment. On all models it will also be necessary to replace the tailpipe hanger.

Service Procedure

1. Raise vehicle on hoist 2. Remove muffler and tailpipe following procedures in section 6F - Engine Exhaust, of the appropriate year service manual. 3. Using an air chisel or a high speed cut off wheel, remove the original muffler heat shield flush with the floor pan, see Figure 1. 4. Assemble the new muffler heat shield, see Figure 2. 5. Slip the new muffler assembly onto the catalytic converter and align muffler. Do not install clamps. 6. Slide assembled muffler heat shield over muffler and position shield onto frame. Shield must be centered over muffler. Mark bracket bolt hole locations on frame, see Figure 2. Remove heat shield and muffler assembly. Using a 5/16" drill, drill the four (4) holes in the frame side rail. Using a 3/16" drill, drill the one (1) hole in top of the frame rail. Install the heat shield on the frame and torgue side rail bolts to 20-28 Nm (15-20 ft/lbs), and top rail bolt to 14-20 Nm (12-20 ft/lbs). 7. Using an air chisel, grinding wheel, etc., remove the two (2) rivets from the existing tailpipe hanger. Install the new hanger for the appropriate model with 3/8" - 16 x 1.00" bolts, nuts, and washers and torque nuts to 27-40 Nm (25-35 Ft/lbs), see Figure 3. 8. Install muffler and tailpipe using procedures in section 6F of the appropriate service manual.

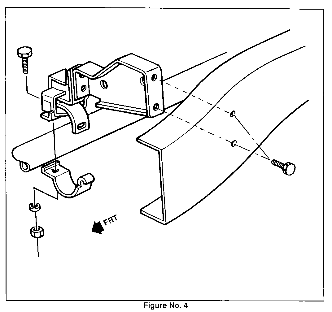
IMPORTANT: On V models (4WD) it will be necessary to add a new rear tailpipe hanger, see Figure 3. Measuring from the center of the forward muffler bracket, measure back 48" on the frame. Center the rear hanger on the mark and using the hanger as a guide, mark the bolt holes. Using a 5/16" drill, drill the holes in the frame side rail and install the hanger as shown in Figure 4. Torgue all bolts to 20-28 N.m (15-20 lb/ft).

9. Lower vehicle and road test.

Use: Labor Operation: T7700 Labor Time: 1.2 hr


Object Number: 84427  Size: FS


Object Number: 85379  Size: FS


Object Number: 84426  Size: FS


Object Number: 84425  Size: FS

General Motors bulletins are intended for use by professional technicians, not a "do-it-yourselfer". They are written to inform those technicians of conditions that may occur on some vehicles, or to provide information that could assist in the proper service of a vehicle. Properly trained technicians have the equipment, tools, safety instructions and know-how to do a job properly and safely. If a condition is described, do not assume that the bulletin applies to your vehicle, or that your vehicle will have that condition. See a General Motors dealer servicing your brand of General Motors vehicle for information on whether your vehicle may benefit from the information.