GM Service Manual Online
For 1990-2009 cars only
Makes
🢒
Chevrolet
🢒
1998
🢒
Chevy Suburban - 4WD
🢒
Body and Accessories
🢒
Instrument Panel, Gauges, and Console
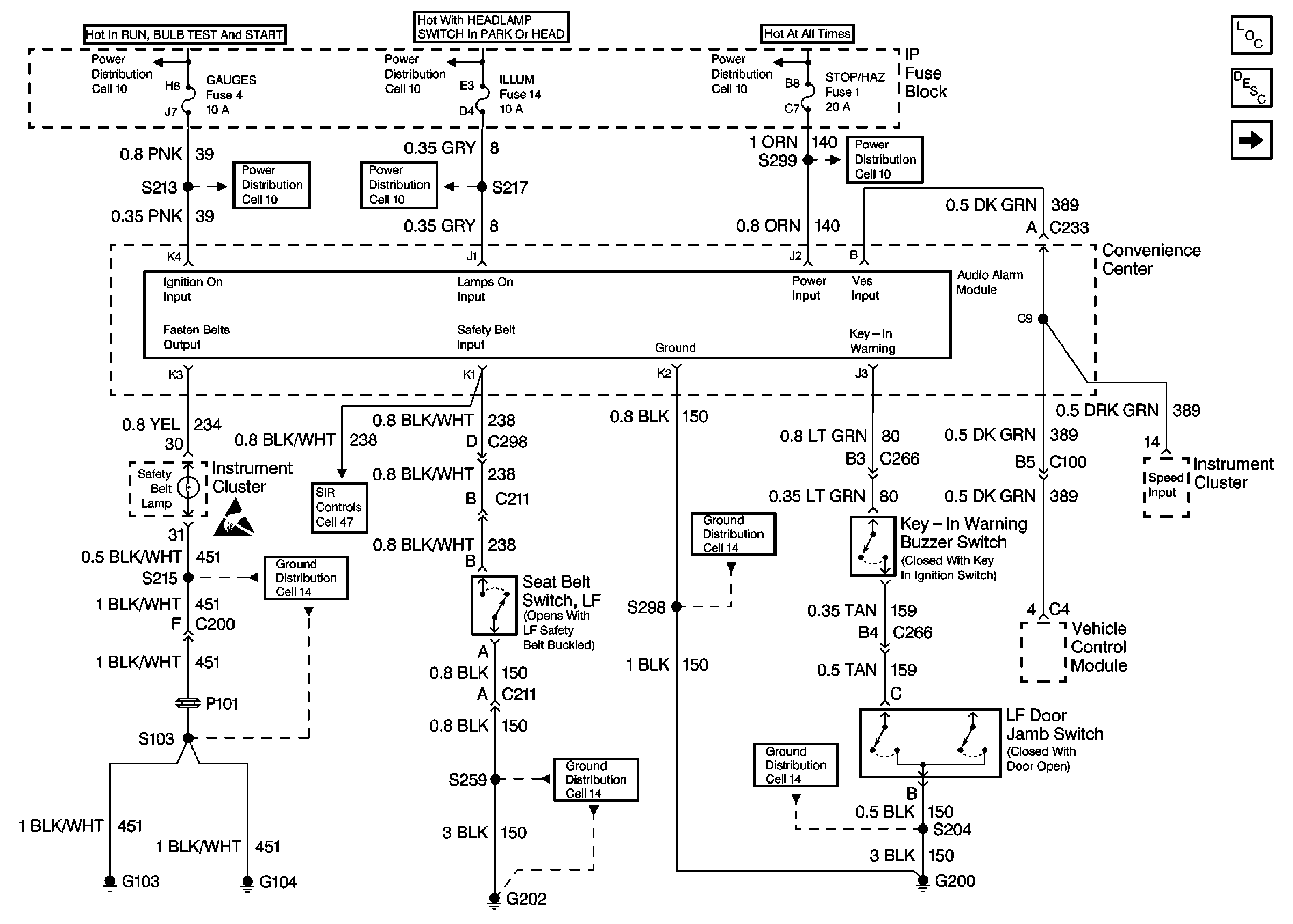
🢒 Audible Warnings Schematics
Audible Warnings
Instrument Cluster Components
Audible Warnings Circuit Description
Ground Distribution Schematics
Ground Distribution Schematics
Ground Distribution Schematics
Ground Distribution Schematics
Ground Distribution Schematics