GM Service Manual Online
For 1990-2009 cars only
Makes
🢒
Chevrolet
🢒
1999
🢒
Chevy Suburban - 4WD
🢒
Body and Accessories
🢒
Theft Deterrent
🢒 Theft Deterrent System Schematics
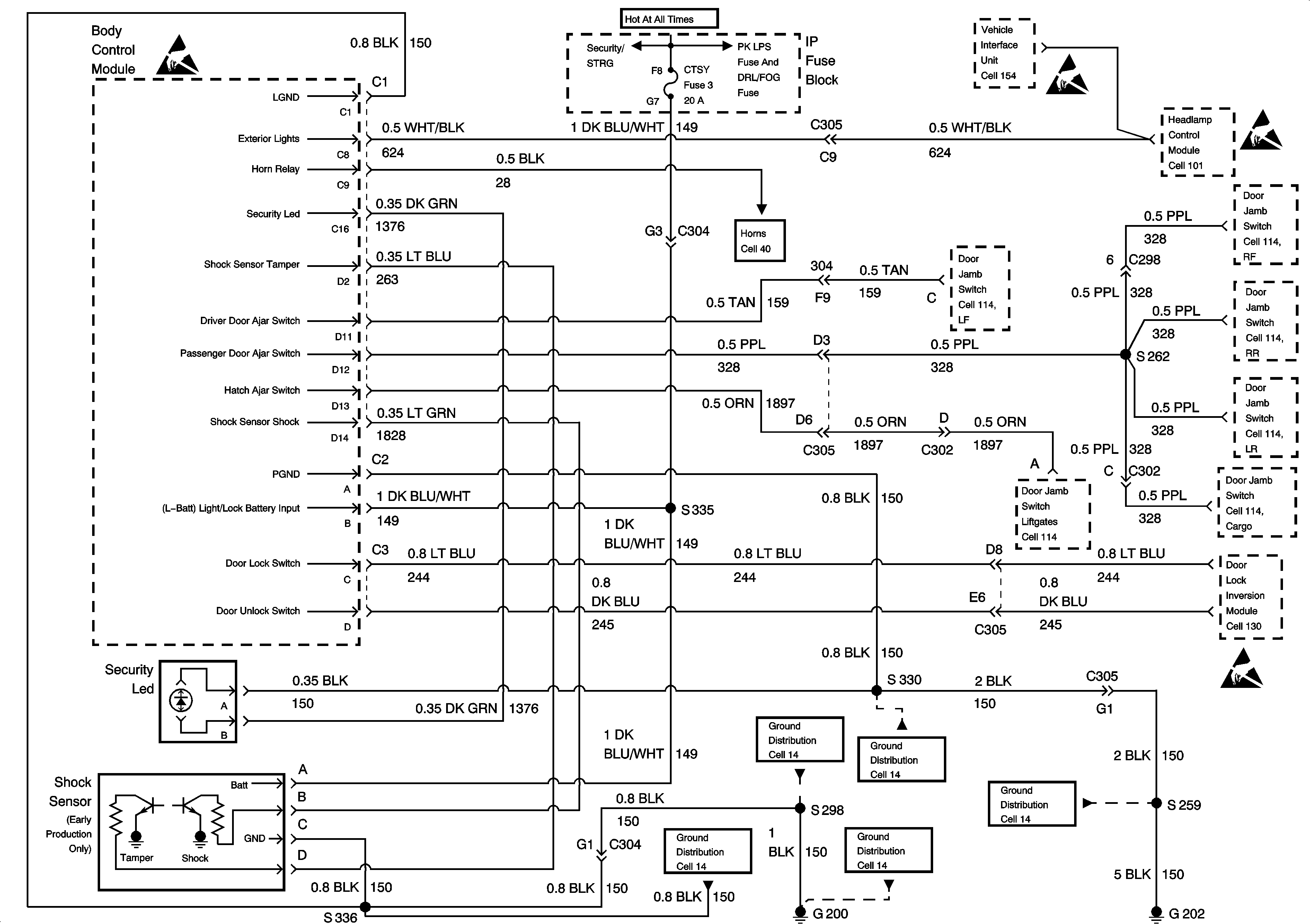
Theft Deterrent System Schematics Vehicle Theft Deterrent
Cell 133
Vehicle Theft Deterrent (VTD) Description
Cell 10: GAUGES Fuse
Cell 14: G103 and G104
Transfer Case Shift Control Module, Encoder Motor
Cell 10: LIGHTING and BATTERY Fuses
Cell 10: GAUGES Fuse
Indicator Lamps
Theft Deterrent System Components
Handling ESD Sensitive Parts Notice
Variable Effort Steering
ABS Schematics
Variable Effort Steering
VSS and Cruise Controls
Cell 11: G104 Diesel
Theft Deterrent System Schematics Content Theft Deterrent
Body Control Module and Fuse Block