GM Service Manual Online
For 1990-2009 cars only
Makes
🢒
Chevrolet
🢒
2000
🢒
Chevy Suburban - 4WD
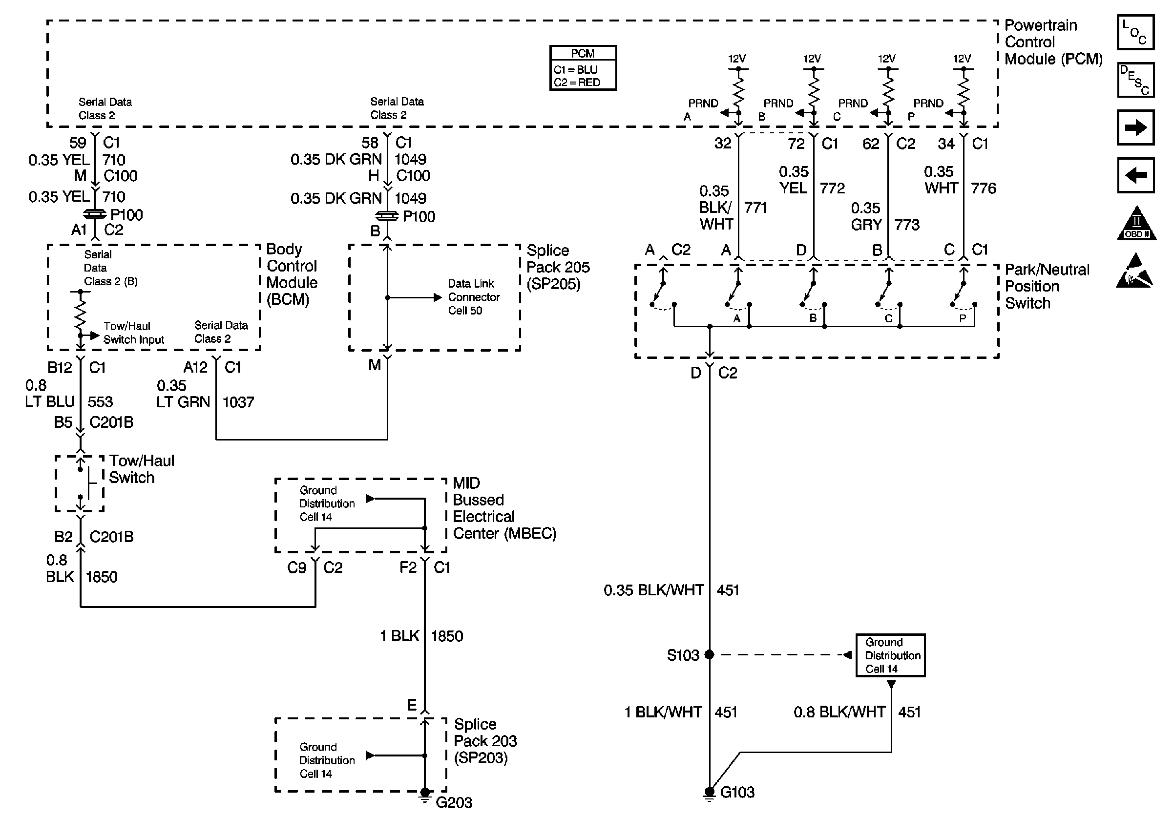
🢒 Cell 21: PNP Switch, Tow/Haul Switch
Cell 21: PNP Switch, Tow/Haul Switch
Cell 21: PNP Switch, Tow/Haul Switch
Engine Controls Components
Powertrain Control Module Description
Cell 21: A/C Controls
Cell 21: Stoplamp Switch, Transmission Controls (4L60-E)
OBD II Symbol Description Notice
Handling ESD Sensitive Parts Notice
Cell 50
Cell 14: Horn Switch, C201C, C207C
Cell 14: Full Feature Seat Heated/Memory Seat Switch, Light Bar Switch
Cell 14: Vehicle Control Module, S103, G102