GM Service Manual Online
For 1990-2009 cars only
Makes
🢒
Chevrolet
🢒
2000
🢒
Chevy Suburban - 4WD
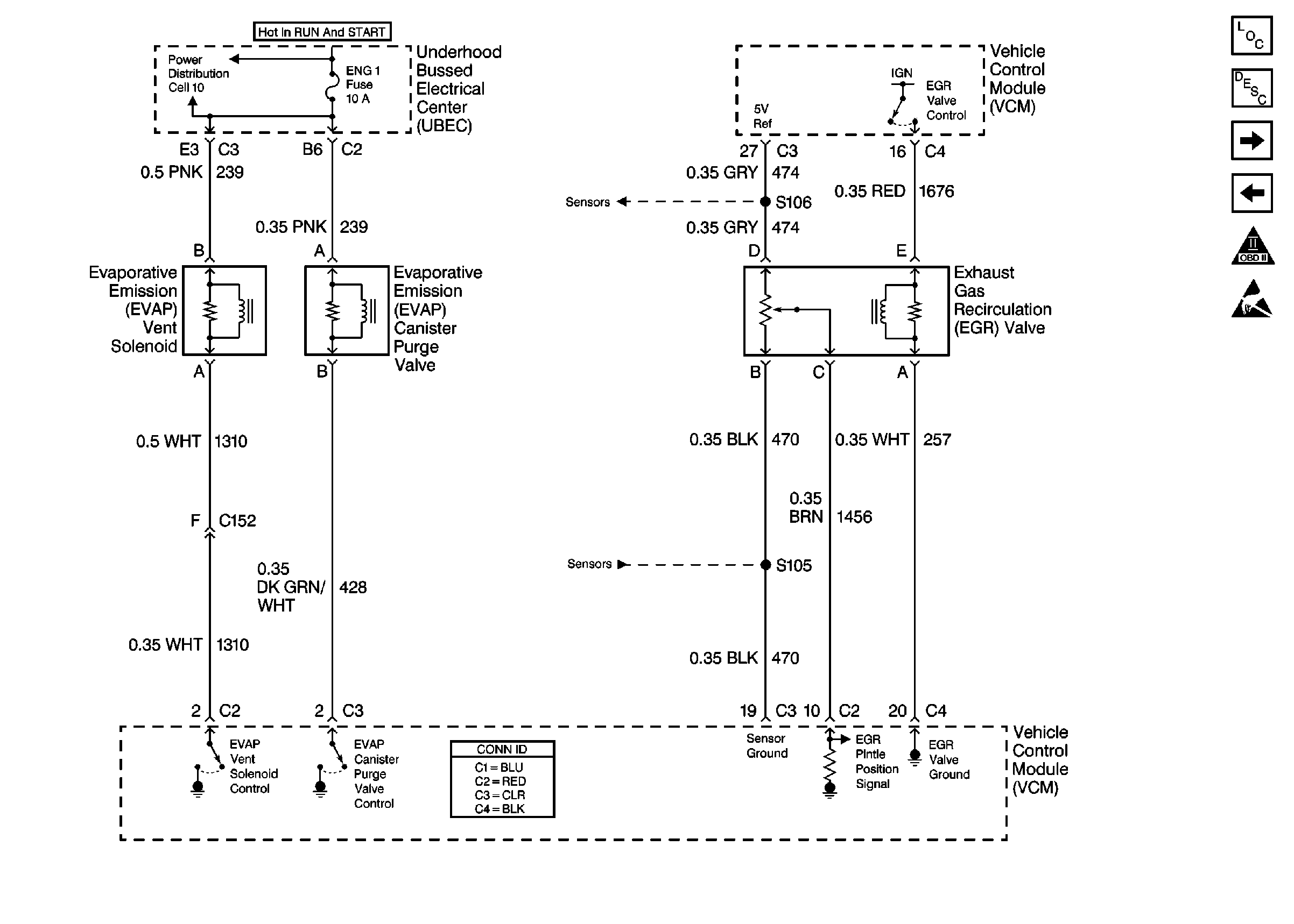
🢒 Cell 20: EVAP Controls
Cell 20: EVAP Controls
Cell 20: EVAP Controls
Engine Controls Components
Vehicle Control Module Description
Cell 20: Secondary AIR Controls
Cell 20: IAC, IAT, ECT, MAF, MAP Sensor
OBD II Symbol Description Notice
Handling ESD Sensitive Parts Notice
Cell 10: Underhood Bussed Electrical Center, Bussed Fuses