GM Service Manual Online
For 1990-2009 cars only

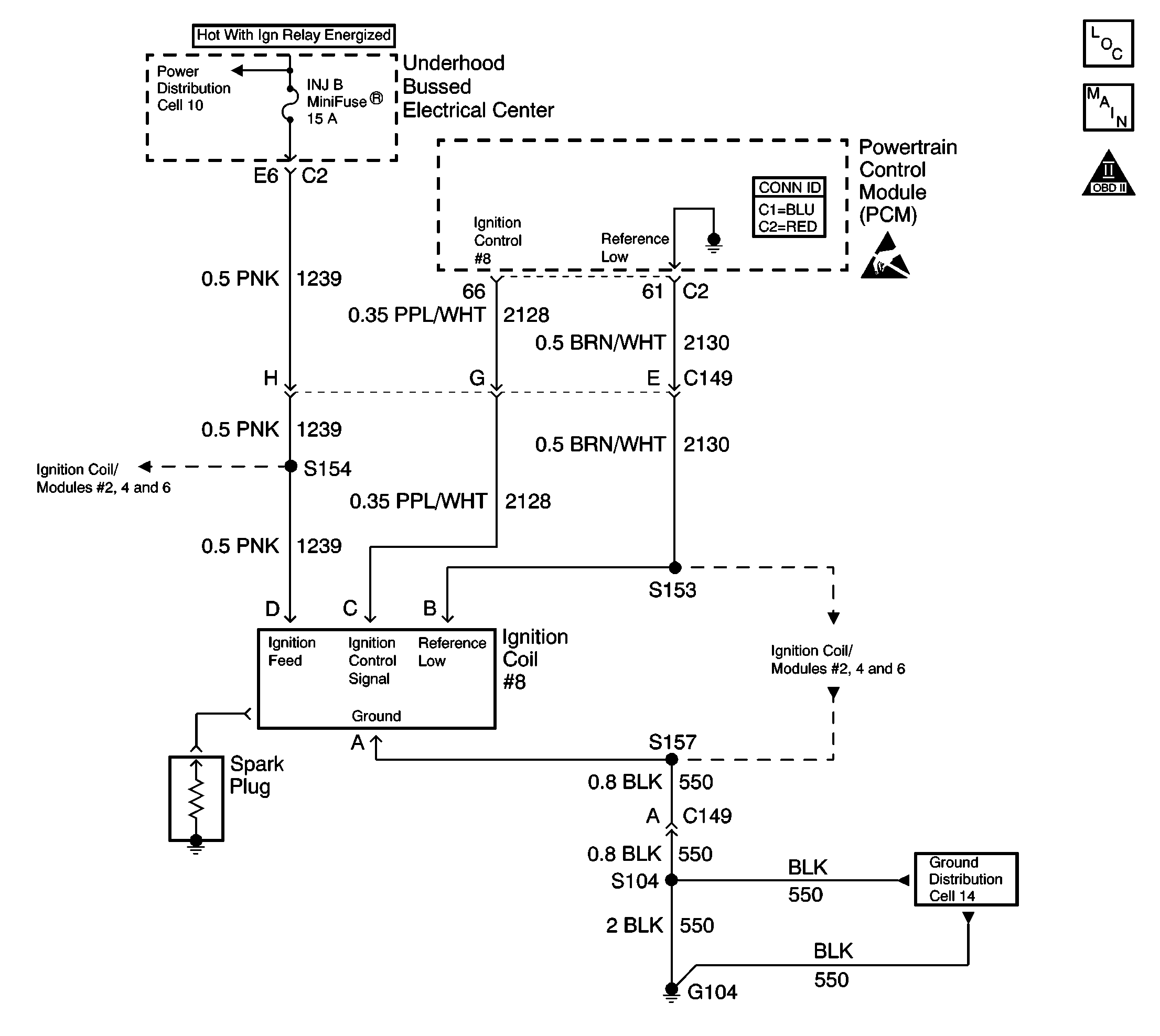
Object Number: 597739  Size: LF
Engine Controls Components
Ignition Controls - Ignition System Coils 2, 4, 6, 8
OBD II Symbol Description Notice
Handling ESD Sensitive Parts Notice

Circuit Description

The ignition system on this engine uses an individual ignition coil for each cylinder. The powertrain control module (PCM) controls the ignition system operation. The PCM controls each coil using one of eight ignition control (IC) circuits. The PCM commands the IC circuit low when a spark event is requested. This causes the IC module to energize the ignition coil to create a spark at the spark plug. Each ignition coil has the following circuits:

    • An ignition positive voltage circuit
    • A ground circuit
    • An IC circuit
    • A reference low circuit

Sequencing and timing are PCM controlled. This diagnostic trouble code (DTC) sets when the IC circuit is out of range.

Conditions for Running the DTC

    • The engine is running.
    • Ignition voltage is between 9 volts and 17 volts.

Conditions for Setting the DTC

    • The PCM detects the ignition control circuit is grounded, open, or shorted to a voltage.
    • All conditions are met for less than 1 second.

Action Taken When the DTC Sets

    • The PCM illuminates the malfunction indicator lamp (MIL) on the second consecutive ignition cycle that the diagnostic runs and fails.
    • The PCM records the operating conditions at the time the diagnostic fails. The first time the diagnostic fails, the PCM stores this information in the Failure Records. If the diagnostic reports a failure on the second consecutive ignition cycle, the PCM records the operating conditions at the time of the failure. The PCM writes the conditions to the Freeze Frame and updates the Failure Records.

Conditions for Clearing the MIL/DTC

    • The PCM turns OFF the malfunction indicator lamp (MIL) after 3 consecutive ignition cycles that the diagnostic runs and does not fail.
    • A last test failed, or current DTC, clears when the diagnostic runs and does not fail.
    • A history DTC clears after 40 consecutive warm-up cycles, if no failures are reported by this or any other emission related diagnostic.
    • Use a scan tool in order to clear the MIL and the DTC.

Diagnostic Aids

Important: Remove any debris from the PCM connector surfaces before servicing the PCM. Inspect the PCM connector gaskets when diagnosing or replacing the PCM. Ensure that the gaskets are installed correctly. The gaskets prevent water intrusion into the PCM.

The following may cause an intermittent:

    • Poor connections -- Check for adequate terminal tension. Refer to Testing for Intermittent Conditions and Poor Connections and Connector Repairs in Wiring Systems.
    • Corrosion
    • Mis-routed harness
    • Rubbed through wire insulation
    • Broken wire inside the insulation

Using Freeze Frame and Failure Records data may aid in locating an intermittent condition. If you cannot duplicate the DTC, the information included in the Freeze Frame and Failure Records data can aid in determining how many miles since the DTC set. The Fail Counter and Pass Counter can also aid in determining how many ignition cycles the diagnostic reported a pass or a fail. Operate the vehicle within the same Freeze Frame conditions such as RPM, load, vehicle speed, temperature, etc. that you observed. This will isolate when the DTC failed. For an intermittent condition, refer to Symptoms .

Test Description

The numbers below refer to the step numbers on the diagnostic table.

  1. This step verifies that the fault is present.

  2. This step tests for a short to ground on the IC control signal circuit.

  3. This step tests the integrity of the IC circuit and the PCM output.

Step

Action

Value(s)

Yes

No

1

Did you perform the Powertrain On-Board Diagnostic (OBD) System Check?

--

Go to Step 2

Go to Powertrain On Board Diagnostic (OBD) System Check

2

    Important: If all of the ignition control (IC) DTCs are set at the same time, inspect the IC ground circuits for an open.

  1. Install a scan tool.
  2. Idle the engine.
  3. Monitor the IC status for the cylinder with the ignition control DTC using the scan tool in the Misfire Data List.

Does the scan tool indicate Fault?

--

Go to Step 4

Go to Step 3

3

  1. Turn ON the ignition, with the engine OFF.
  2. Review the Freeze Frame and Failure Records data for this DTC and observe the parameters.
  3. Turn OFF the ignition for 15 seconds.
  4. Start the engine.
  5. Operate the vehicle within the conditions required for this diagnostic to run, and as close to the conditions recorded in the Freeze Frame and Failure Records as possible. Special operating conditions that you need to meet before the PCM will run this diagnostic, where applicable, are listed in Conditions for Running the DTC.
  6. Select the Diagnostic Trouble Code (DTC) option, the Specific DTC option, then enter the DTC number using the scan tool.

Does the scan tool indicate that this diagnostic failed this ignition?

--

Go to Step 4

Go to Diagnostic Aids

4

  1. Turn OFF the engine.
  2. Disconnect the ignition coil electrical harness.
  3. Turn ON the ignition, with the engine OFF.
  4. Measure the voltage at the ignition control signal circuit using the DMM connected to a ground.

Is the voltage more than the specified value?

1.0 volts

Go to Step 9

Go to Step 5

5

  1. Turn OFF the ignition.
  2. Disconnect the PCM connector C2 located on the opposite side of the manufacturers logo. Refer to Powertrain Control Module Replacement .
  3. Test the continuity from the IC circuit to the PCM connector using the DMM. Refer to Testing for Continuity in Wiring Systems.

Does the DMM indicate continuity?

--

Go to Step 6

Go to Step 10

6

Test the resistance from the IC circuit to ground using the DMM .

Does the DMM indicate OL?

--

Go to Step 7

Go to Step 10

7

  1. Disconnect the coil connector.
  2. Turn ON the ignition, with the engine OFF.
  3. Connect a test lamp to ground.
  4. Probe the ignition positive voltage circuit at the ignition coil harness connector.

Is the test lamp illuminated?

--

Go to Step 8

Go to Step 10

8

Connect a test lamp between the ignition coil Ignition positive voltage circuit and the ignition coil ground circuit.

Is the test lamp illuminated?

--

Go to Step 11

Go to Step 10

9

Repair the ignition control circuit for a short to voltage. Refer to Wiring Repairs in Wiring Systems.

Is the action complete?

--

Go to Step 15

Go to Step 13

10

Repair the ignition coil Control circuit for an open or short to ground. Refer to Wiring Repairs in Wiring Systems.

Is the action complete?

--

Go to Step 15

--

11

  1. Turn OFF the engine.
  2. Disconnect the ignition coil electrical harness.
  3. Idle the engine.
  4. Measure the frequency at the ignition control signal circuit using the DMM on the DC hertz scale connected to a ground.

Is the frequency within the specified range?

3.0-20 Hz

Go to Step 12

Go to Step 13

12

Replace the ignition coil. Refer to Ignition Coil Replacement .

Is the action complete?

--

Go to Step 15

--

13

  1. Inspect for poor connections at the PCM connector. Refer to Testing for Intermittent Conditions and Poor Connections in Wiring Systems.
  2. Replace the terminal if necessary. Refer to Connector Repairs in Wiring Systems.

Did you find and correct the condition?

--

Go to Step 15

Go to Step 14

14

Important:: The replacement PCM must be programmed. Refer to Powertrain Control Module Replacement

Replace the PCM.

Is the action complete?

--

Go to Step 15

--

15

  1. Select the Diagnostic Trouble Code (DTC) option and the Clear DTC Information option using the scan tool.
  2. Idle the engine at the normal operating temperature.
  3. Select the Diagnostic Trouble Code (DTC) option and the Specific DTC option, then enter the DTC number using the scan tool.
  4. Operate the vehicle within the Conditions for Running the DTC as specified in the supporting text, if applicable.

Does the scan tool indicate that this test ran and passed?

--

Go to Step 16

Go to Step 2

16

Select the Capture Info option and the Review Info option using the scan tool.

Does the scan tool display any DTCs that you have not diagnosed?

--

Go to the applicable DTC table

System OK