GM Service Manual Online
For 1990-2009 cars only
Makes
🢒
Chevrolet
🢒
2005
🢒
Classic
🢒
Body
🢒
Doors
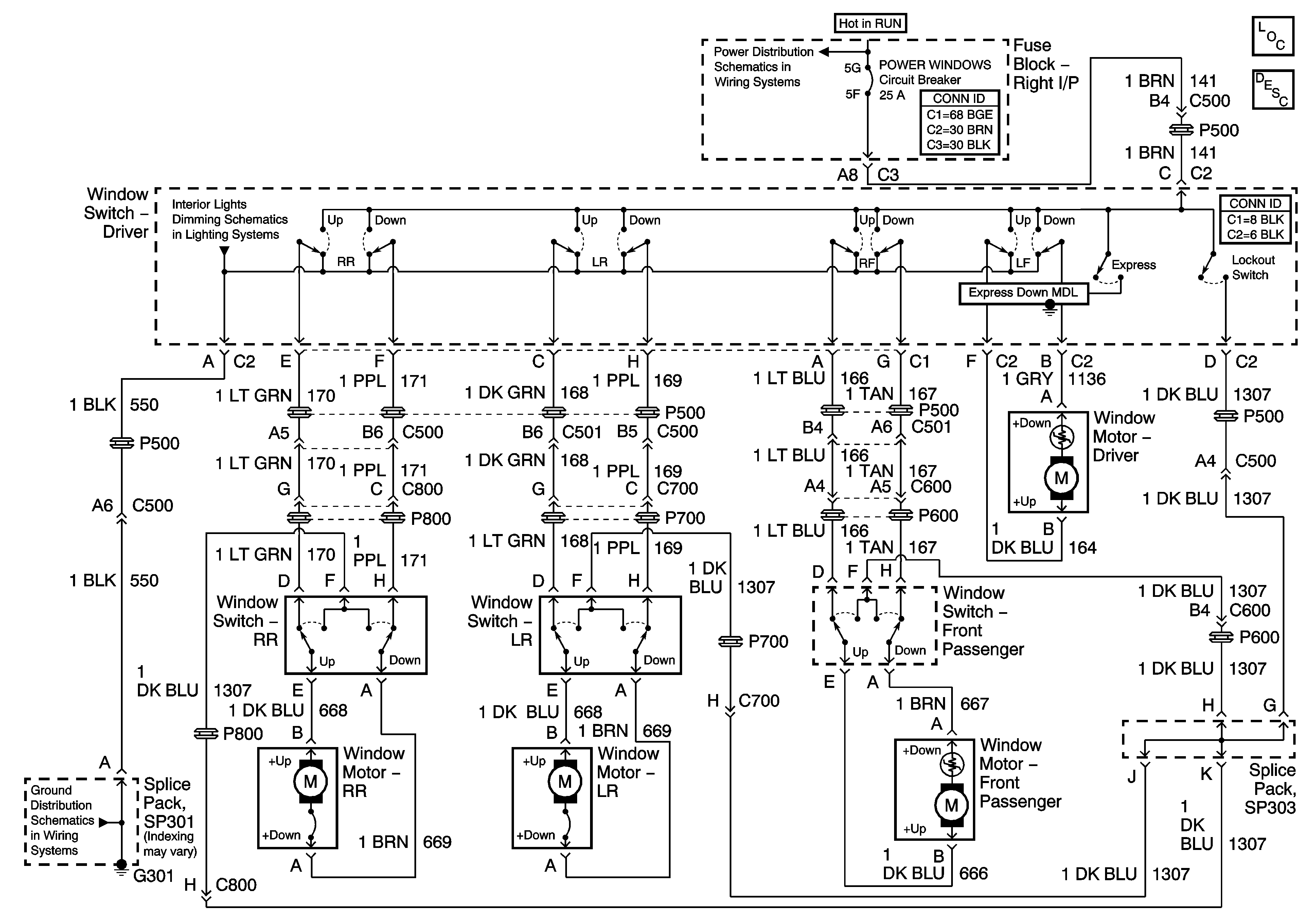
🢒 Power Window Schematics
Master Electrical Component List
Power Windows Description and Operation
CRUISE SW, CRUISE, SUNROOF, and HVAC BLOWER Fuses
Door Dimming
SP301