GM Service Manual Online
For 1990-2009 cars only
Makes
🢒
Chevrolet
🢒
2005
🢒
Classic
🢒 Cooling Fans
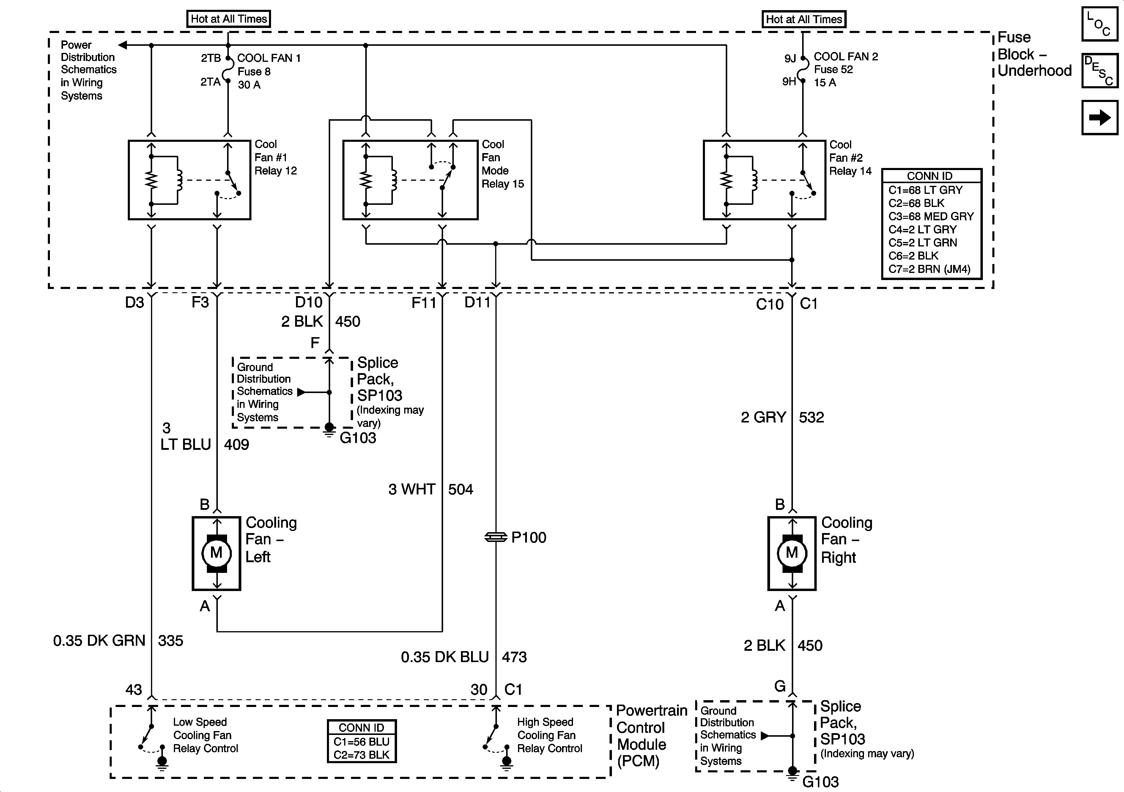
Cooling Fans
Cooling Fans
Master Electrical Component List
Cooling System Description and Operation
Low Coolant Indicator
B+ Bus Bar
SP103