GM Service Manual Online
For 1990-2009 cars only
Makes
🢒
Chevrolet
🢒
2006
🢒
Classic
🢒
Vehicle Control Systems
🢒
Vehicle DTC Information
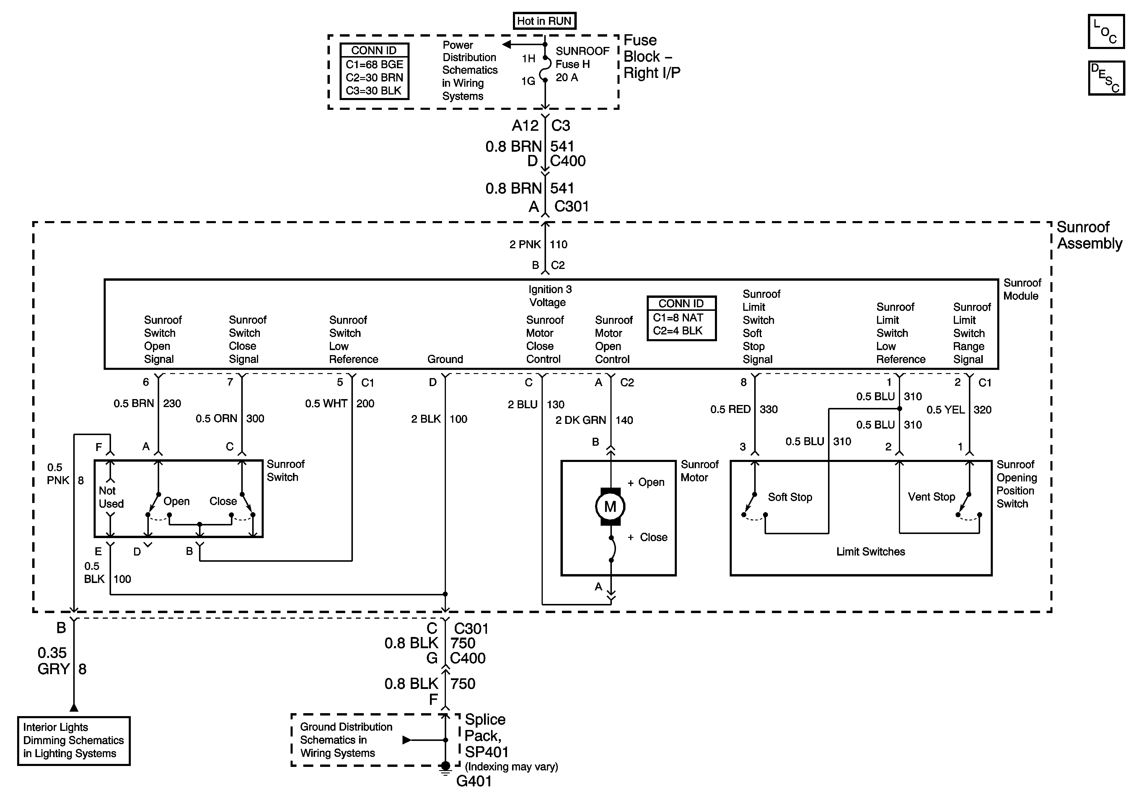
🢒 Sunroof Schematics